Hi,
Seems that I have no luck with my Grand Am .....
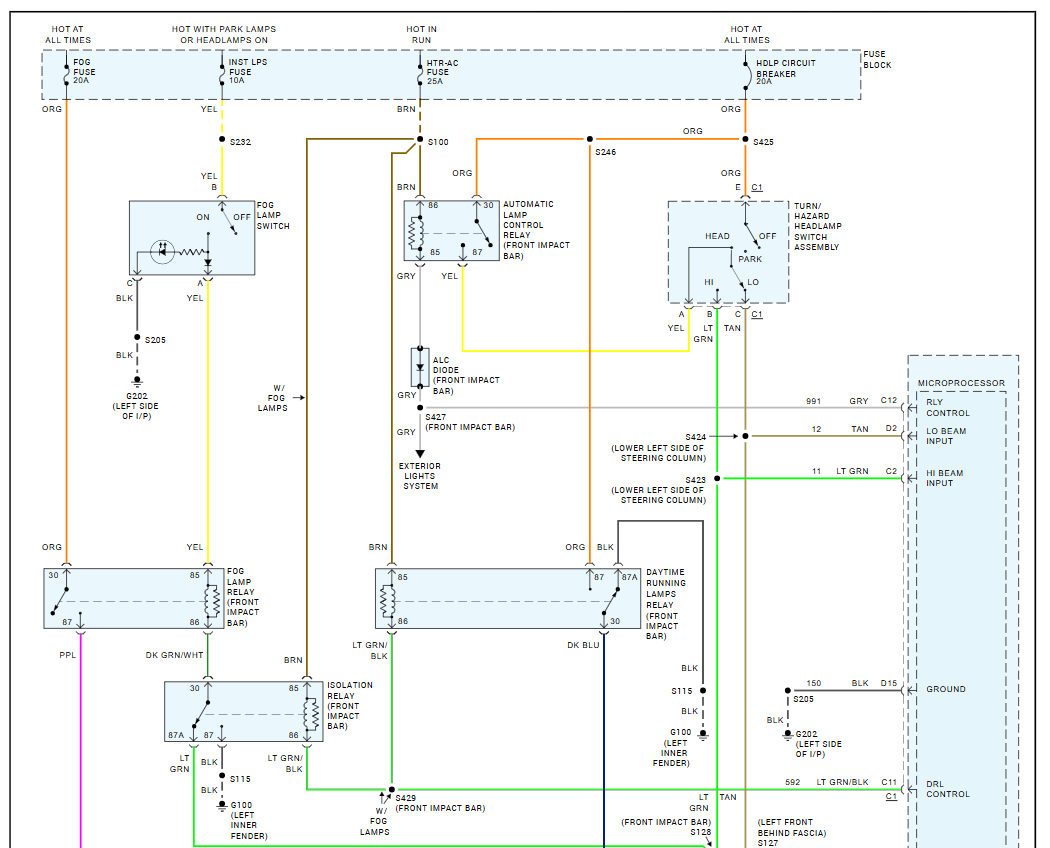
Up to today everything was working well with my Auto Light Control.
Today I started out of my dark garage and all the exterior lamps turned on as expected.
But after driving in a pure sunlight for 10 minutes, the exterior lights were still on and did not turn off.
This is really annoying since I cannot read the time on my radio since it is dimmed for night driving.
So I stopped and turned the car off and on again without success.
Then after a few miles all of a sudden the lights turned off but after passing below a few trees (shadows) it turned it on again.
At the end it seems that it is somehow stuck to Nighttime Mode and just sparsely turns them off.
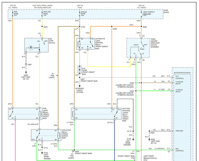
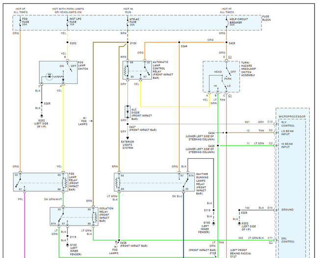
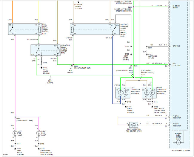
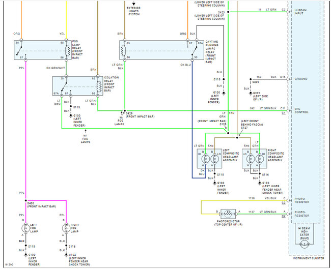
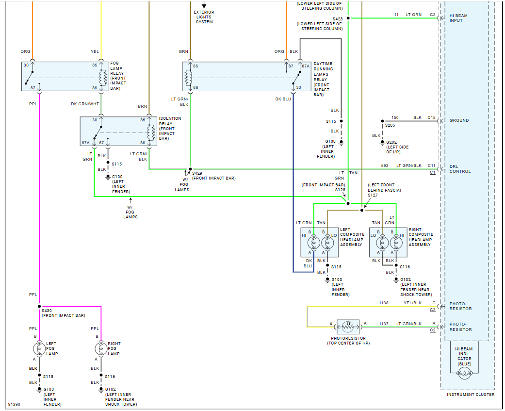
May it be the Photoresistor from the Instrument Panel?
Do I need to clean the sensor?
If yes, how can I access the sensor?
Or is there any other culprit leading to such a strange bahavior.
Thanks
Seems that I have no luck with my Grand Am .....
Up to today everything was working well with my Auto Light Control.
Today I started out of my dark garage and all the exterior lamps turned on as expected.
But after driving in a pure sunlight for 10 minutes, the exterior lights were still on and did not turn off.
This is really annoying since I cannot read the time on my radio since it is dimmed for night driving.
So I stopped and turned the car off and on again without success.
Then after a few miles all of a sudden the lights turned off but after passing below a few trees (shadows) it turned it on again.
At the end it seems that it is somehow stuck to Nighttime Mode and just sparsely turns them off.
May it be the Photoresistor from the Instrument Panel?
Do I need to clean the sensor?
If yes, how can I access the sensor?
Or is there any other culprit leading to such a strange bahavior.
Thanks
Sep 21, 2025 at 8:46 AM






