Automatic Locking system and remote entry problem?

2002 PONTIAC GRAND AM
191,999 MILES • 3.4L • V6 • 2WD • AUTOMATIC
Avatar
LEIGHANDERSON
  • MEMBER
  • 3 POSTS
Hi, I've noticed that my automatic locking system and remote entry hasn't been working. If I want to lock or unlock my doors, I have to use my key or push the lock closed with my finger. I've tried replacing the minibuses but that hasn't helped. I have been messed over by mechanics now i want to do it myself. I need some help.
Mar 24, 2023 at 1:28 PM
Advertisement
Avatar
JACOBANDNICKOLAS
  • CERTIFIED EXPERT
  • 110,175 POSTS
Hi,

Which fuse did you check? Did you confirm there was power to the fuse and from it? If not, try that first.

Here is a link you may find helpful:

https://www.2carpros.com/articles/how-to-check-a-car-fuse

If that checks good, there are three relays that may be causing an issue. Check these next. If there is a different relay having the same part number, switch them. If there isn't, here is a link that explains how to test a relay:

https://www.2carpros.com/articles/how-to-check-an-electrical-relay-and-wiring-control-circuit

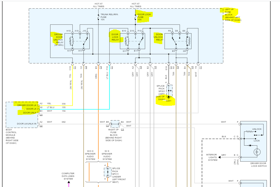
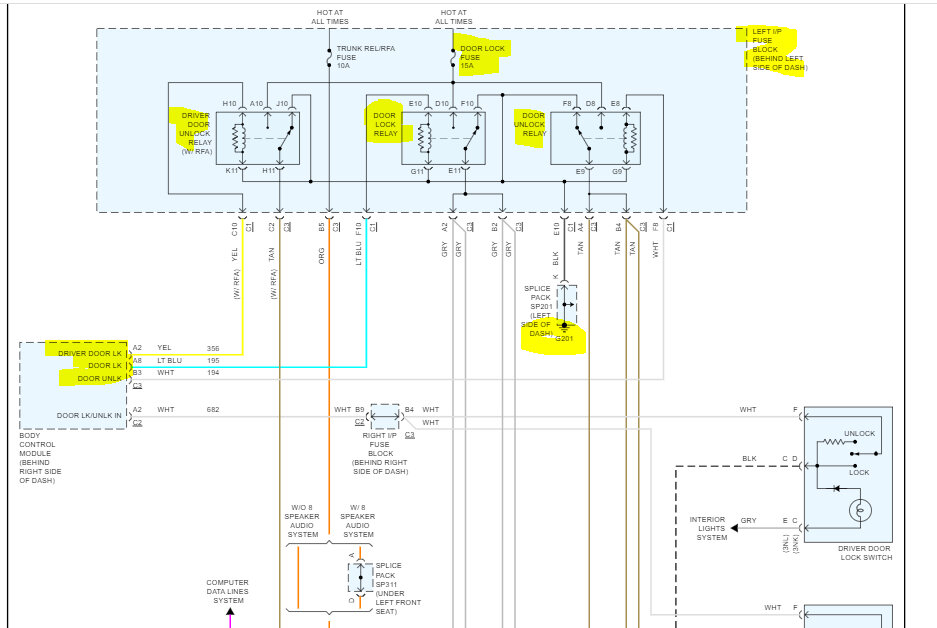
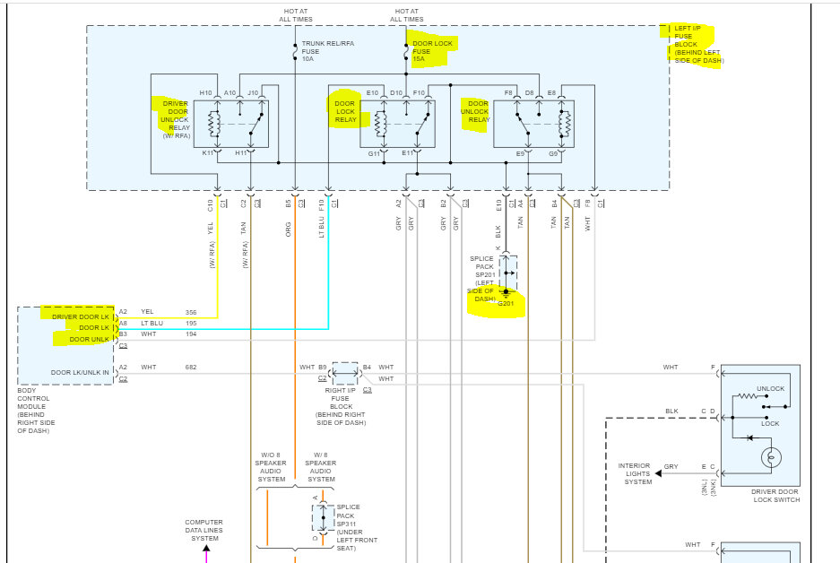
I attached a pic below of the wiring schematic. Check these things and let me know the results.

Take care,

joe

See pic below.
Mar 25, 2023 at 9:49 PM
Avatar
LEIGHANDERSON
  • MEMBER
  • 3 POSTS
Hi, I checked the fuses and relay's and it turns out that 2 of my relays ( the lock and unlock ones) are corroded and after switching them with the remote locking relay it. Thank you so much for your help!
Mar 30, 2023 at 6:29 PM
Advertisement
Avatar
JACOBANDNICKOLAS
  • CERTIFIED EXPERT
  • 110,175 POSTS
Hi,

You are very welcome and thank you for the update. I'm glad to know it is working properly again.

Take care and feel free to come back anytime in the future.

Joe
Mar 30, 2023 at 7:18 PM