auto windows do not roll up and down

2009 CHEVROLET HHR
132,000 MILES • 2.0L • 6 CYL • 2WD • AUTOMATIC
Avatar
JACKHAT
  • MEMBER
  • 3 POSTS
i replaced the window regulator on the passenger front door along with the switch on the same door. then i replaced the drivers side master switch because all windows stopped work, but now after removing the battery to reset any issues, none of the windows are working at all. please help me!!
Jun 27, 2020 at 2:47 PM
Advertisement
Avatar
JACKHAT
  • MEMBER
  • 3 POSTS
by the way, i tried everything on your website that you offer to no avail, still no power to either front doors.
Jun 27, 2020 at 3:05 PM
Avatar
JACOBANDNICKOLAS
  • CERTIFIED EXPERT
  • 110,175 POSTS
Hi,

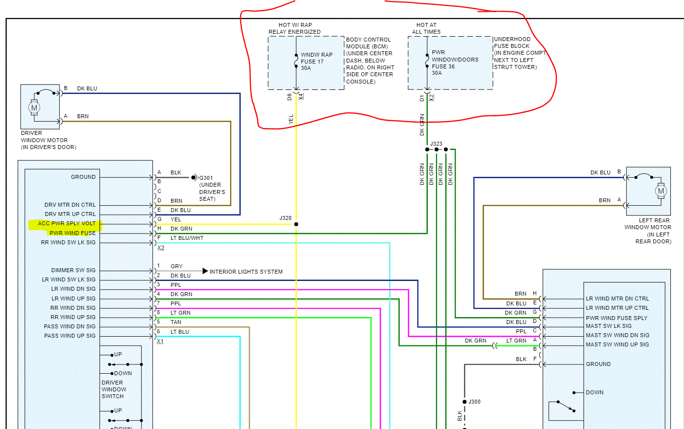
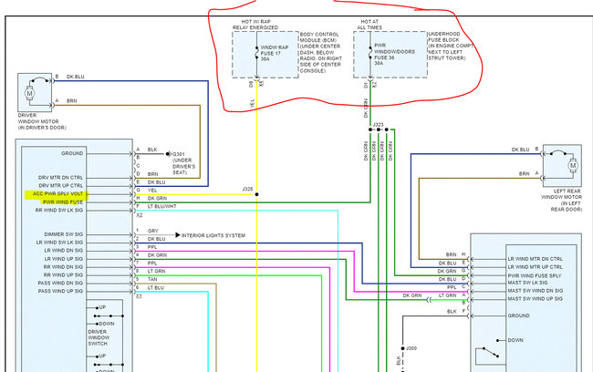
First, I need you to check the two fuses I circled in the attached pic. If they are good, confirm there is power in and out of the fuse.

If that is good, next move to the new driver's door master switch and see if there is power to the yellow wire and the dark green wire. Note that the key will need to be on when checking.

Let me know.
Joe
Jun 27, 2020 at 8:38 PM
Advertisement
Avatar
JACKHAT
  • MEMBER
  • 3 POSTS
you were right about the one fuse, the 2 amp was blown and it fixed 3 of the windows but do you know how hard it is to find 2 amp fuses?, geez whiz, anyways, i could not get the passenger window to work at all even with new motor and switch until. i start wiggling around the connections that went to the front passenger switch and was able to get it working again, hurray but i am concerned that since it was not working at first when i fixed the fuse, should i be concerned or have it looked by a mechanic with the proper tools? in case there is an unseen issue?
Jun 28, 2020 at 4:33 PM
Avatar
JACOBANDNICKOLAS
  • CERTIFIED EXPERT
  • 110,175 POSTS
Hi,

I suspect that moving the wiring simply allowed a connection to be made. With that, chances are it may happen again. Also, that may be why the fuse was blown. Did you check all of the connectors at the switch? Also, check the wires to make sure none are damaged.

Let me know what you find.

Joe
Jun 28, 2020 at 10:29 PM