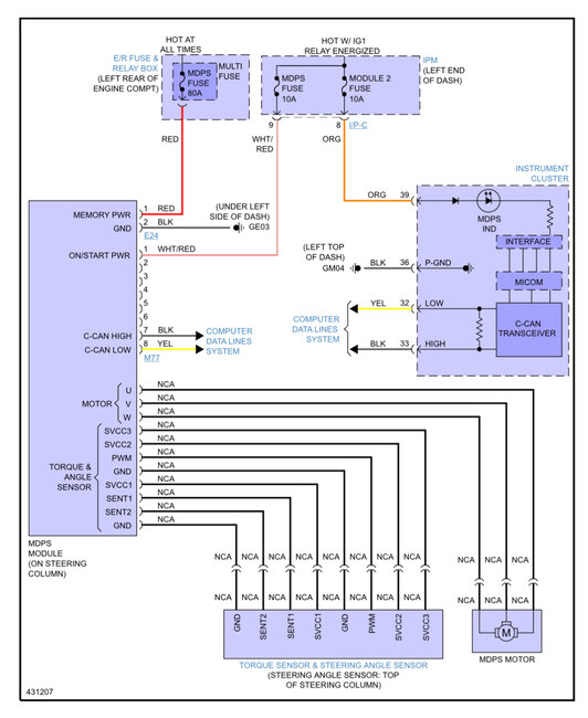
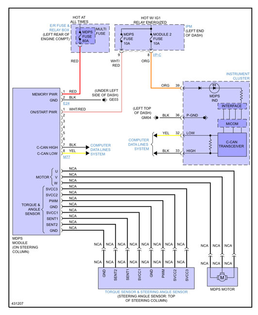
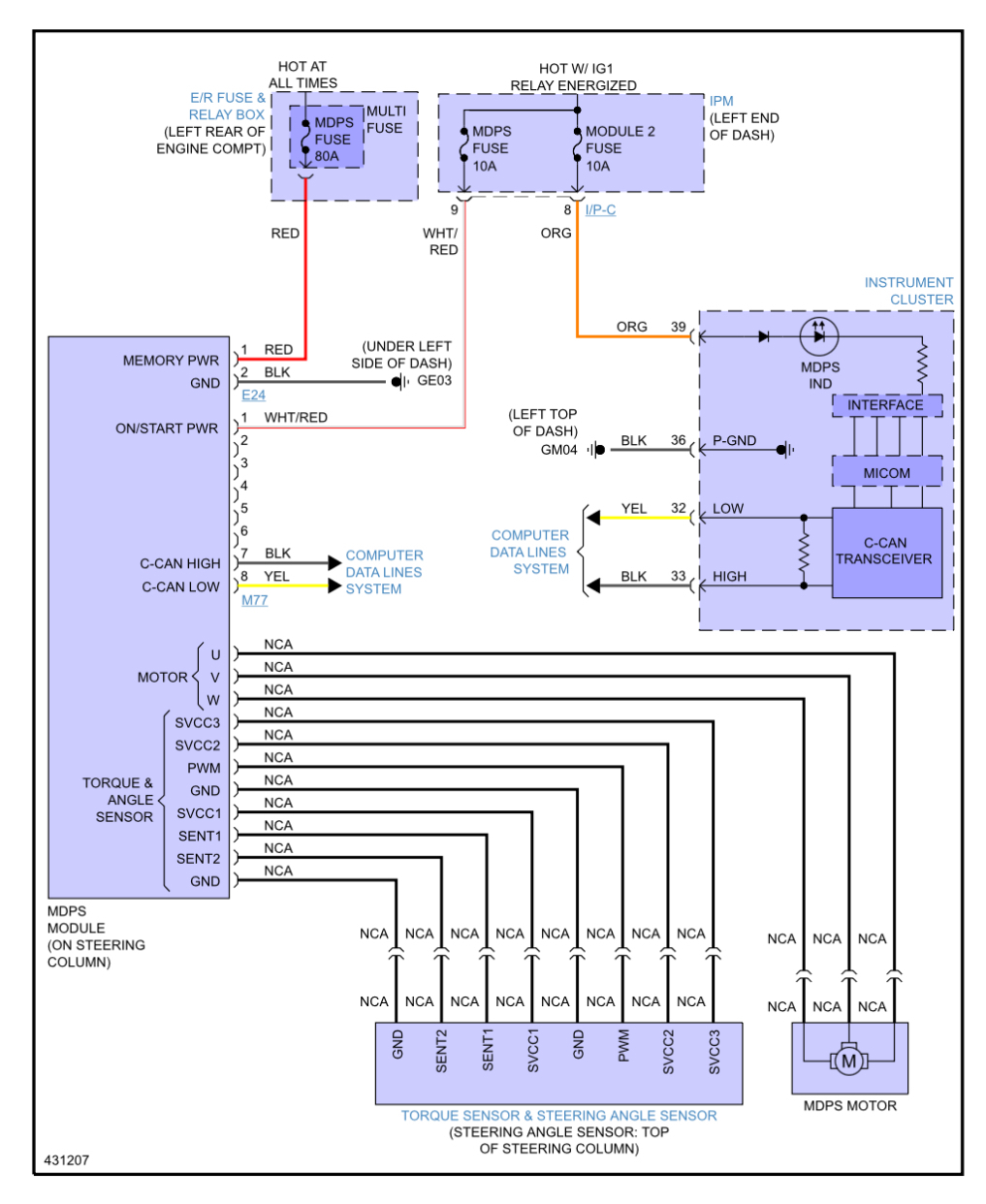
Hello, so I was driving my car, and out of nowhere, my auto hold light came on and the power steering warning light came on, then it's like the power steering went out. It is very hard to turn and almost impossible to drive with now. This has happened a couple times before, but as soon as the auto hold pops on, I pull the car over, turn it off, turn it back on. And the auto hole disappears in the car is able to be steered again. This time the auto hold is illuminated and the power steering warning light in red with an exclamation mark is illuminated, and the power steering is not working. Please help
Dec 16, 2024 at 2:16 PM


