Can I get an audio speaker wired diagram?

2014 KIA SOUL
120,000 MILES • 4 CYL
Avatar
VICMONT06
  • MEMBER
  • 2 POSTS
Need diagram radio please.
Mar 28, 2022 at 8:13 PM
Advertisement
Avatar
BORIS K
  • CERTIFIED EXPERT
  • 836 POSTS
Hello,

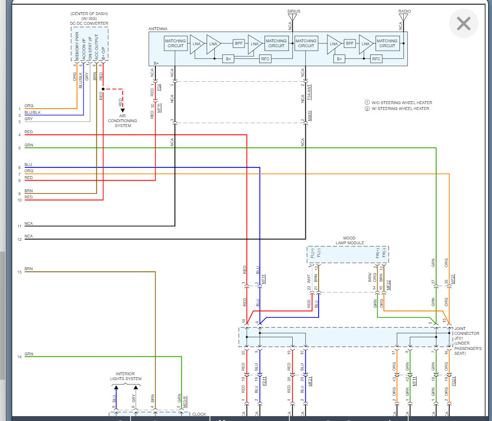
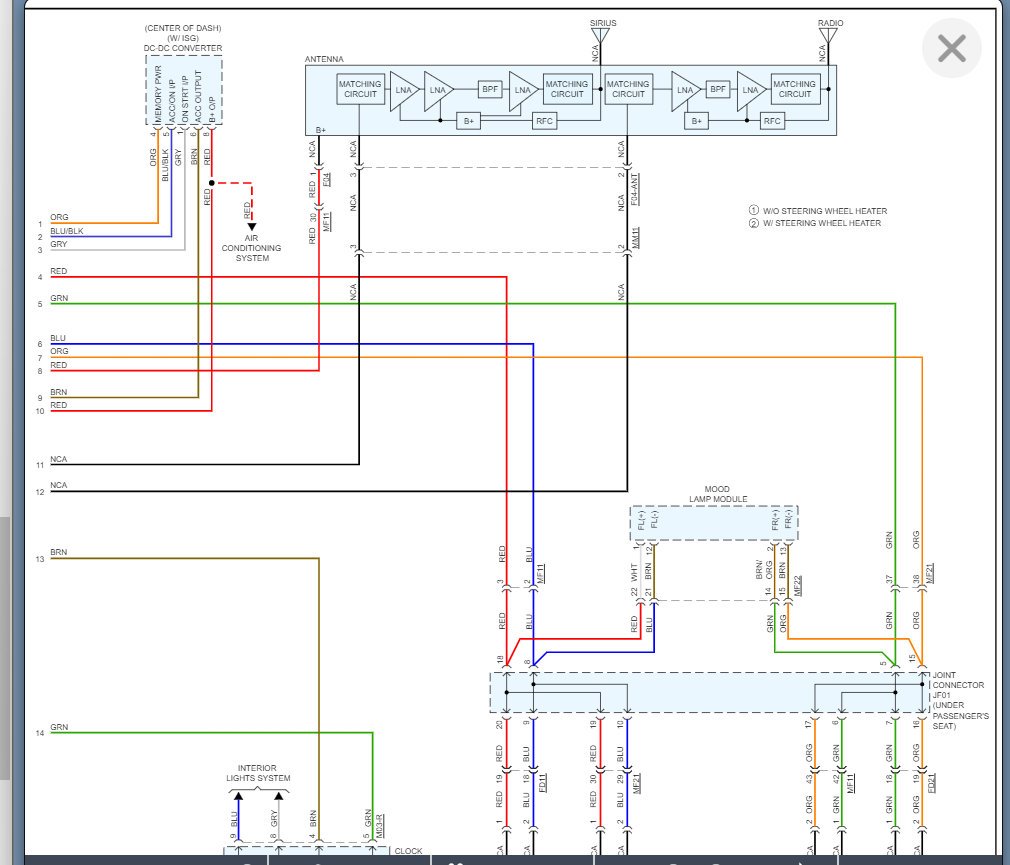
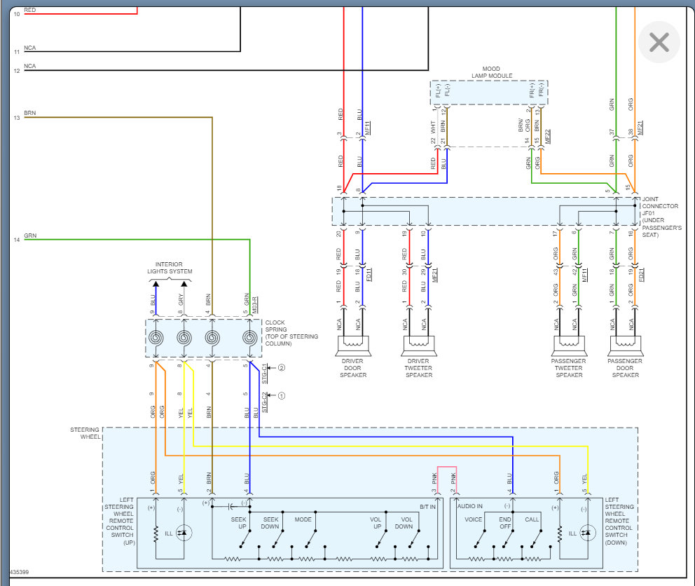
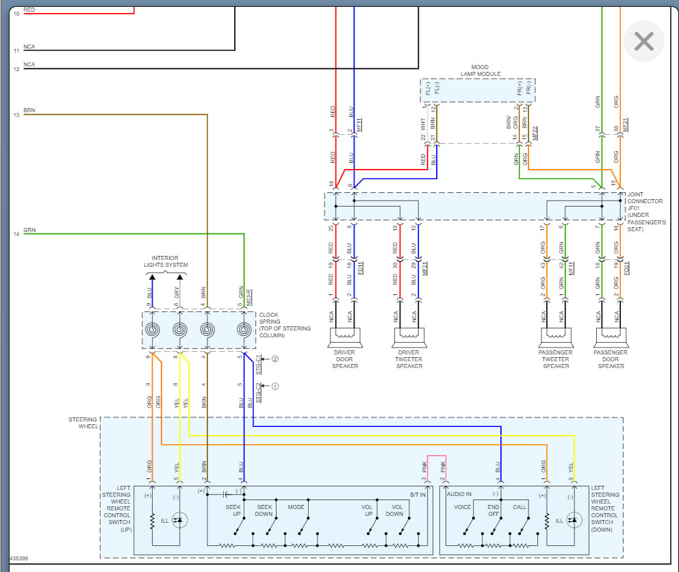
There are several options of the radio wiring diagram depending on the equipment level of your vehicle.

Please see below for the speaker wiring diagram.

Let us know how you get along.

Cheers, Boris
Mar 29, 2022 at 6:07 AM
Avatar
VICMONT06
  • MEMBER
  • 2 POSTS
And the tweeters are connected with the front speakers if yes are in serial o parallel. I want to connect amplifier, so I want to know how is the wired connection.
Mar 30, 2022 at 7:17 PM
Advertisement
Avatar
KASEKENNY
  • CERTIFIED EXPERT
  • 18,907 POSTS
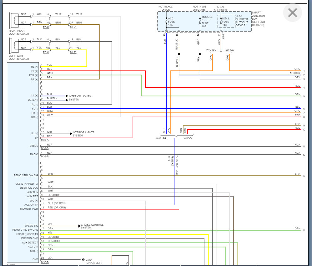
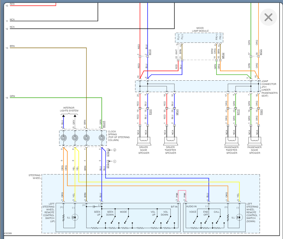
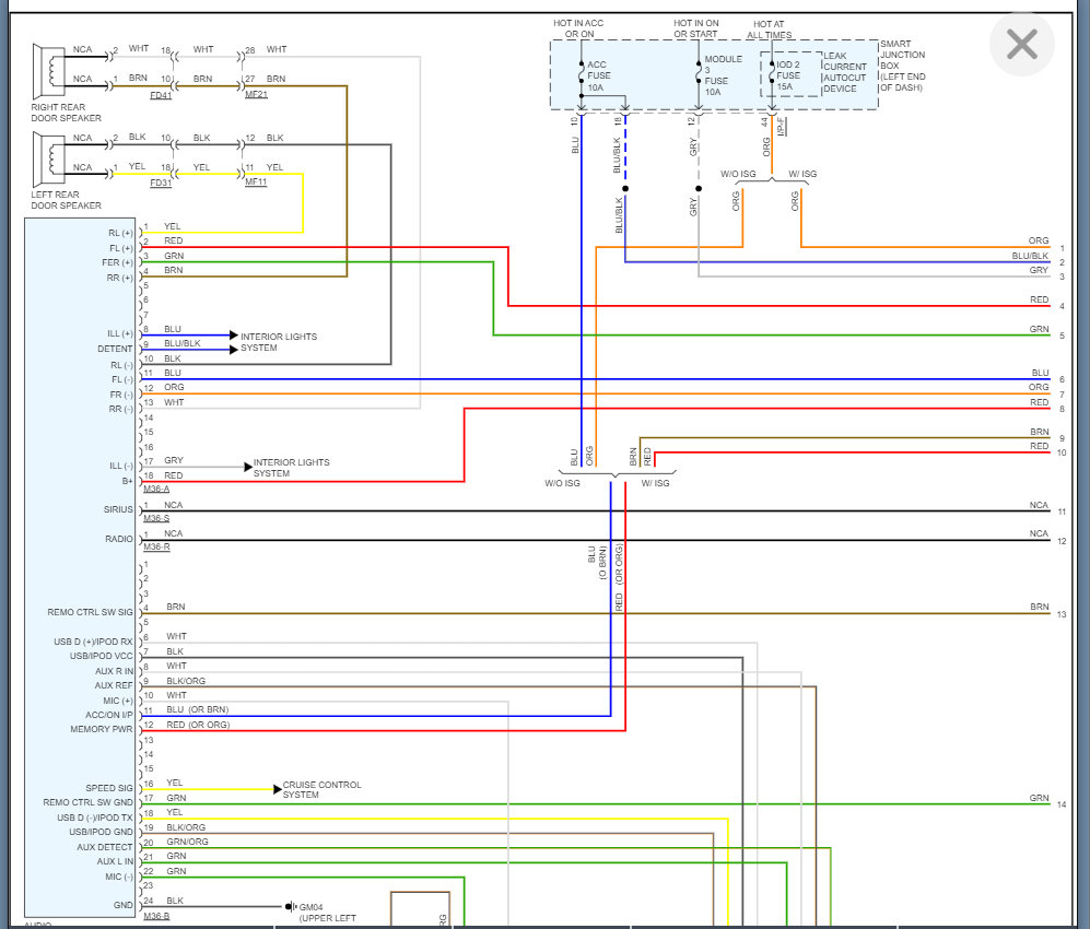
Just to jump in on this, it sounds like if you want to add an amp then you have the system that doesn't contain one. Also, I assume you don't have nav but if you do have tweeters then I am attaching the wiring diagrams below.

However, if you are looking to add an amp then the speakers are wired directly to the amp in series.

Take a look at this diagram and let us know if you have more questions.

thanks
Apr 3, 2022 at 8:47 AM