Stereo turns on but there is no sound coming from the speakers

2007 HYUNDAI SONATA
189,000 MILES • 3.3L • V6 • 2WD • AUTOMATIC
Avatar
SDLOKO
  • MEMBER
  • 1 POST
Factory stereo turns on but no sound from speakers. it just stopped working.
Jun 11, 2020 at 1:08 AM
Advertisement
Avatar
STRAILER
  • CERTIFIED EXPERT
  • 53,855 POSTS
Hello,

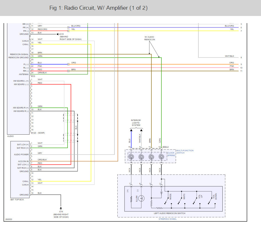
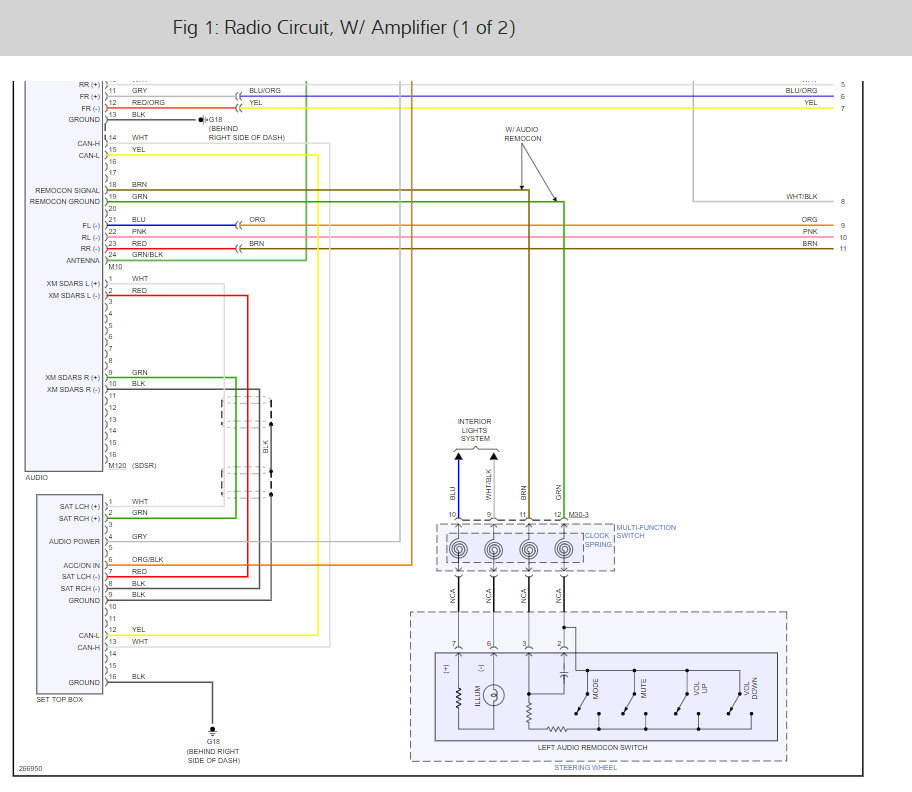
There are two fuses we need to check (audio - p-amp). here is a guide to help test the fuses and the fuse location as well as the radio wiring diagrams so you can see how the system works:

https://www.2carpros.com/articles/how-to-check-a-car-fuse

Check out the diagrams (below). Please let us know what you find. We are interested to see what it is.
Jun 11, 2020 at 12:38 PM