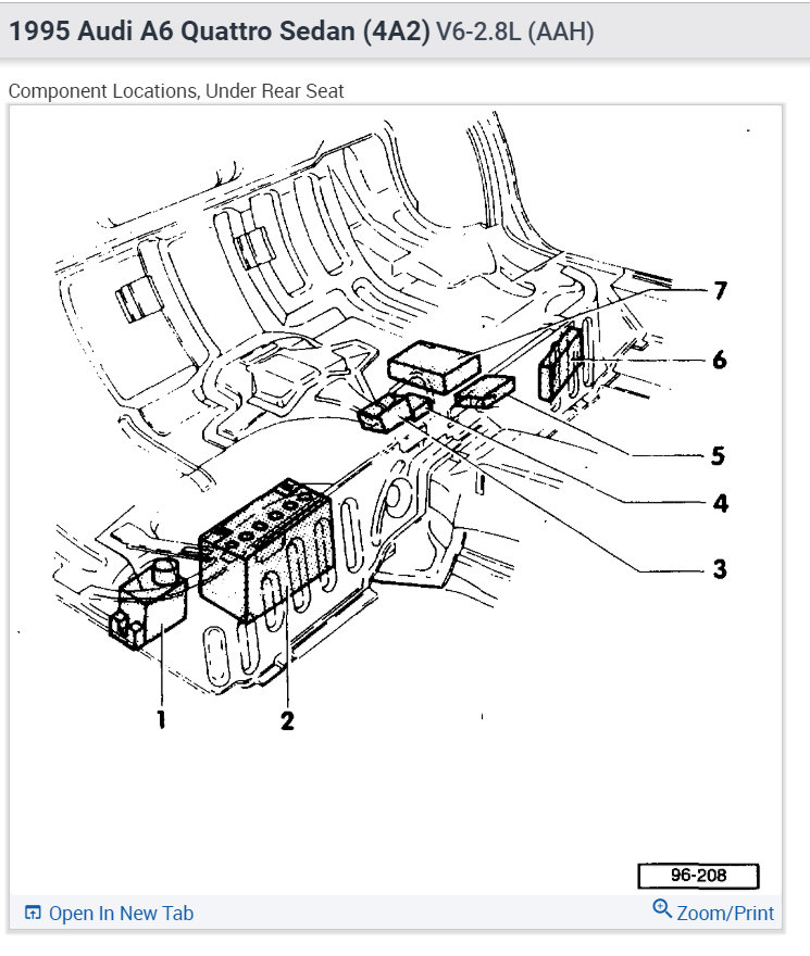
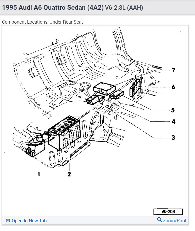
I just returned from a vacation and my car will not start. The radio will play but it will not turn over. It just makes a 'click, click, click' noise. The dealership recommended the battery be replaced. The car does not start when we try to jump start it.
Can the battery be dead when the radio and the air work?
Can my husband change the battery or do you need special tools?
Can the battery be dead when the radio and the air work?
Can my husband change the battery or do you need special tools?
Apr 11, 2008 at 4:14 PM


