Good day,
Someone tried to steal my vehicle. They have cut and pulled out all the wires out of the connector D on the ECU.
If someone may kindly assist me. I just need to get an auto electrician to re-wire. I live in South Africa, and the auto electricians tell me the same story they need a schematic diagram or photo of the wires that plugs into the plug.
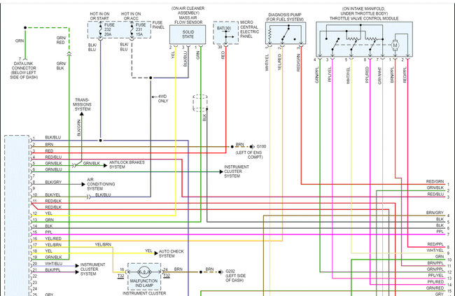
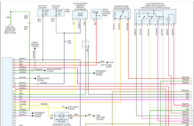
The 16-pin plug 443 972 805. I need the color wire diagram on the 16-pin piggyback plug. I really need to get my car sorted out for my children.
If someone may please help me urgently.
Thank you,
Tanya
Audi A4 2.6 ABC Hella 4A0 907 473 P MPFI+ASR 5DA 007 193-13
Someone tried to steal my vehicle. They have cut and pulled out all the wires out of the connector D on the ECU.
If someone may kindly assist me. I just need to get an auto electrician to re-wire. I live in South Africa, and the auto electricians tell me the same story they need a schematic diagram or photo of the wires that plugs into the plug.
The 16-pin plug 443 972 805. I need the color wire diagram on the 16-pin piggyback plug. I really need to get my car sorted out for my children.
If someone may please help me urgently.
Thank you,
Tanya
Audi A4 2.6 ABC Hella 4A0 907 473 P MPFI+ASR 5DA 007 193-13
Nov 22, 2021 at 5:00 AM







