Automatic transmission controller pinouts on 26 pin plug?

1996 MITSUBISHI COLT
300,000 MILES • 3.0L • V6 • 4WD • AUTOMATIC
Avatar
ESIAS NOTHLING
  • MEMBER
  • 4 POSTS
Looking for pinouts for rpm signal and TPS to gearbox controller it has a 26pin plug part number on controller mr145308.
Jun 1, 2025 at 10:56 AM
Advertisement
Avatar
STEVE W.
  • CERTIFIED EXPERT
  • 15,113 POSTS
I need to ask a couple questions first. Is this a Colt pick-up sold in South Africa? Asking because the Colt car wasn't sold in the US. Is it a diesel or gasoline engine? I'm not sure if I can find much on it as a Colt, but they did sell a version of it as a Dodge Ram small truck and possibly they used the same parts.
Jun 2, 2025 at 10:44 AM
Avatar
ESIAS NOTHLING
  • MEMBER
  • 4 POSTS
Hi,

Yes, it is a pickup in SA also sometimes called a L200 pickup. (4x4)Its a v6 sohc 24v gasoline engine. I also found this site for help on diagrams but not any luck as of yet... https://charm.li/.
Thank you please let me know if you find something.

Esias Nothling

Jun 2, 2025 at 11:18 AM
Advertisement
Avatar
STEVE W.
  • CERTIFIED EXPERT
  • 15,113 POSTS
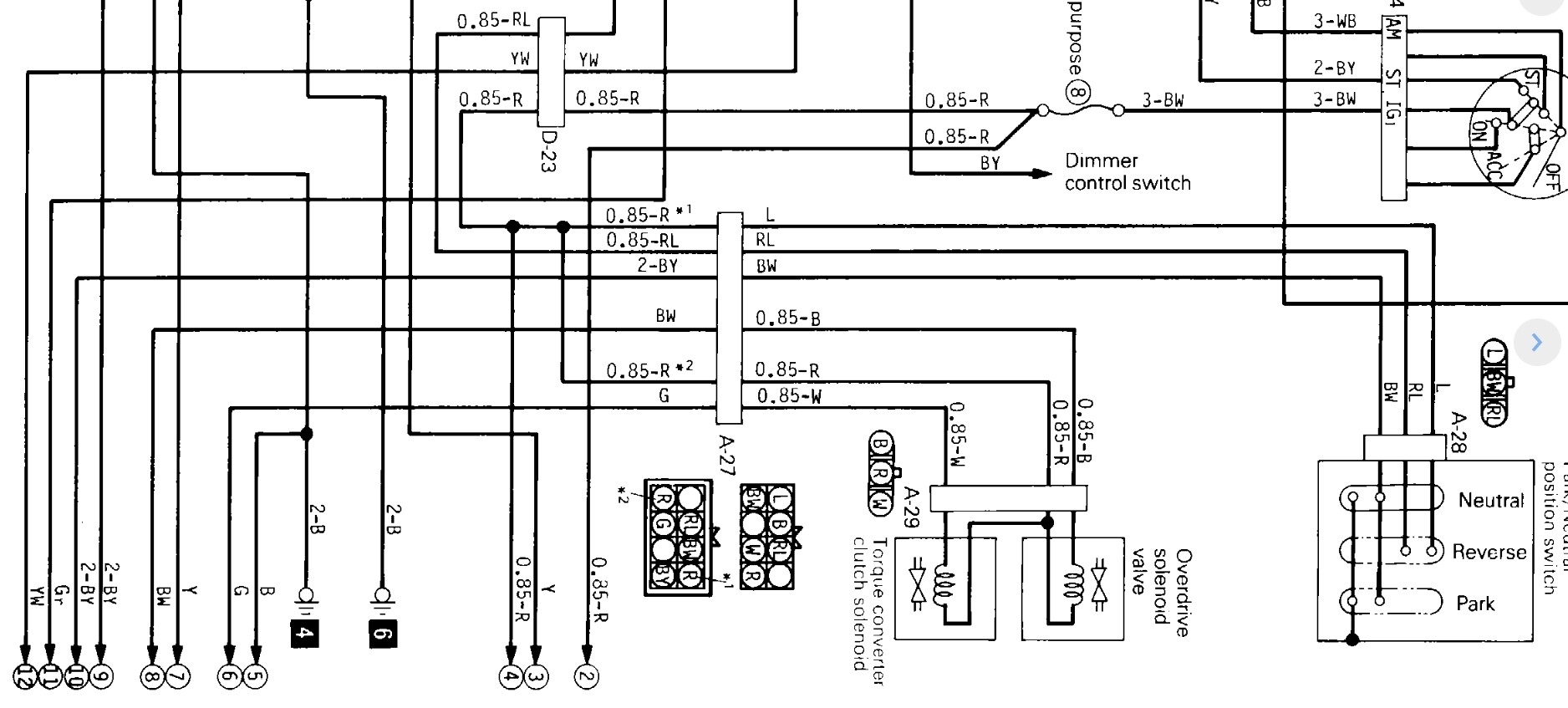
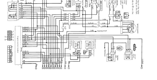
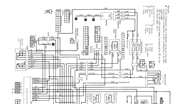
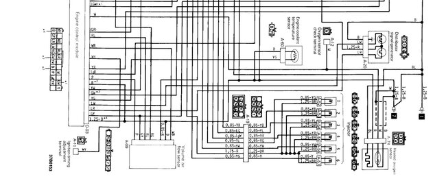
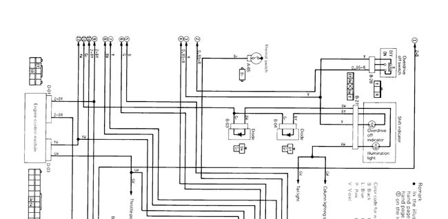
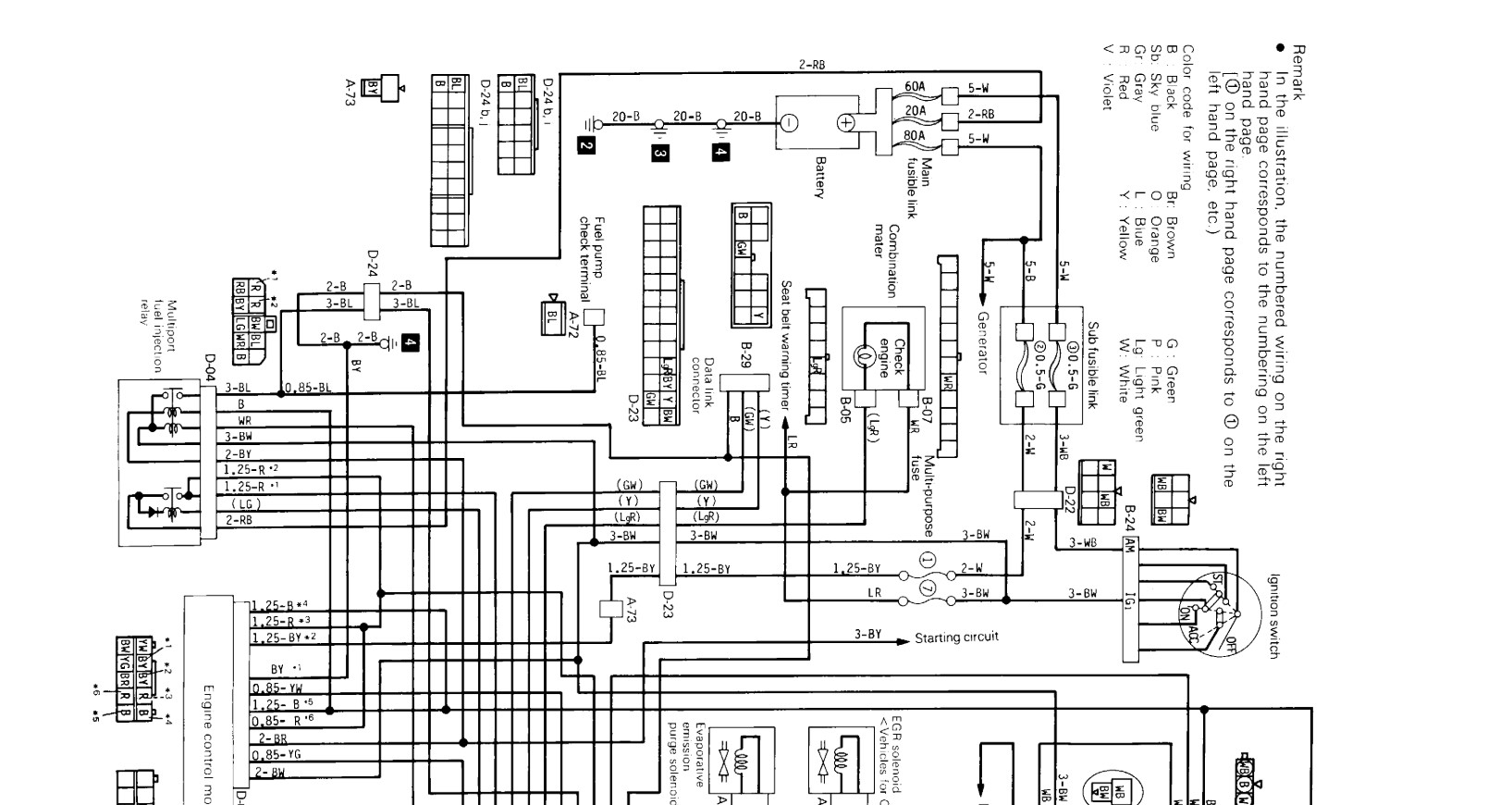
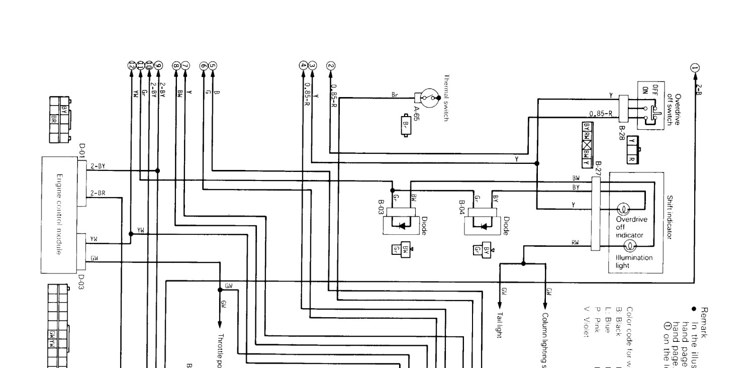
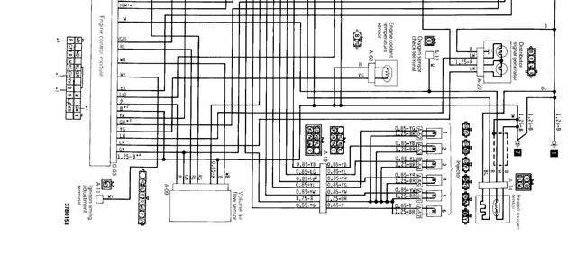
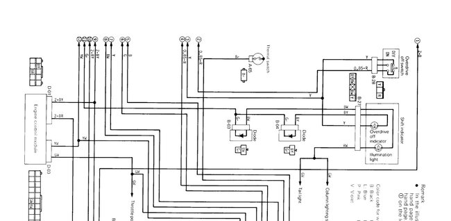
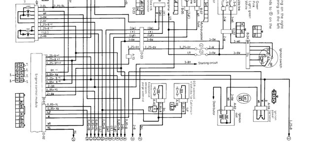
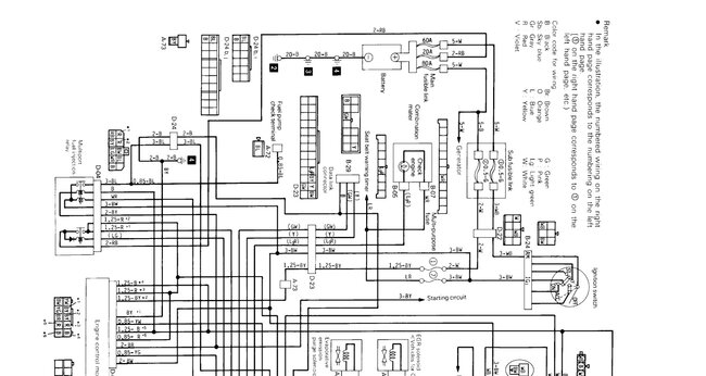
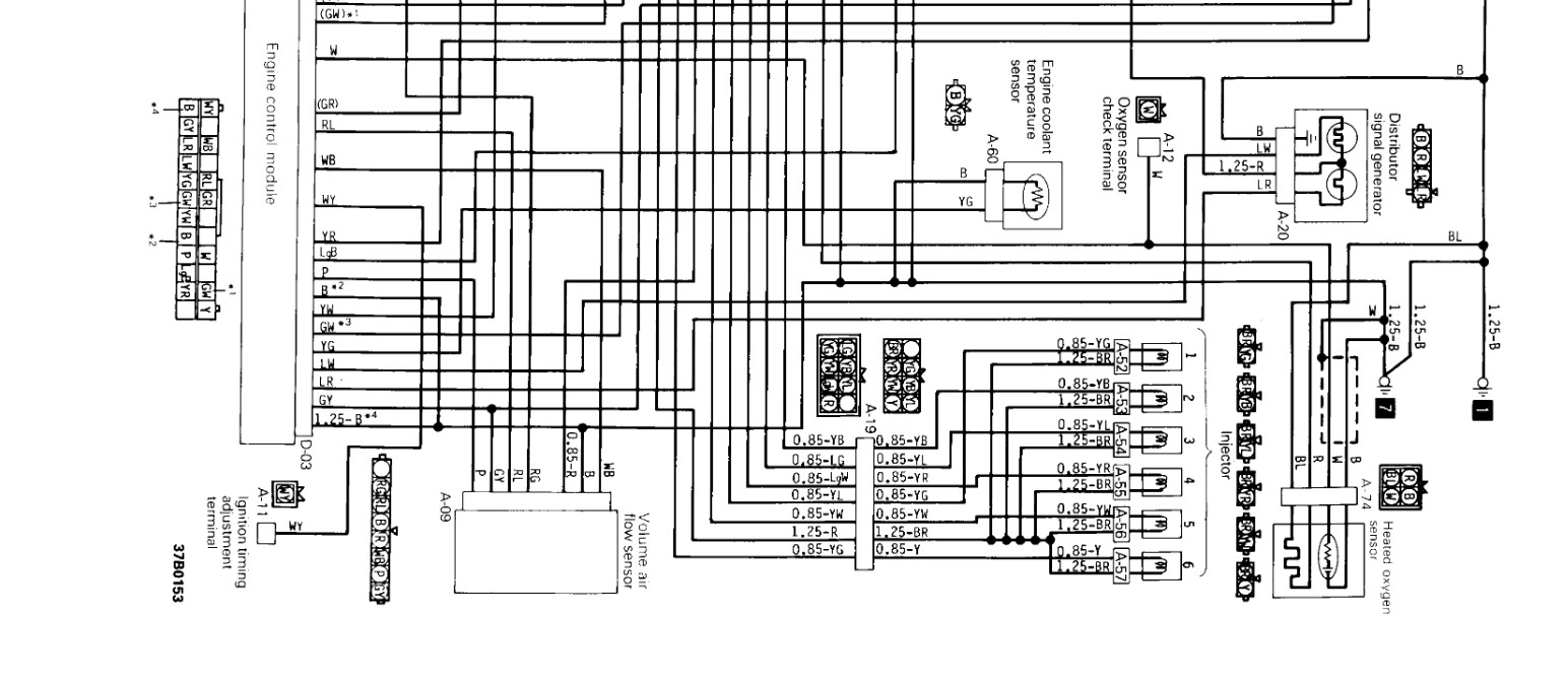
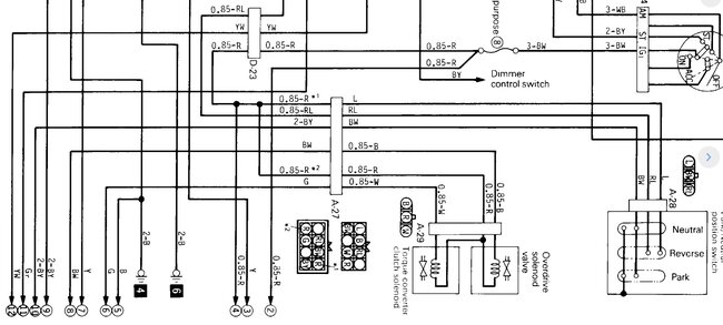
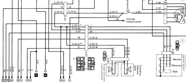
Well I have been digging around and this is the only thing I've really found. These are for the Mighty Max in 1995 with the low emissions and automatic transmission. The first 4 are transmission. Last 4 are engine. However, it was being sent to the US so things may be different.
Jun 4, 2025 at 1:34 PM
Avatar
ESIAS NOTHLING
  • MEMBER
  • 4 POSTS
Hi, thank you will check and let you know.
Jun 6, 2025 at 12:25 PM
Avatar
ESIAS NOTHLING
  • MEMBER
  • 4 POSTS
Hi, sorry found a lot of diagrams and more info on those bakkies diesel and gasoline if you are interested.
Jun 6, 2025 at 12:26 PM
Avatar
STEVE W.
  • CERTIFIED EXPERT
  • 15,113 POSTS
I'm always interested in information on vehicles our sources don't cover, just for instances like this.
Jun 6, 2025 at 12:38 PM