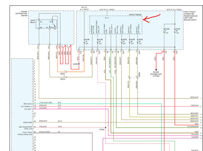
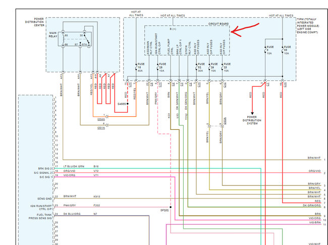
No power to fuses 23, 26, 32 for the ASD output. if I put a temporary jumper between fuse 11 and fuse 23, to power up the ASD relay output circuit, is it okay to drive it like this for a couple of trips until I get the relay box corroded wire problem fixed? Forgot to add, P0688 is the only code. Also, I'm assuming that 23, 26, and 32 are all tied together. At least that's the way the diagrams make it look.
Mar 10, 2025 at 12:41 PM














