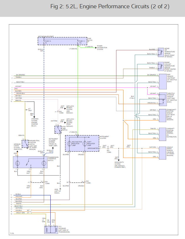
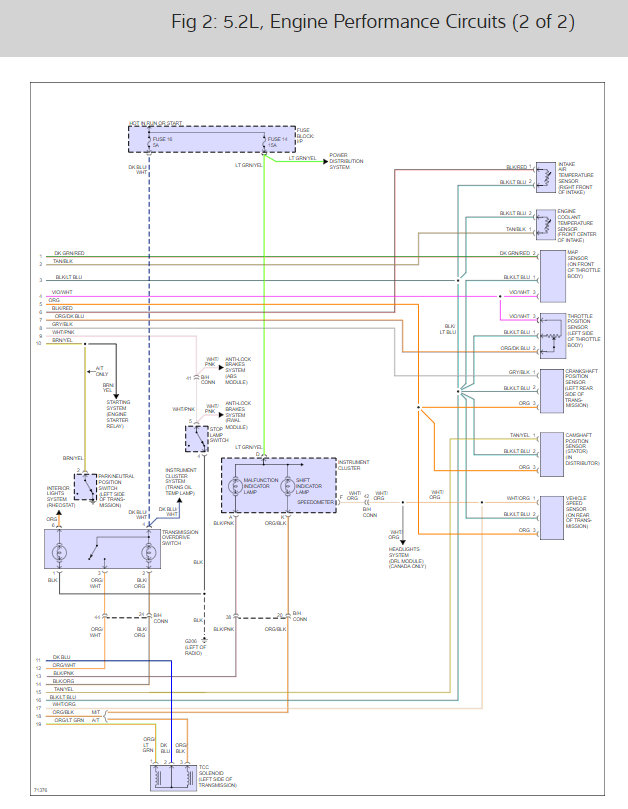
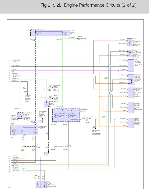
On in initial "key on" the relay does not close. Shorting the wire to pin 51, at the PCM, closes the relay and gives me fuel press. and spark. Manually turning the engine causes the ASD relay to close momentarily (when it receives signal from cam sensor). Same results on three PCM's, one rebuilt.
Thanks,
Jack
Thanks,
Jack
Jun 26, 2018 at 3:16 PM

