Where is the ASD automatic shutdown relay located?

2008 TOYOTA AVALON
340,000 MILES • 3.5L • V6 • 2WD • AUTOMATIC
Avatar
JOSHUABITNER
  • MEMBER
  • 8 POSTS
My car is not starting it will crank but it does not start.
Jun 3, 2023 at 6:29 AM
Advertisement
Avatar
AL514
  • CERTIFIED EXPERT
  • 5,465 POSTS
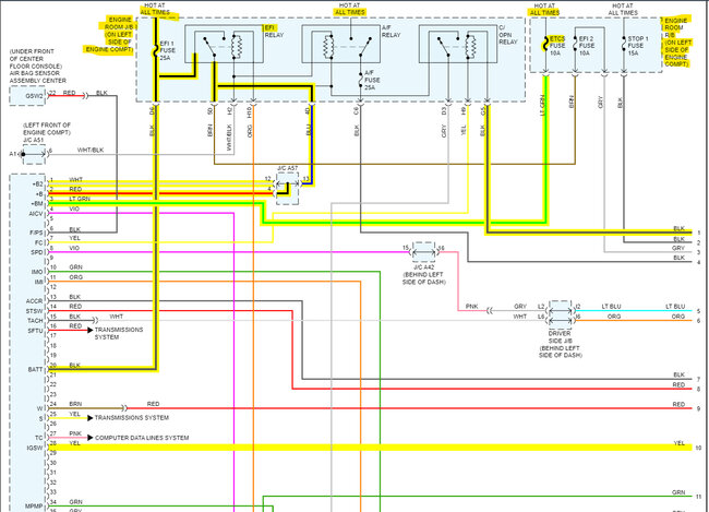
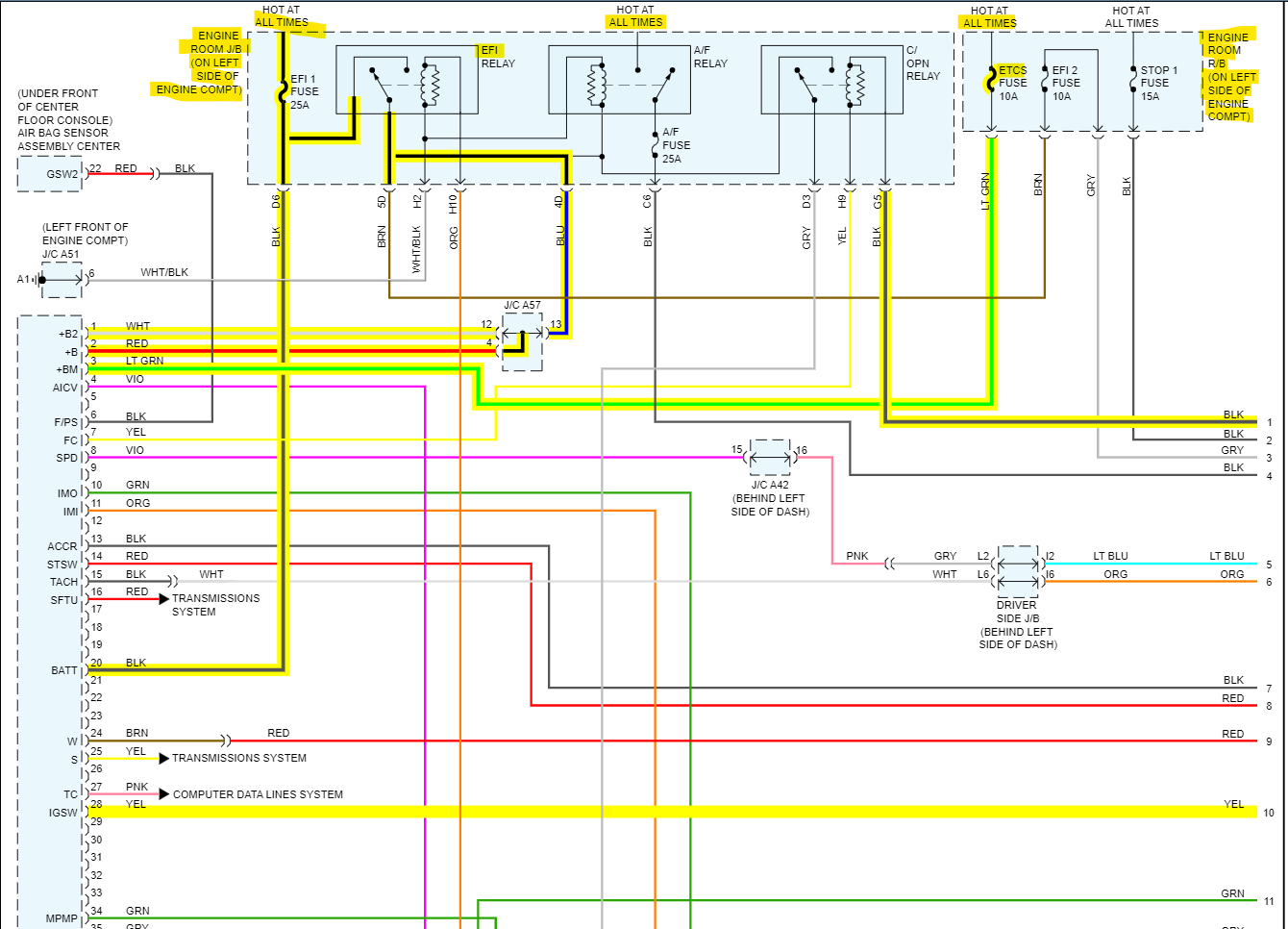
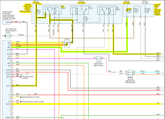
Hello, do you have the Check Engine light come on when you turn the key to just the On/Run position? If so, do you know if you're missing ignition spark? I'll post the wiring diagrams that power up the ECM. Toyota doesn't call it an ASD relay, they call the ECM power relays an EFI relay, and A/F Relay and the C/Open Relay. but you'll see all these on the wiring diagrams.
Do you need the ECM pinout diagrams as well?

https://www.2carpros.com/articles/how-to-check-a-car-fuse

https://www.2carpros.com/articles/how-to-check-an-electrical-relay-and-wiring-control-circuit
Jun 3, 2023 at 10:54 AM
Avatar
STRAILER
  • CERTIFIED EXPERT
  • 53,854 POSTS
There is no ASD relay, those are mostly on Chrysler cars, there is a Main EFI Relay, A/F Relay and a C Open Relay. Here is the engine computer power system in the images below and a guide that I think might help you.

https://www.2carpros.com/articles/car-not-running-advanced


Does it have any codes?

https://www.2carpros.com/articles/checking-a-service-engine-soon-or-check-engine-light-on-or-flashing

Check out the images (below). Please let us know what you find.
Jun 3, 2023 at 10:56 AM
Advertisement
Avatar
JOSHUABITNER
  • MEMBER
  • 8 POSTS
Yes, many codes.
Jun 7, 2023 at 11:06 PM
Avatar
AL514
  • CERTIFIED EXPERT
  • 5,465 POSTS
What codes are you getting? and add the letter before the number as well, (ie P, U, B etc) Any codes will help give us directions as to testing, we need a starting point.
Jun 8, 2023 at 8:26 AM
Avatar
JOSHUABITNER
  • MEMBER
  • 8 POSTS
I would tell codes, but my CEL doesn't come on when key is switched to on position. I bought an autel 329 but it keeps showing linking error.
Jun 8, 2023 at 3:57 PM
Avatar
AL514
  • CERTIFIED EXPERT
  • 5,465 POSTS
Okay, that means the ECM is not powering up or you lost power to the Data Link Connector. I assume you are dealing with a "crank no start" situation? I'll pull up the diagram for the DLC so you can check it for power. Is the cooling fan staying on when the key is in the on position? That is a sign of a communication problem.

This is the Data Link Connector where you plug your scan tool in, pin 16 should have Battery voltage all the time. Pins 4 and 5 are Grounds,

And on pin 6 is Canbus High and pin 14 is the Canbus Low. Those are the high speed communications pins. With a multimeter you should average 2.5volts on either of these pins with the other multimeter lead on a ground. Canbus High and Low should mirror each other just opposite voltages. So Canbus High will signal 2.5 to about 3.75volts. While canbus Low will signal 2.5 down to 1.25volts. With a bias voltage of 2.5volts.
But because a multimeter can only average a voltage at such a high speed like the BUS is, you will see mostly 2.5volts on each. If you happen to see either High or Low at 12volts or 0volts or anything else odd like that, that's an issue.
But check that you have voltage on pin 16 using pins 4,5 as a ground. Just touch the DLC pins lightly, dent jam meter leads into the DLC.
If you have 12volts on pin 16, turn the key On and check the network pins to see if there is any activity, or any shorted circuits.
It sounds like the ECM is down though.
Go through all your fuses with a test light first. If the fuses check out, then we can check for power and ground at the ECM.

https://www.2carpros.com/articles/how-to-check-a-car-fuse
Jun 8, 2023 at 4:34 PM
Avatar
JOSHUABITNER
  • MEMBER
  • 8 POSTS
No, the fan doesn't run.
Jun 8, 2023 at 4:42 PM
Avatar
AL514
  • CERTIFIED EXPERT
  • 5,465 POSTS
Refresh this page and look at my last post. There's info there for you. I will pull up some more power diagrams as well.
This IGN Fuse 10amp sends power to the ECM and to the EFI relay and C/Open Relay which in turn powers up other sections of the ECM diagrams 1,2. Diagrams 3,4 are the ECM Grounds and there are quite a few of them. If you need Ground locations let me know, but check power at the IGN fuse with the key on first.
Jun 8, 2023 at 4:57 PM