Radiator fan relay location?

2013 CHEVROLET CRUZE
135,000 MILES • 1.4L • 4 CYL • 2WD • AUTOMATIC
Avatar
AMITH KUMAR
  • MEMBER
  • 27 POSTS
The radiator fans are not working they told me it was the relay but I cant find it can you help?
Jul 31, 2021 at 10:48 AM
Advertisement
Avatar
KASEKENNY
  • CERTIFIED EXPERT
  • 18,907 POSTS
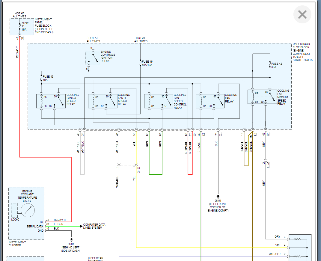
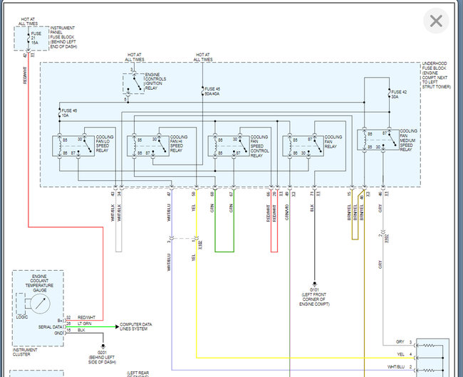
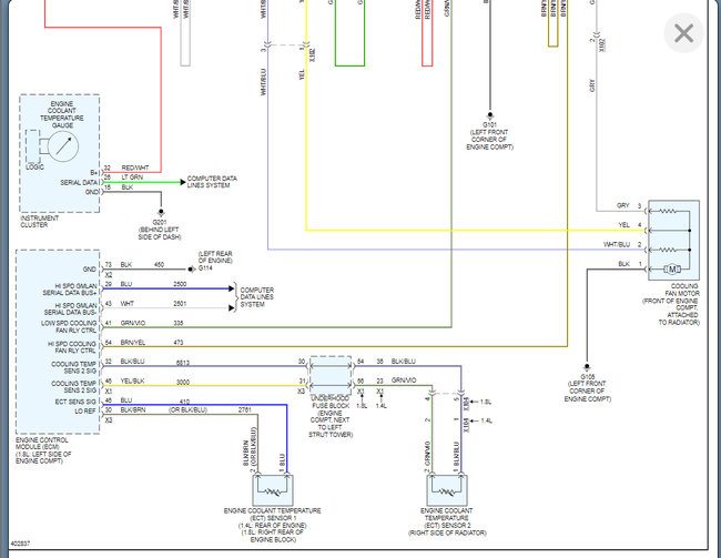
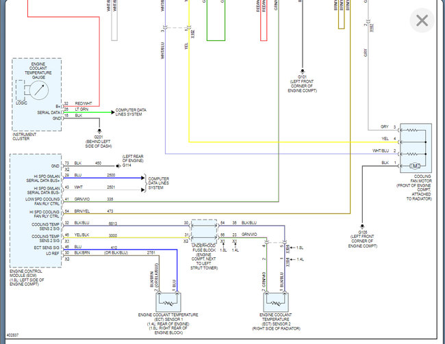
You have 5 relays for the cooling fans. Basically one for each speed and fan so we need to start with checking fuse 42 and 46 to find out if there are okay.

Here are a couple guides that will help with this:

https://www.2carpros.com/articles/how-to-check-a-car-fuse

https://www.2carpros.com/articles/how-to-check-an-electrical-relay-and-wiring-control-circuit

I am attaching the info on this including the wiring diagrams and the fuse block location and layout info.

Please let us know if you have questions on this but if the fuses are okay then we need to find out if the relays are okay and we can check voltage or just test and replace the relays.

Thanks
Aug 3, 2021 at 7:56 PM