I am probably chasing more than one problem with this vehicle. I have located vacuum leaks from the intake.
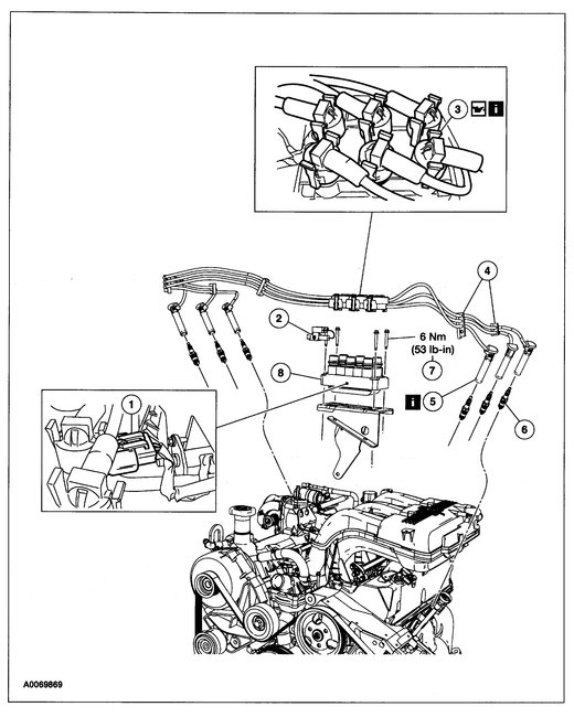
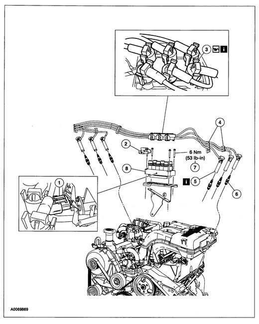
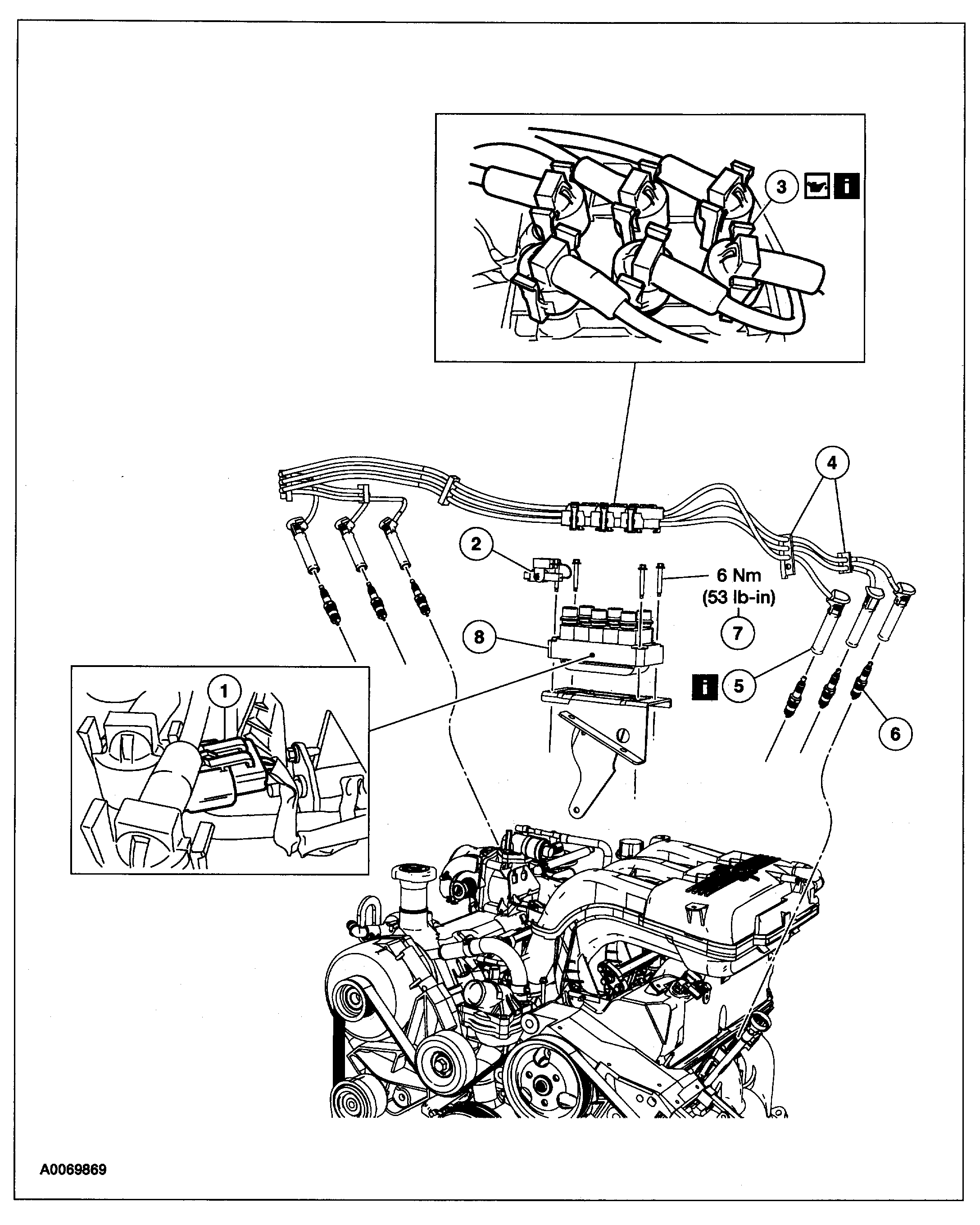
This question is about the coil. It has a waste spark system. Cylinder 3 is not contributing, but it does have a very strong spark. 1,2 and 3 all have a spark that will jump over 2 inches. 4,5 and 6 are significantly less, but still strong. 1, 2 and 3 have an arc inside their towers while the spark plug wires are completely out of range. Spraying water on the coil and wires did not cause a visible or audible. arc or leak.
Does the arc inside the towers confirm that the coil is bad? I usually don't like replacing parts unless I am sure that it will fix the problem.
This question is about the coil. It has a waste spark system. Cylinder 3 is not contributing, but it does have a very strong spark. 1,2 and 3 all have a spark that will jump over 2 inches. 4,5 and 6 are significantly less, but still strong. 1, 2 and 3 have an arc inside their towers while the spark plug wires are completely out of range. Spraying water on the coil and wires did not cause a visible or audible. arc or leak.
Does the arc inside the towers confirm that the coil is bad? I usually don't like replacing parts unless I am sure that it will fix the problem.
Dec 5, 2020 at 4:22 PM




