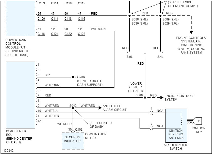
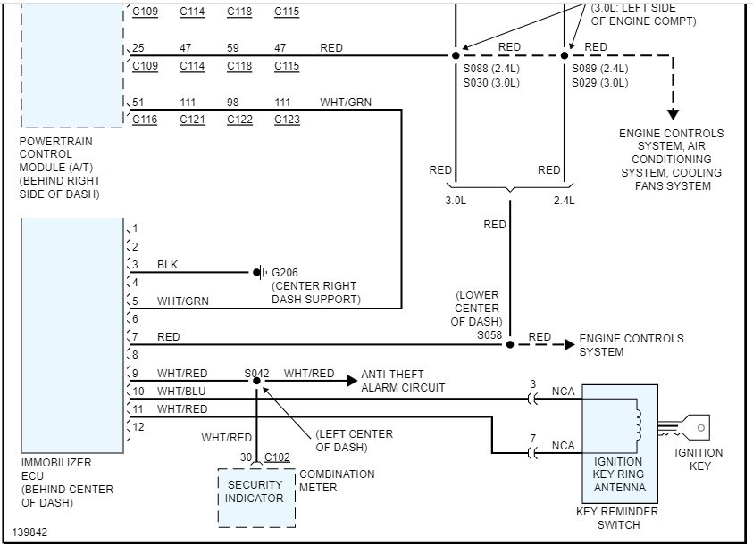
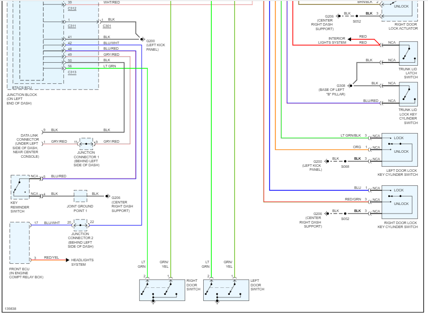
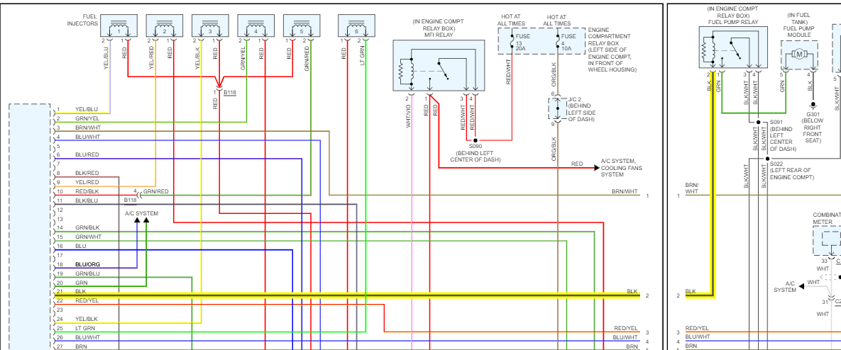
I bought a car that I had to replace ignition switch but installed a push start. I need a diagram or schematic for system circuits due to original owners cut a lot of wires that I'm not sure what they connect to.
Jul 23, 2022 at 12:57 PM



















