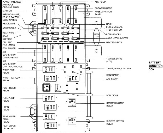
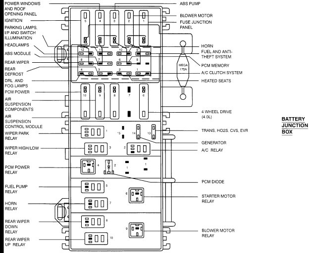
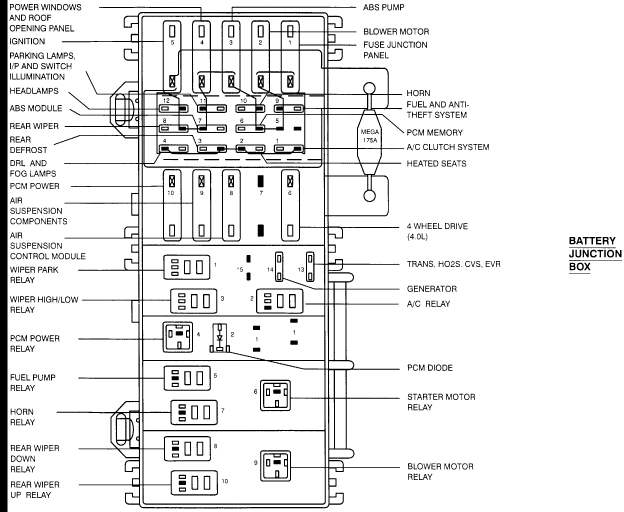
I put new battery cables and ends on it and it will not even turn over now. I was told it is the anti theft system so need to know how to reset or bypass the anti theft system. Somebody said unhook the battery and leave it sit for at least two days and it will reset itself, but I need my car. I have chemotherapy tomorrow.
Jun 18, 2018 at 1:28 PM

