Anti-theft system

1999 DODGE CARAVAN
150,000 MILES • 6 CYL • AUTOMATIC
Avatar
MENDA BUCKLEY
  • MEMBER
  • 1 POST
We purchased it used, it came with only one transponder key. That key got lost so we have a new ignition put in by a locksmith. When he left the car wasn't starting, he said it wasn't his problem, it was something else. so, we watched a video on YouTube. It said if you disconnect the battery in cross the wires it should reset the security, we tried it and it worked. The other day the lock button accidentally got hit so it's set the alarm system off again since we don't have the original key and we had a new ignition put in the keys do not match the door locks. We tried to undo the battery and cross the wires like we did the first time but this time it did not work. We called the locksmith back and he said there's nothing he can do. Is there anything else I can do? She tried to bypass the Anti-Theft system.
Mar 22, 2022 at 8:07 PM
Advertisement
Avatar
KASEKENNY
  • CERTIFIED EXPERT
  • 18,907 POSTS
Unfortunately, there is not a proven way to permanently bypass the system but if your alarm is going off, the only way to disarm it using the lock is with the key. Here is a guide that talks about this:

https://www.2carpros.com/articles/how-to-reset-a-security-system

However, what I would suggest is you have the locksmith, or another locksmith cut you a metal key that fits the doors. This does not have to have a chip or be an ignition key, only match the metal key from the original lock cylinder so that you can unlock the door and trigger the disarm switch.

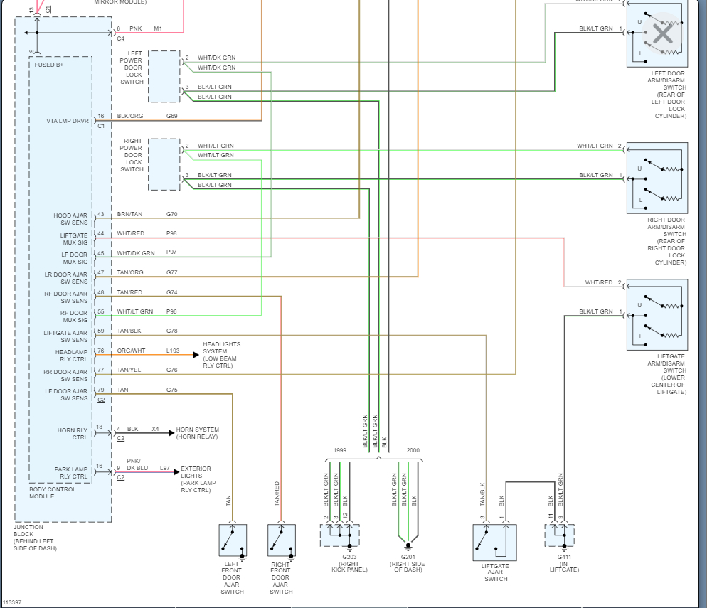
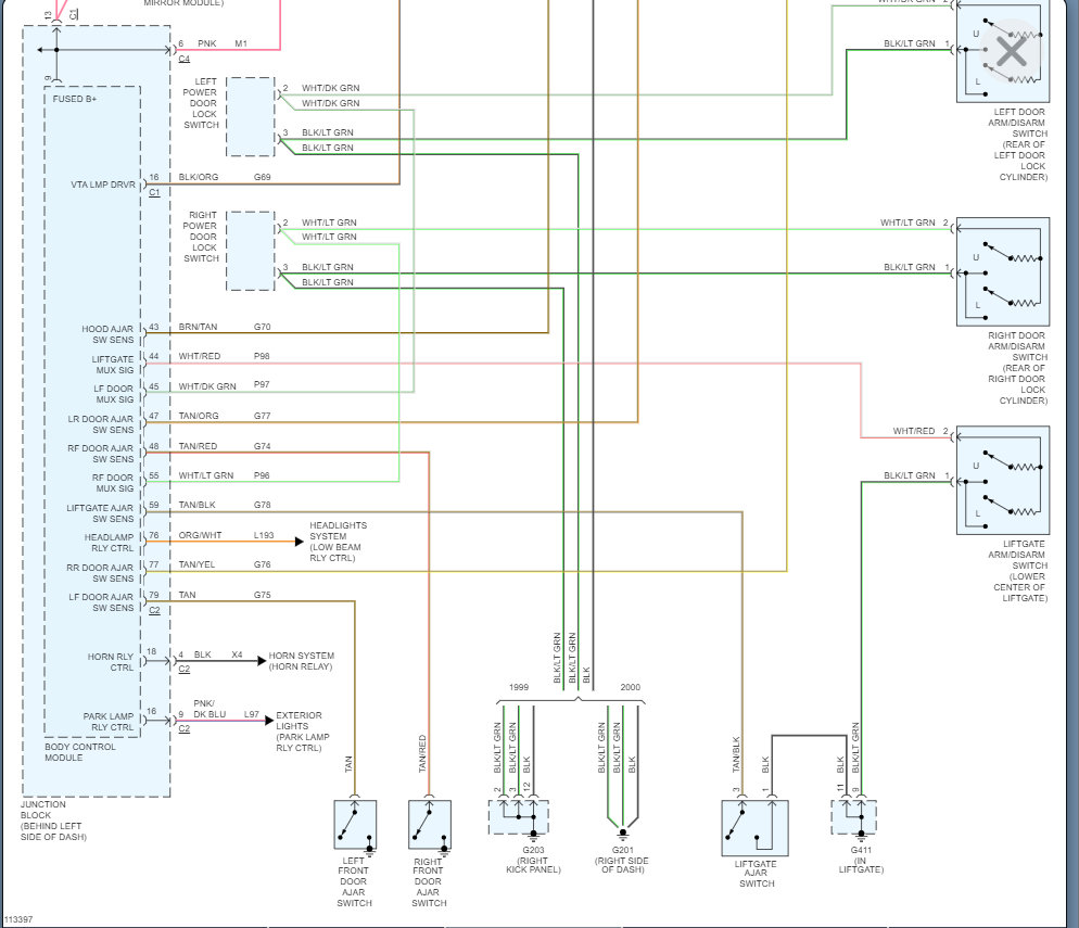
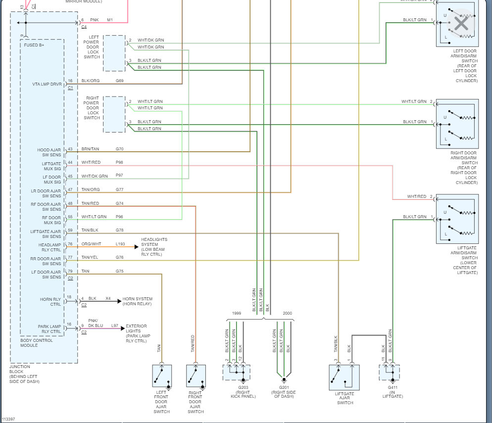
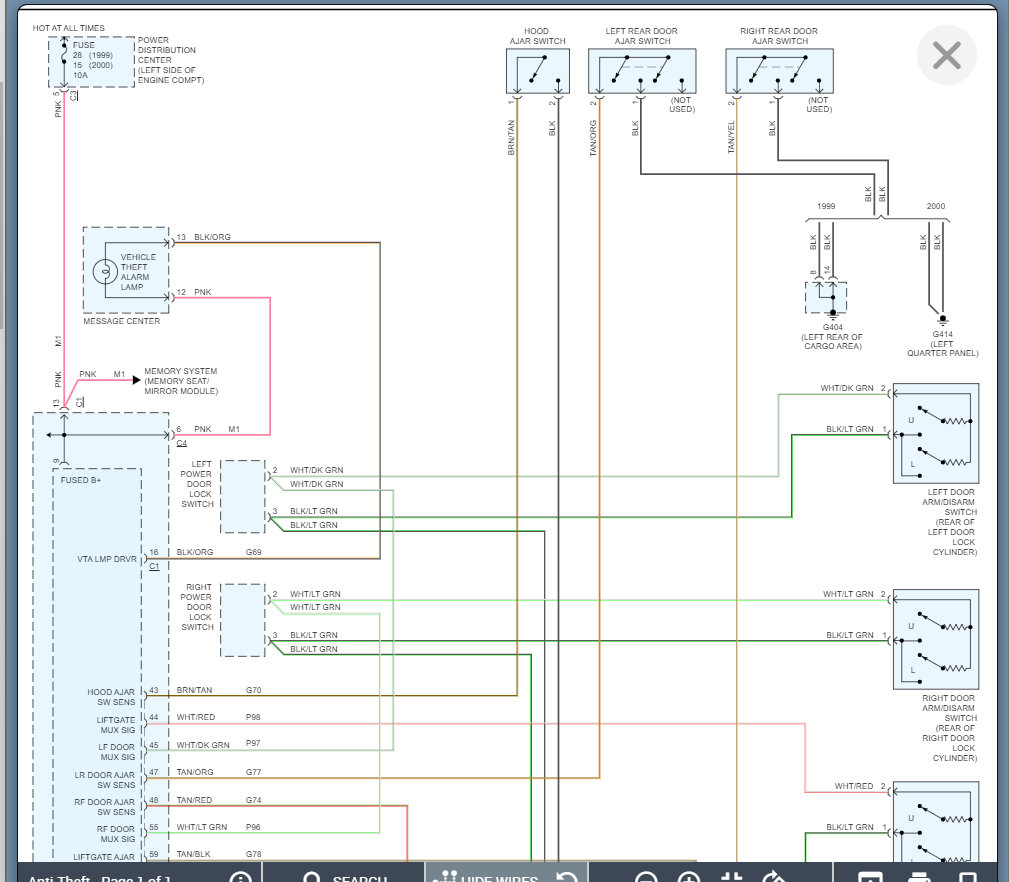
Otherwise, you are going to have to apply the proper amount of voltage to the BCM so that it thinks you unlocked the doors.

The way this works is when you unlock the door using the key, there is a voltage signal sent through a resistor and when the BCM sees this reduced voltage it knows that you unlocked the door and shuts off the alarm.

The only issue with this is to know the size of the resistor we need to unlock the lock and measure the resistance through the switch. Clearly you need a key for this. I would suggest just getting a metal key cut to what lock is in the door and that should solve this issue.
Mar 23, 2022 at 12:25 PM