Welcome to 2CarPros.
Honestly, what you described sounds like the battery was dying as you were driving. Most often, that indicates a bad alternator. What I need you to try first is this.
Disconnect the battery and recharge it.
https://www.2carpros.com/articles/how-to-charge-your-car-battery
If you don't have a charger, remove the battery and take it to a parts store. Most will charge it and then load test if for you at no charge.
https://www.2carpros.com/articles/how-to-replace-a-car-battery
Once we confirm the battery is charged and the terminals are clean and tight, start the engine. If it starts, we need to check the alternator output which is very easily done.
https://www.2carpros.com/articles/how-to-check-a-car-alternator
Here are a few links you may find helpful:
https://www.2carpros.com/articles/how-to-use-a-voltmeter
https://www.2carpros.com/articles/how-to-check-wiring
__________________
If this doesn't indicate a bad alternator, let me know. If it does, here is a link showing how to remove and replace an alternator.
https://www.2carpros.com/articles/how-to-replace-an-alternator
Here are the specific directions. The attached pictures correlate with the directions.
Generator Replacement (LE5) (2.4L Non Hybrid)
Removal Procedure
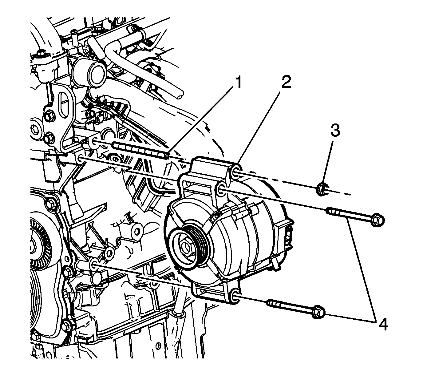
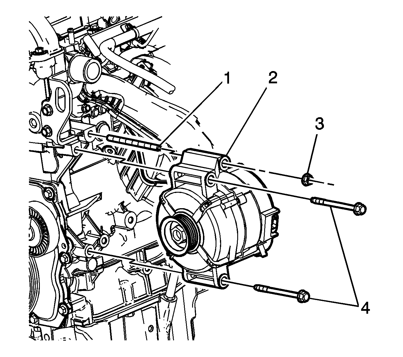
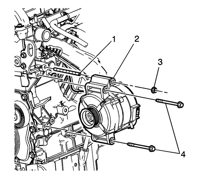
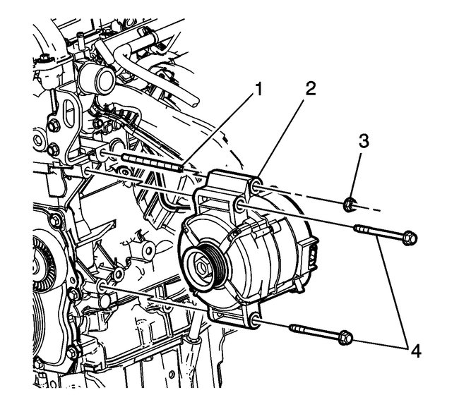
picture 1
1. Disconnect negative battery cable. Refer to Battery Negative Cable Disconnection and Connection (LZ4, LY7, and LE5) (See: Battery Cable > Removal and Replacement)Battery Negative Cable Disconnection and Connection (LAT) (See: Battery Cable > Removal and Replacement).
2. Remove the drive belt. Refer to Drive Belt Replacement (LAT) (See: Drive Belt > Removal and Replacement > Drive Belt Replacement)Drive Belt Replacement (LE5) (See: Drive Belt > Removal and Replacement > Drive Belt Replacement).
3. Disconnect the generator electrical connector (1).
4. Reposition the rubber boot (3).
5. Remove the engine harness terminal lead to generator nut (2).
6. Remove the engine harness terminal (4) from the generator stud.
picture 2
7. Remove the generator fasteners (1,3, 4).
8. Remove the generator.
Installation Procedure
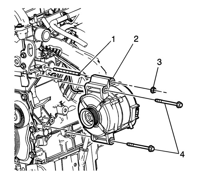
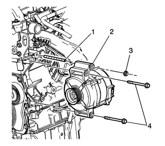
picture 3
1. Position the generator to the engine block.
2. Install the generator fasteners (4) loosely.
Caution: Refer to Fastener Caution (See: Vehicle > Vehicle Damage Warnings > Fastener Caution).
3. Install the fastener (1) and tighten to 10 Nm (89 lb in).
4. Install the fastener (3) and tighten to 22 Nm (16 lb ft).
5. Tighten the fasteners (4) to 22 Nm (16 lb ft).
picture 4
6. Install the engine harness terminal (4) to the generator stud.
7. Install the engine harness terminal lead to generator nut (2) and tighten to 20 Nm (15 lb ft).
8. Position the rubber boot (3) over the stud.
9. Connect the generator electrical connector (1).
10. Install the drive belt. Refer to Drive Belt Replacement (LAT) (See: Drive Belt > Removal and Replacement > Drive Belt Replacement)Drive Belt Replacement (LE5) (See: Drive Belt > Removal and Replacement > Drive Belt Replacement).
11. Connect negative battery cable. Refer to Battery Negative Cable Disconnection and Connection (LZ4, LY7, and LE5) (See: Battery Cable > Removal and Replacement)Battery Negative Cable Disconnection and Connection (LAT) (See: Battery Cable > Removal and Replacement).
_____________________
Let me know if this helps.
Joe
Images (Click to enlarge)
May 23, 2019 at 5:58 PM