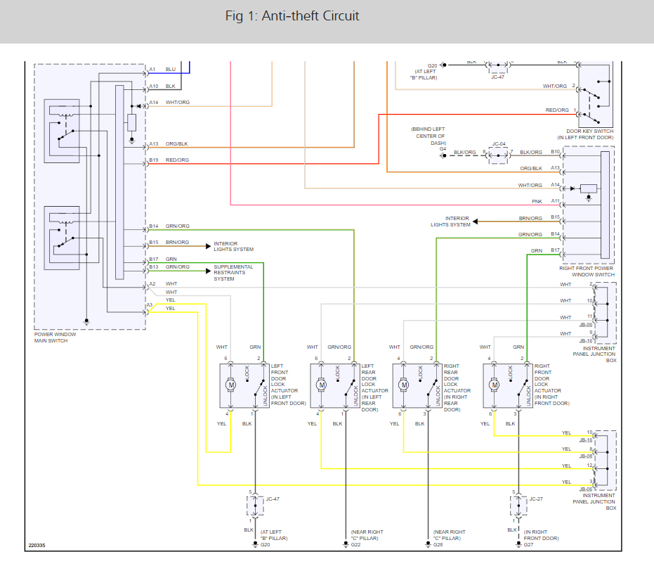
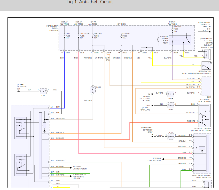
How do I rest the security system on my vehicle? The light stays on and the car wont start. Turns over, but I don't hear the fuel pump running when the key is in the on position.
Jul 23, 2019 at 2:10 PM






