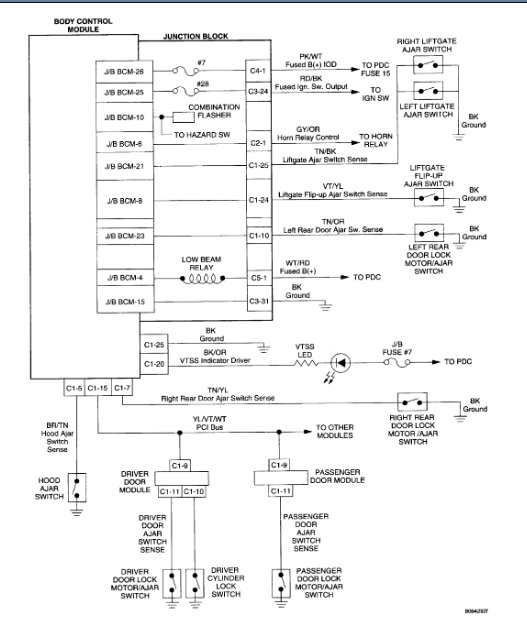
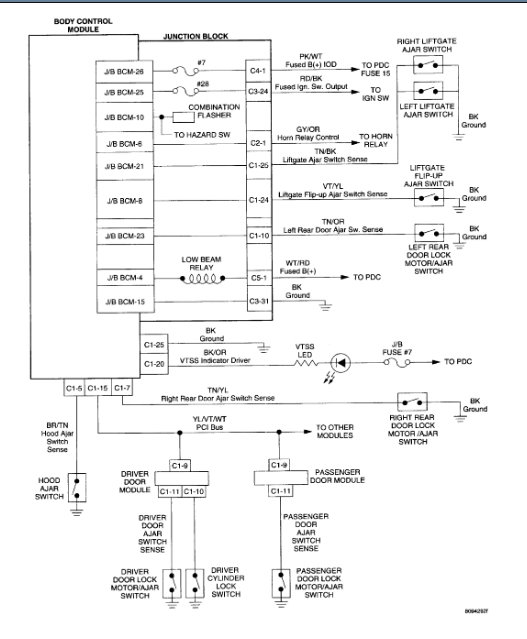
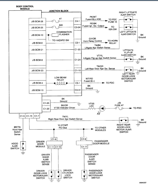
I bought this vehicle with this problem, so I went through all the reset procedures,didn't work. i think it has to many sensors giving a signal at once, so I want to exactly where the anti theft module is located,either on the vehicle or in the PCM,or BCM. Also if I could get a copy of the complete schematics of both.
Thank you,
Jeff
Thank you,
Jeff
May 11, 2019 at 11:39 PM


