Anti theft deterrent reset?

2015 CHEVROLET SILVERADO
150,000 MILES • 6.0L • 4WD • AUTOMATIC
Avatar
KYNDRA MEADOWS
  • MEMBER
  • 1 POST
How to reset the anti theft deterrent so the truck will start?
Mar 5, 2020 at 8:06 PM
Advertisement
Avatar
MOTOR MASTER
  • CERTIFIED EXPERT
  • 279 POSTS
Hello my name is Dave.

Here is a link to our tutorial on resetting a security system, hope it helps and thank you for using 2CarPros!

https://www.2carpros.com/articles/how-to-reset-a-security-system
Mar 6, 2020 at 4:00 AM
Avatar
KYNDRA MEADOWS
  • MEMBER
  • 1 POST
Thanks the guide worked for me!
Jul 24, 2020 at 11:33 AM
Advertisement
Avatar
MARK BIRTCHER
  • MEMBER
  • 2 POSTS
Vehicle was stolen with key. it was recovered with no key and ignition lock busted. I can turn it with screwdriver but won't turn over. I need to know if it runs before spending money on ignition. is there anything I can do to bypass security? please help.
Jul 24, 2020 at 11:34 AM (Merged)
Avatar
KASEKENNY
  • CERTIFIED EXPERT
  • 18,907 POSTS
Hi,

Unfortunately, there is no way to bypass the ignition system and security. This system was designed to prevent this exact thing. The only way they could steal it is with the key. So punching the ignition probably came later and is most likely the reason the vehicle was abandoned and then recovered (assuming that is how it was recovered).

More than likely it will run once the ignition system is restored assuming they didn't remove any other components. However, if you are not comfortable inspecting the vehicle closely, I would just take it to someone to look it over and see if anything obvious is missing and the replace the ignition and program new keys if it all checks out.

Thank you for using 2CarPros.
Jul 24, 2020 at 11:34 AM (Merged)
Avatar
MARK BIRTCHER
  • MEMBER
  • 2 POSTS
okay. I have checked it pretty good. I've crawled all over it and ignition problem is all I see. thanks for your time.
Jul 24, 2020 at 11:34 AM (Merged)
Avatar
KASEKENNY
  • CERTIFIED EXPERT
  • 18,907 POSTS
Okay. Yeah, fortunately these guys that steal these things don't try to conceal parts they removed so if you didn't see anything then you are okay.

Let me know if you need anything else. Thanks for using 2CarPros.
Jul 24, 2020 at 11:34 AM (Merged)
Avatar
SPECTOR37
  • MEMBER
  • 7 POSTS
The battery in my 2004 Chevy Silverado died yesterday and before that it would start and run fine. Now the problem is I charged the battery and tried to start it it will turn over like normal and start for about a second and die.Now the question I have is does the passlock system need to relearn the codes again before it will start?And will the battery going dead cause the problem?
Thanks
Jul 24, 2020 at 11:34 AM (Merged)
Avatar
WRENCHTECH
  • CERTIFIED EXPERT
  • 20,761 POSTS
If you are getting any kind of security system indicator, here is the relearn procedure.

Disconnect the battery and hold the cables together for about 30 seconds then reconnect the cables before performing the procedure.Read it carefully if done incorrectly it won't work.If it helps let me know.
Turn ON the ignition, with the engine OFF.

Attempt to start the engine, then release the key to ON (vehicle will not start).
Observe the SECURITY telltale, after approximately 10 minutes the telltale will turn OFF.
Turn OFF the ignition, and wait 5 seconds.
Repeat steps 1 through 4 two more times for a total of 3 cycles/30 minutes (the vehicle is now ready to relearn the Passlock™ Sensor Data Code and/or passwords on the next ignition switch transition from OFF to CRANK).
Important

The vehicle learns the Passlock™ Sensor Data Code and/or password on the next ignition switch transition from OFF to CRANK. You must turn the ignition OFF before attempting to start the vehicle.
Start the engine (the vehicle has now learned the Passlock™ Sensor Data Code and/or password).

With a scan tool, clear any DTCs if needed (history DTCs will self clear after 100 ignition cycles).

This guide can help as well

https://www.2carpros.com/articles/how-to-reset-a-security-system

Please let us know if you need anything else to get the problem fixed.
Jul 24, 2020 at 11:34 AM (Merged)
Avatar
RRACERGUY717
  • MEMBER
  • 4 POSTS
V8 Two Wheel Drive Automatic 115K miles

My truck will start and shut off when i release the key . The door locks wont work all of a sudden on either side , dome light not working.radio displays time but wont work. Seems like the theft system is not releasing for some reason I was thinking it has a bad door lock module can someone point me in the right direction Thanks Bob.G
Jul 24, 2020 at 11:34 AM (Merged)
Avatar
SERVICE WRITER
  • CERTIFIED EXPERT
  • 9,123 POSTS
Yes you are on the right track their is a driver door lock module that goes out all the time here is the location and the instructions on how to program it

PROGRAMMING THEFT DETERRENT SYSTEM COMPONENTS

PROGRAMMING REPLACEMENT PASSLOCK SENSOR, BCM, OR PCM

IMPORTANT:
The body control module (BCM) must be programmed with the proper RPO configurations before performing learn procedures. See Body Control Module (BCM) Programming/RPO Configuration.
If replacing the BCM with a GM Service Parts Operations (SPO) replacement part, the module will learn Passlock sensor data code immediately. The existing PCM, however, must learn the new fuel continue password when the BCM is replaced.
If replacing a powertrain control module (PCM) with a GM Service Parts Operations (SPO) replacement part, after programming, these modules will learn the incoming fuel continue password immediately upon receipt of a password message. Once a password message is received, and a password is learned, a learn procedure must be performed to change this password again. A PCM which has been previously installed in another vehicle will have learned the other vehicle's fuel continue password and will require a learn procedure after programming to learn the current vehicles password.
CONDITIONS
Use this procedure after replacing:
Passlock Sensor
BCM
PCM
LEARN PROCEDURES
There are 2 available methods to perform the programming procedure:
A 10 minute procedure which requires a Tech 2 and a techline terminal.
A 30 minute procedure which does not require the use of any tools.
10 MINUTE LEARN PROCEDURE

TOOLS REQUIRED
Tech 2
Techline terminal with current Service Programming System (SPS) software
Connect the Tech 2 to the vehicle.
Select "Request Information" under "Service Programming".
Disconnect the Tech 2 from the vehicle and connect it to a techline terminal.
On the techline terminal, select "Theft Module Re-Learn" under "Service Programming".
Disconnect the Tech 2 from the techline terminal and connect it to the vehicle.
Turn ON the ignition, with the engine OFF.
Select "Program ECU" under "Service Programming".
Attempt to start the engine, then release the key to ON, vehicle will not start.
Observe the SECURITY telltale, after approximately 10 minutes the telltale will turn OFF; the vehicle is now ready to relearn the Passlock Sensor Data Code and/or password on the next ignition switch transition from OFF to CRANK.
Turn OFF the ignition, and wait 5 seconds .
Start the engine; the vehicle has now learned the password.
With the Tech 2 scan tool, clear any DTCs.
30 MINUTE LEARN PROCEDURE
Turn ON the ignition, with the engine OFF.
Attempt to start the engine, then release the key to ON; the vehicle will not start.
Observe the SECURITY telltale; after approximately 10 minutes the telltale will turn OFF.
Turn OFF the ignition, and wait 5 seconds .
Repeat steps 1 through 4 two more times for a total of 3 cycles/30 minutes ; the vehicle is now ready to relearn the Passlock Sensor Data Code and/or passwords on the next ignition switch transition from OFF to CRANK.
IMPORTANT: The vehicle learns the Passlock Sensor Data Code and/or password on the next ignition switch transition from OFF to CRANK. You must turn the ignition OFF before attempting to start the vehicle.

Start the engine. The vehicle has now learned the Passlock Sensor Data Code and/or password.
With a scan tool, clear any DTCs, if needed. History DTCs will self clear after 100 ignition cycles.

Check out the diagrams (Below). Please let us know if you need anything else to get the problem fixed.

Cheers, Ken
Jul 24, 2020 at 11:34 AM (Merged)
Avatar
RRACERGUY717
  • MEMBER
  • 4 POSTS
[quote:cf782e98c9="Service Writer"]This may be a BCM issue, but start with a simple procedure first.

Is security light flashing? If so try to do a relearn. Turn key to start,then release leaving in the on position leave on until light stops flashing.(may take up to 15 minutes)then turn key off and then try to start,if no start and light starts flashing do above procedure again,it may take up to 3 times to learn. You may want to put a battery charger on van to keep it from going dead during relearn process[/quote:cf782e98c9]
There NO lights flashing I will try the relearn process and see what happens Ill let you know thanks Bob
Jul 24, 2020 at 11:35 AM (Merged)
Avatar
SERVICE WRITER
  • CERTIFIED EXPERT
  • 9,123 POSTS
Well, I'm not sure if the no start and the other issues are related. If they are, I would be leaning to wires (not ignition) shorting out or a body control module issue. Let's treat them separate at this point and go after the most important one. Regarding the no start: Have you checked for any codes in the pcm yet? Check fuel pressure..(I assume a 5.3 liter). Critical that it is right in spec. There have been issues with e-85 fuel. Spray some carb cleaner in to the throttle body and see if you can run it off the carb cleaner for a few moments. Check for presence of spark. Check under the driver's seat for chafed wiring:


https://www.2carpros.com/forum/automotive_pictures/30961_xsil_1.jpg

What did you find out?
Jul 24, 2020 at 11:35 AM (Merged)
Avatar
RRACERGUY717
  • MEMBER
  • 4 POSTS
Its been a while but I havnt had time to work on truck until now. !) When cranking the truck will start but then shuts off like its not getting fuel. 2) try to pull codes and it wont communicate 3)I bought a new BCM had it coded correctly still same problem as above 4) looked under seat dont see any bare wring problems . LMK what you think to check next thanks Bob.G
Jul 24, 2020 at 11:35 AM (Merged)
Avatar
SERVICE WRITER
  • CERTIFIED EXPERT
  • 9,123 POSTS
We need to get communication back. Check for a blown fuse for the DLC. IF it is, replace it and recheck for communication.
Jul 24, 2020 at 11:35 AM (Merged)
Avatar
RRACERGUY717
  • MEMBER
  • 4 POSTS
[quote:f58ca932a3="Service Writer"]We need to get communication back. Check for a blown fuse for the DLC. IF it is, replace it and recheck for communication.[/quote:f58ca932a3]

FYI and others it was a bad PCM .

Got water up into wiring harness/main connector at PCM and shorted out PCM. Installed used PCM and That problem was solved .
Jul 24, 2020 at 11:35 AM (Merged)
Avatar
HALL058505
  • MEMBER
  • 1 POST
2004 Chevy Silverado

the alarm went off and they got it to quit but now it wont start what do i do now?
Jul 24, 2020 at 11:35 AM (Merged)
Avatar
JACOBANDNICKOLAS
  • CERTIFIED EXPERT
  • 110,175 POSTS
Is the security light staying on?

Let me know.
Jul 24, 2020 at 11:36 AM (Merged)
Avatar
TMCBRIDE
  • MEMBER
  • 1 POST
Yes I have a 2003 Silverado that has been parked for about a week. WhenI parked it everything was working fine. I went and startedit up the first thing I noticed that the keyless entry option did not work at all. The next thing I noticed that the right side door nothing worked. The mirror, the door locks, the power windows do not work. I have tried all the fuses but i cannot find the relays that are supposed to be on the fuse block. The left door works fine. Another thing I noticed this morning is that it seems to be idling a bit low. I would appreciate your helpful suggestions. Thanks travis
Jul 24, 2020 at 11:36 AM (Merged)
Avatar
BENAGGIE
  • MEMBER
  • 1 POST
I have the exact same problem. It just happened. My keyless entry will not work and my right side door has no power. Were you able to find a solution?
Jul 24, 2020 at 11:36 AM (Merged)
Avatar
WILHARRIS
  • MEMBER
  • 1 POST
Today the security bell began when the engine was turned off. It would not stop until the engine was started again. I checked that all doors were completely closed, the lights were off and there was not unknown body damage.
Jul 24, 2020 at 11:36 AM (Merged)
Avatar
HMAC300
  • CERTIFIED EXPERT
  • 48,601 POSTS
could be a switch bad but have it scanned it may be a body module problem.
Jul 24, 2020 at 11:36 AM (Merged)
Avatar
NFL4GMAN
  • MEMBER
  • 1 POST
I've been having this problem for sometime now and I will tell you what I have done. Early in the mornings I go to get in my truck and I push the keyless entry button and get no response, this is a factory installed system (Clifford). If I leave it sit and the wheather warms up the keyless system works. so, I thought maybe the battery was failing so I replaced it and that seemed to do the trick for a couple of weeks. But, now I'm back to square one. Could this be the alternator or the security system. I'm lost with this. Please give me any advice you can. Please ask more questions if you more info. Thanks and God Bless
Jul 24, 2020 at 11:36 AM (Merged)
Avatar
MASTERTECHTIM
  • CERTIFIED EXPERT
  • 4,750 POSTS
first of all the clifford alarm is not factory installed, but rather it is subletted to a alarm shop. i find usually its shoddy installation of alarm or keyless entry that is the problem.
Jul 24, 2020 at 11:36 AM (Merged)
Avatar
MMIKE1234
  • MEMBER
  • 1 POST
my used 2002 Silverado has the anti theft feature and I don't know the unlock codes. After the battery was changed my radio no longer works. How can I obtain the security unlock code ? or do I have to take to dealer ?
Jul 24, 2020 at 11:36 AM (Merged)
Avatar
JACOBANDNICKOLAS
  • CERTIFIED EXPERT
  • 110,175 POSTS
You will need to see a dealer to get that bypassed.
Jul 24, 2020 at 11:37 AM (Merged)
Avatar
MANNING75
  • MEMBER
  • 1 POST
Security and battery flashes on the message board. Everything electrical seems to work, but the starter will not make a sound, and I can hear relays engage when I turn the ignition to the start position. There is not a problem with the starter.
Jul 24, 2020 at 11:37 AM (Merged)
Avatar
SATURNTECH9
  • CERTIFIED EXPERT
  • 30,869 POSTS
Have you had the battery tested and made sure the battery cables are clean and tight? The lights take a lot less power then the starter.
Jul 24, 2020 at 11:37 AM (Merged)
Avatar
MAXIMILIAM
  • CERTIFIED EXPERT
  • 436 POSTS
The battery has 12.36vdc, via my meter. I need to know how to reset the security system. I've replaced the key cylinder, and Will not crank.

Manning75
Jul 24, 2020 at 11:37 AM (Merged)
Avatar
SATURNTECH9
  • CERTIFIED EXPERT
  • 30,869 POSTS
All of the gm security systems from 2000 on don't disable the starter they disable the fuel injectors.You said the starter was inop?you can relearn the pass lock by trying to start it then letting the key go back to the run position till the security light turns off or stops flashing or turns off.Then turn the key off for ten seconds.Then repeat the steps two more times.The ssecurty could be flashing from the doors being open.Ho do you know the starter is good.
Jul 24, 2020 at 11:37 AM (Merged)
Avatar
BRETCRICK
  • MEMBER
  • 1 POST
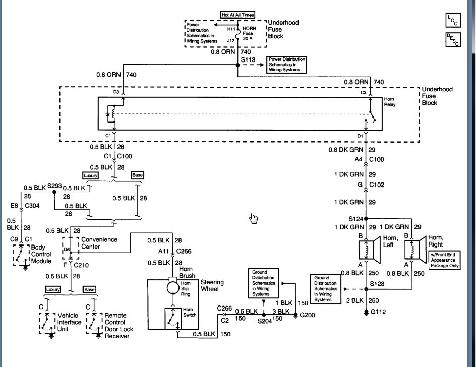
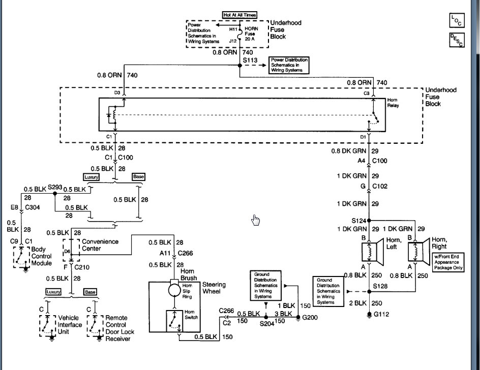
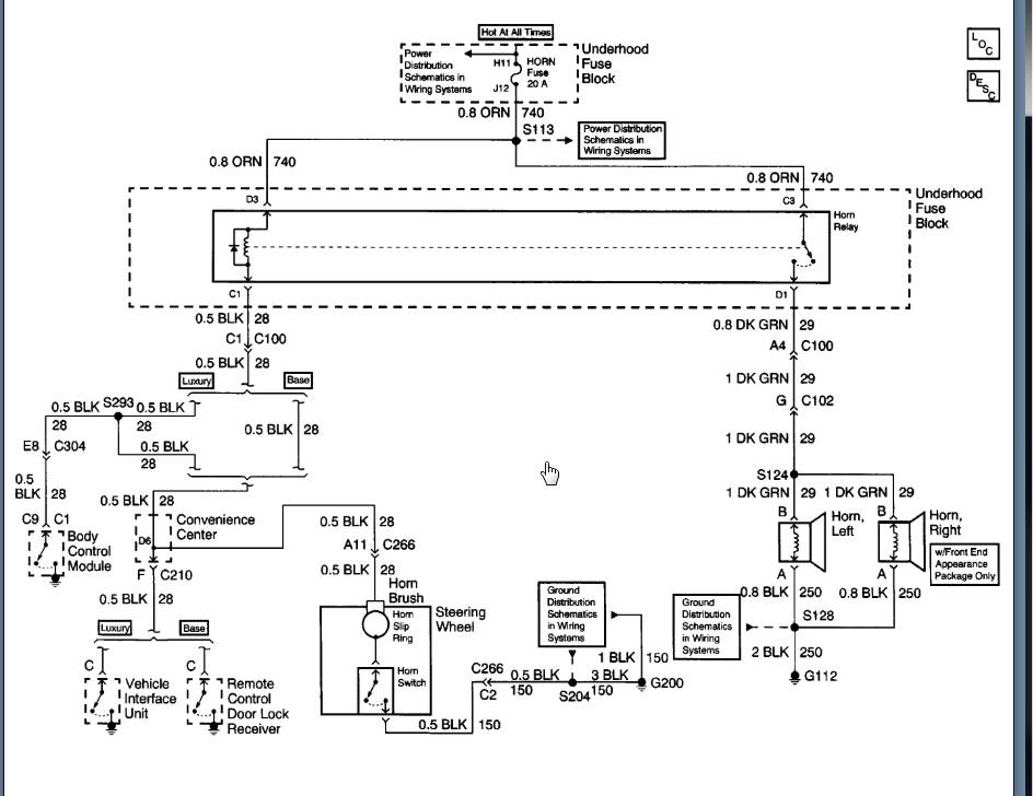
Where is the horn located at for my alarm system? Mine doesn’t make any sound when alarm goes off just lights flash.
Jul 24, 2020 at 11:37 AM (Merged)
Avatar
KASEKENNY
  • CERTIFIED EXPERT
  • 18,907 POSTS
Does the horn work when you press the horn switch on the steering wheel? You have a horn on the left and right. It appears the one on the left side (driver's) is for alarm. I would just check to see if you have power going to the horn when the alarm is on. If you do then the diagram in the horn isn't working and just needs to be replaced.
Jul 24, 2020 at 11:37 AM (Merged)
Avatar
BLUEMOON67
  • MEMBER
  • 1 POST
Electrical problem
2000 Chevy Silverado V8 Two Wheel Drive Automatic

How do you reset or correct a passlock code?
Jul 24, 2020 at 11:37 AM (Merged)
Avatar
JACOBANDNICKOLAS
  • CERTIFIED EXPERT
  • 110,175 POSTS
Are you refering to the fob? If not, refer to the owner's manual for directions about changing the combination on the door. You must, however, know the old pass code to do it.
Jul 24, 2020 at 11:37 AM (Merged)
Avatar
BKAEMPFE1989
  • MEMBER
  • 36 POSTS
I moved my alarm around under my dash and now truck start for one sec then dies fuel is good so is fuel pump I hear it working and truck ran perfect before I did this any ideas or do you know how to reset the passlock thing I have been hearing about this is really troubling me I only have this one way of getting around and now it wont work
Sep 3, 2020 at 6:13 PM (Merged)
Avatar
BKAEMPFE1989
  • MEMBER
  • 36 POSTS
I heard about a system reset were I leave key in on position and wait ten min and go to off and then back to on repeat process 3 time but in doing this my security light isn't on I don't know if it supposed to be on while I try this
Sep 3, 2020 at 6:13 PM (Merged)