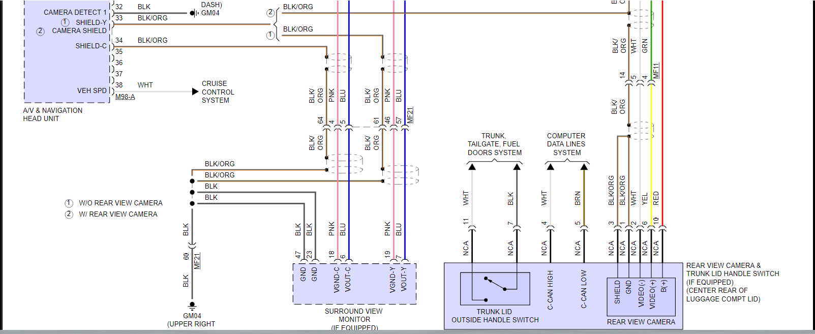
I am looking to add an aftermarket amplifier and sub-woofers to my car listed above EX model. Are there wiring diagrams available so that I can properly choose the wires with which to hook up the amp? I will be using a line out converter if there are no available RCA outputs.
Mar 5, 2019 at 12:55 PM











