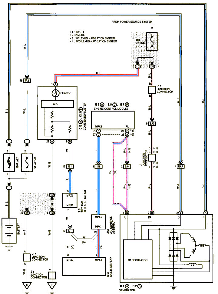
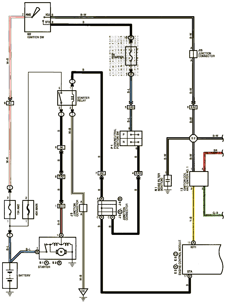
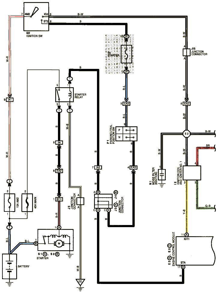
I replaced the alternator and pigtail. The new pigtail had different colored wires than the wires running to the alternator. I searched a diagram and connected the wires to the pigtail. I had to replace the alternator fuse in the fuse box next to the battery as it was bad, as evidenced by the dash, tail and signal lights were not working. Now, I try to crank the car and it does not crank as if the starter is not getting the connection. I replaced the battery also, and now I am wondering what to try next.
Nov 22, 2017 at 1:15 PM

