Alternator not charging?

2000 FORD RANGER
25,000 MILES • 3.0L • V6 • 2WD • MANUAL
Avatar
ROBIN RENFRO
  • MEMBER
  • 1 POST
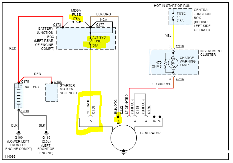
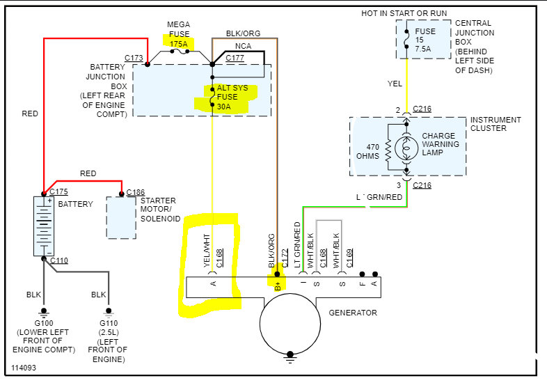
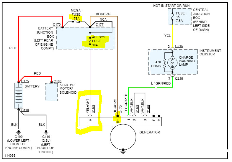
I've already replaced it with a new one twice. I checked the big fuse up under the hood by where the relays and fuses are cleaned it all up. I have continuity between it have continuity between the black and yellow wire to the battery positive, but I've got no voltage to the yellow and white wire on the alternator. I think I'm supposed to have voltage there is anybody know.
Sep 11, 2022 at 11:38 AM
Advertisement
Avatar
JACOBANDNICKOLAS
  • CERTIFIED EXPERT
  • 110,175 POSTS
Hi,

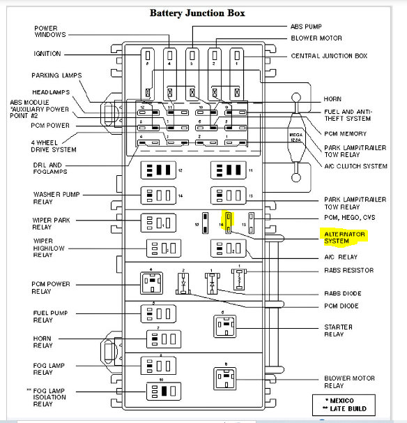
The yellow and white wire should have power. It is powered by a fuse in the under-hood fuse box.

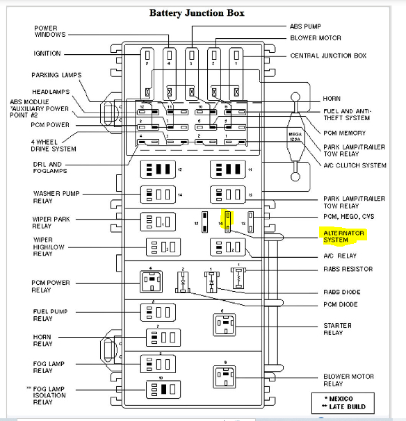
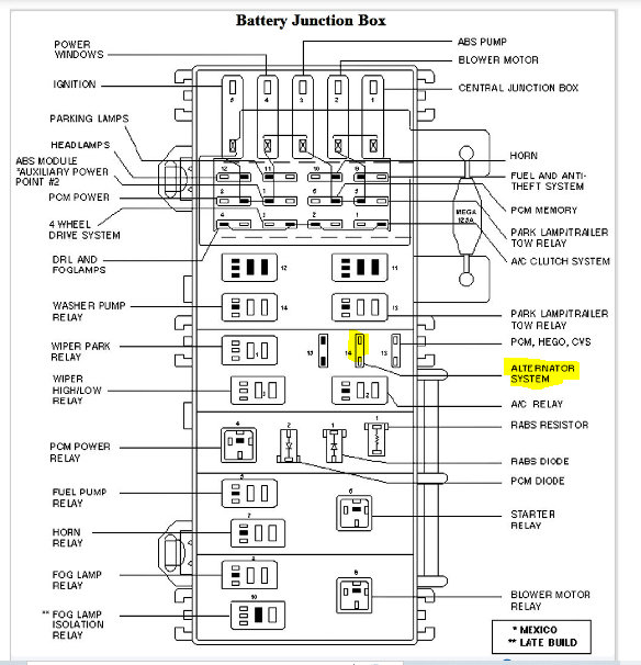
I attached a wiring schematic below of the circuit, so you have a reference.

Recheck the alternator system fuse in the under-hood fuse box. In addition, it is important to confirm there is power to and from the fuse.

Here is a link you may find helpful:

https://www.2carpros.com/articles/how-to-check-a-car-fuse

Let me know what you find or if you have other questions.

Take care,

Joe

See pics below. Note: Pic 2 shows the fuse location that I referred to above.
Sep 11, 2022 at 6:21 PM