Alternator wiring?

1999 MERCURY MARQUIS
170,000 MILES
Avatar
CORTLAN BASIL HICKS
  • MEMBER
  • 1 POST
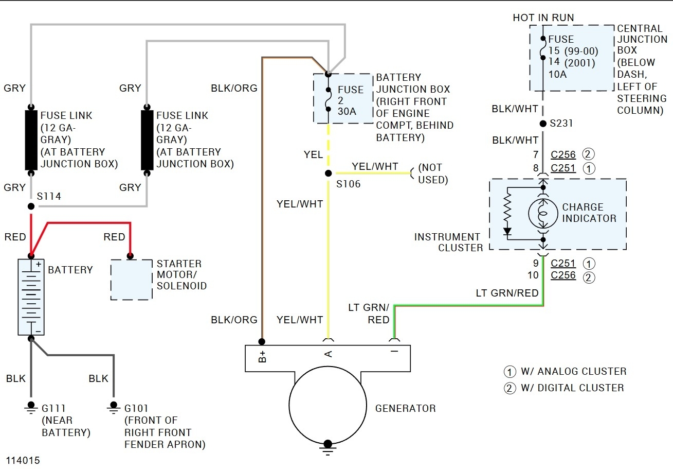
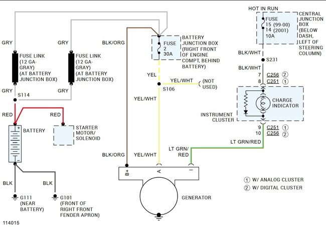
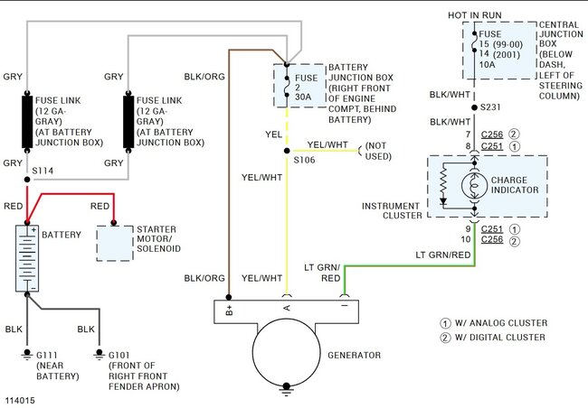
On the 3-pin connector is there supposed to be two wires or 3 I only have two am I missing a wire or is it correct?
Apr 13, 2025 at 2:37 PM
Advertisement
Avatar
STEVE W.
  • CERTIFIED EXPERT
  • 15,113 POSTS
There should be one heavy wire on a stud that goes to the battery, then a connector with two wires a light green with red that goes to the charge light on the dash and a yellow with white that goes to the battery junction box and acts as the sense wire to tell the alternator to charge.
Apr 13, 2025 at 2:45 PM