Alternator will not work

2000 FORD EXPLORER
251,000 MILES • 4.0L • 6 CYL • 2WD • AUTOMATIC
Avatar
PAUL WEST
  • MEMBER
  • 3 POSTS
Put new battery in changed alternator 4 times . Every time I put new alternator in it blows and car runs on battery only. checked for short found one fuse in motor compartment was shorting out but blown had bad ground . Can I run new wire from battery to alternator?
Dec 22, 2019 at 4:14 PM
Advertisement
Avatar
SCGRANTURISMO
  • CERTIFIED EXPERT
  • 4,897 POSTS
Hello,

which fuse in the engine compartment fuse box is it that keeps blowing? I have included in the diagrams down below I have included a diagram of the location, layout, and call out of the battery Distribution Box for you to reference the fuse that keeps blowing. Please get back to us with the fuse and we can go from there.

Thanks,
Alex
2CarPros
Dec 22, 2019 at 4:31 PM
Avatar
JIS001
  • CERTIFIED EXPERT
  • 3,412 POSTS
If the alternator is not charging then I would recommend doing a voltage drop test across the battery cables to see if one of them has high resistance.

Take a digital volt meter and probe the positive battery terminal with your test lead and probe the battery cable at the alternator with the other lead and measure the voltage. Move the test lead to ground terminal at battery and the other lead attach to the alternator housing and measure that voltage. Both tests are with your vehicle running.

I have included example images below. Those test are for a good vehicle. If you measure say 2 volts across the ground cable then you have high resistance on that cable and you need to check for a loose cable or corrosion. And also very important, make sure the battery terminals and cables are clean and free of corrosion. Let us know what you find.
Dec 22, 2019 at 4:51 PM
Advertisement
Avatar
PAUL WEST
  • MEMBER
  • 3 POSTS
The fuse does not blow but it show a ground when I on hook ground cable . Run test light to fuse positive and black to ground test prob lights up not bright but lights up fuse number 1 - 60 amp.
Dec 23, 2019 at 7:57 AM
Avatar
SCGRANTURISMO
  • CERTIFIED EXPERT
  • 4,897 POSTS
Hello,

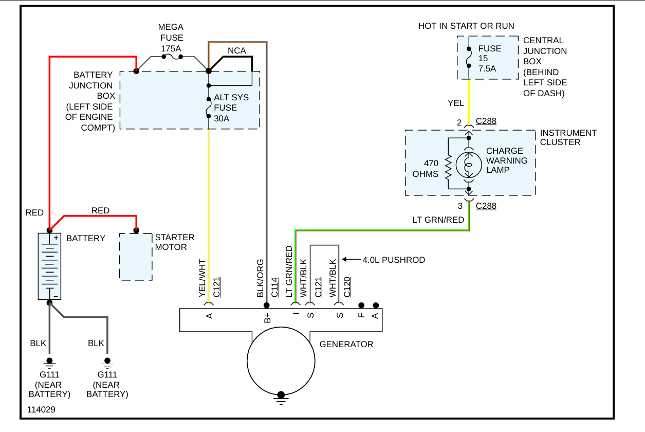
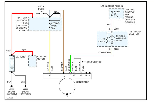
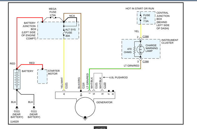
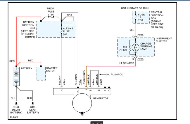
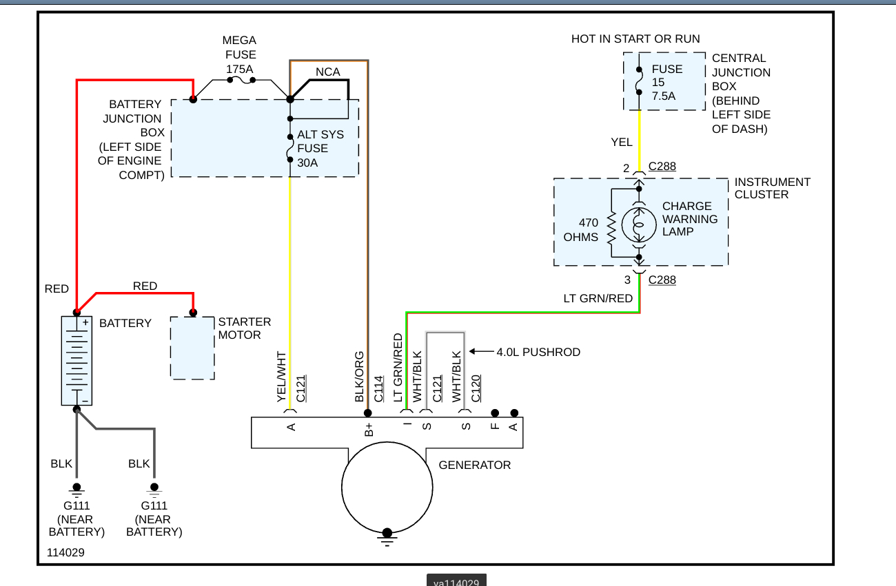
Okay, as JIS001 stated, you need to do a voltage drop test here. With a 60 Amp fuse feeding the positive side of a test light and a good ground, the test light should look like a second sun almost when it lights up. There is going to be some unwanted resistance in the circuit somewhere, and voltage drop is the test that is used to pinpoint the bad part of an electrical circuit where that resistance is. In the diagrams down below I have included a couple of guides that explain how to do voltage drop test a little more thoroughly for you as well as a wiring diagram of your vehicle's charging system. Please go through these guides and get back to us with the results. Also, here is a link explaining the use of a Digital Multi Meter[DMM], if needed.

https://www.2carpros.com/articles/how-to-use-a-voltmeter

Thanks,
Alex
2CarPros
Dec 23, 2019 at 12:58 PM
Avatar
PAUL WEST
  • MEMBER
  • 3 POSTS
I think you miss understood me .the # 1 fuse . I on hooked battery ground . From battery .than tested all fuse s for ground I hooked up - ground to frame . Than tested all fuses with + prob to see Witch one would lite up and # 1 was the only one.
Dec 23, 2019 at 1:14 PM
Avatar
SCGRANTURISMO
  • CERTIFIED EXPERT
  • 4,897 POSTS
Hello again,

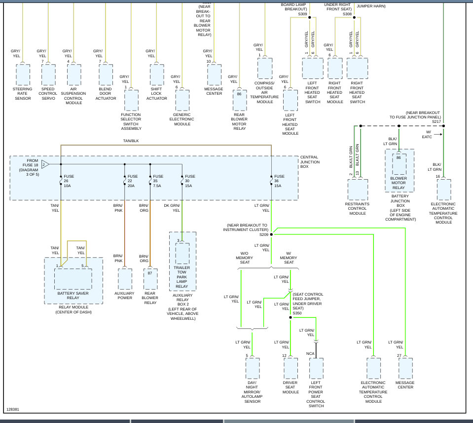
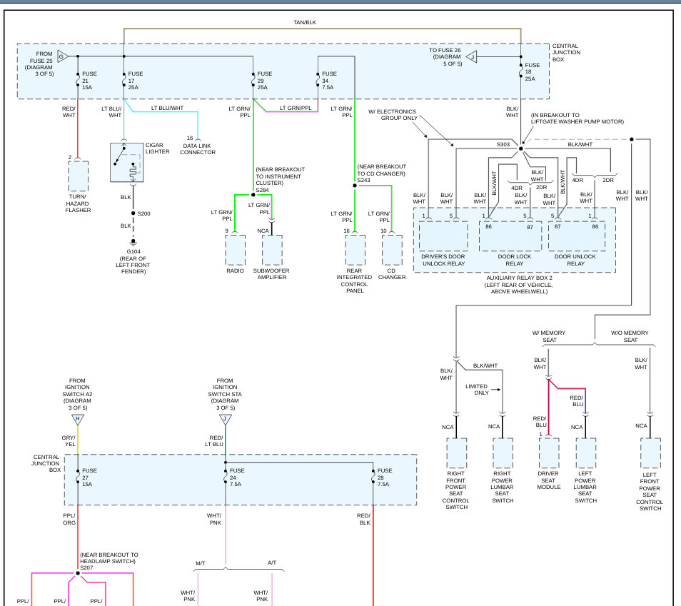
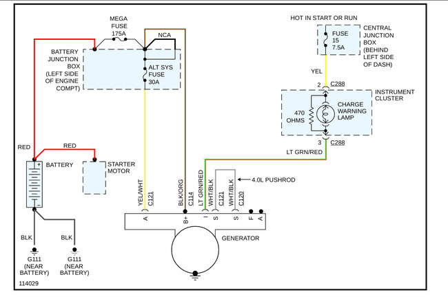
Okay where you working with the fuse box in the engine compartment or under the dash? I assume you were working in the engine compartment. Please check the 125 Amp Mega Fuse. In the diagrams down below I have included the Power Distribution Wiring Diagrams and the charging circuit wiring diagrams for you. Please report back with what you find.

Thanks,
Alex
2CarPros
Dec 24, 2019 at 5:27 PM