Alternator/voltage regulator

2002 VOLKSWAGEN JETTA
167,000 MILES • 1.8L • TURBO • 2WD • AUTOMATIC
Avatar
EYC77
  • MEMBER
  • 1 POST
I need to replace my voltage regulator on the alternator. Will i have to remove the whole alternator to do so? It is mounted on the outside. If I remove the alternator how do i make sure i get the tension right in the belt? Thank you.
Nov 24, 2019 at 3:09 PM
Advertisement
Avatar
STRAILER
  • CERTIFIED EXPERT
  • 53,854 POSTS
Hello,

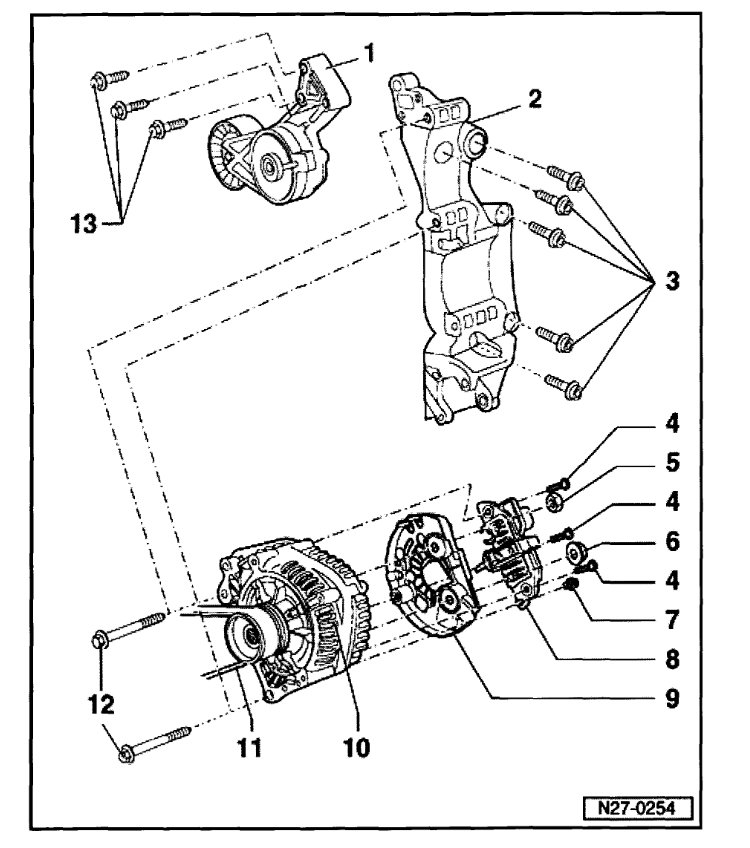
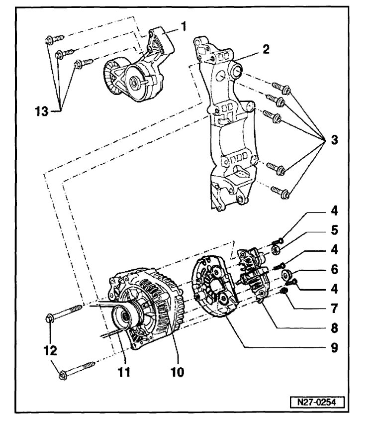
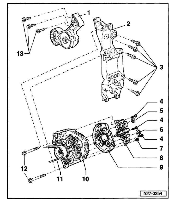
Don't worry about the tension on the belt it is set by the tensioner. here is how you remove the alternator to replace the voltage regulator step by step with instructions in the diagrams below to show you how on your car:

https://www.2carpros.com/articles/how-to-replace-an-alternator

Check out the diagrams (below). Please let us know if you need anything else to get the problem fixed.
Nov 26, 2019 at 2:04 PM