Good morning.
Below is the procedure for the alternator and pictures.
Roy
REMOVAL PROCEDURE
The Denso SC1 (KG9) generator is serviced as a complete unit only.
imageZoom/Print
1. Disconnect the battery negative cable.
2. Remove the drive belt.
3. Remove the engine cooling fans.
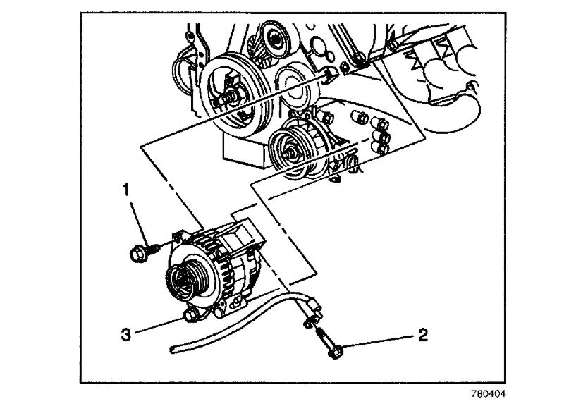
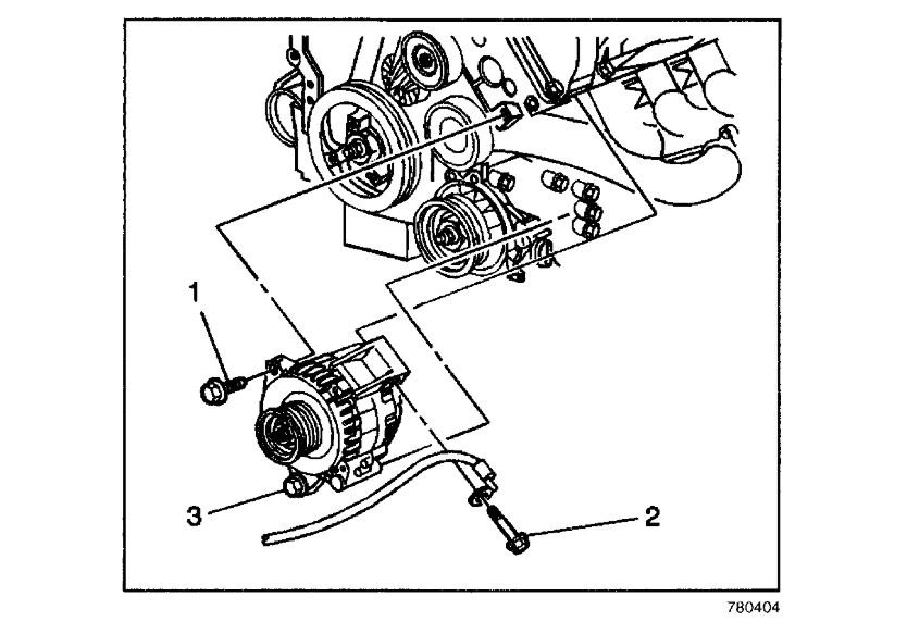
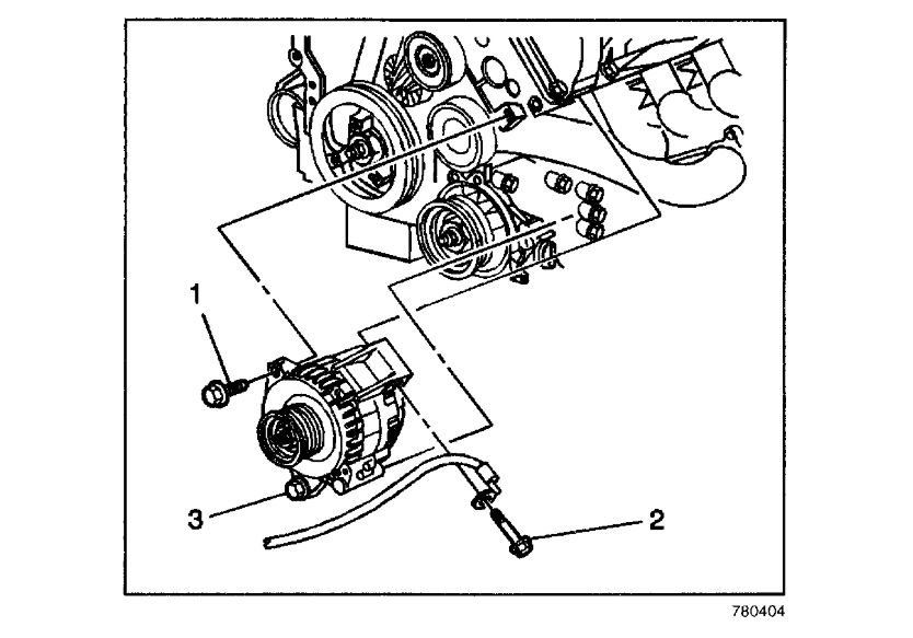
4. Disconnect the wiring harness connector from the generator.
5. Reposition the protective boot from the generator output BAT terminal for access.
6. Remove the generator output BAT terminal nut and disconnect the positive lead from the generator.
imageZoom/Print
7. Loosen the lower generator bolt (3).
8. Remove the generator bolts (1, 2) from the generator.
9. Remove the generator from the vehicle.
Images (Click to enlarge)
Aug 26, 2018 at 7:00 AM