Alternator problem

2008 ACURA TSX
250,000 MILES • 2.4L • 4 CYL • 4WD
Avatar
TYTIANNA
  • MEMBER
  • 1 POST
What does it mean when my alternator isn't getting power but the battery is sending power to the alternator?
Dec 4, 2020 at 1:58 PM
Advertisement
Avatar
JACOBANDNICKOLAS
  • CERTIFIED EXPERT
  • 110,175 POSTS
Hi,

If you have no power at the alternator, it could be a few things. It could be related to a blown fuse, a faulty alternator, or a broken wire.

How was the alternator checked? What wires were checked on the alt for power?

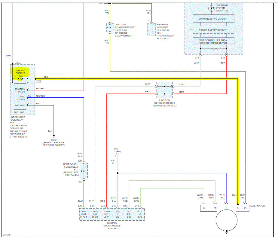
If you look at the attached pic below, it shows a portion of the wiring schematic related to the charging system, Check the fuse I highlighted and let me know what you find. Also, make sure there is power both to the fuse and out from it. Here is a link you may find helpful:

https://www.2carpros.com/articles/how-to-check-a-car-fuse

Let me know. Also, let me know exactly what is happening. I assume the alternator isn't charging; however, I want to confirm it.

Take care,
Joe

Dec 4, 2020 at 8:09 PM