Alternator problem

2004 DODGE TRUCK
100,000 MILES • 5.7L • V8 • 2WD • AUTOMATIC
Avatar
ART#56
  • MEMBER
  • 2 POSTS
I have a squealing noise maybe coming from alternator, and my battery gauge reads above normal or hot. please help
Mar 31, 2019 at 7:21 AM
Advertisement
Avatar
SCGRANTURISMO
  • CERTIFIED EXPERT
  • 4,897 POSTS
Hello,

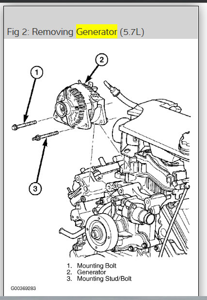
This sounds like you could be having a problem with your vehicle's Voltage Regulator. Your vehicle's voltage regulator is built into the alternator is does just what its name implies, it regulates the voltage coming from the alternator going to the battery. The squealing sound you are hearing, more than likely is your vehicle's battery venting because it is being over charged and getting ready to blow up. That would also account for why it is getting hot. I have included factory removal and installation instructions for your alternator. You can take iy down to your local parts house, like AutoZone, and get it bench tested for free, or I have included a link for you to go to down below if you want to test it yourself:

https://www.2carpros.com/articles/how-to-check-a-car-alternator

Please go through these guides and instructions and get back to us with what you find out.

Thanks,
Alex
2CarPros
Mar 31, 2019 at 9:39 AM