Alternator/Power steering/ Electrical

1988 VOLVO 240
650,000 MILES • 2.3L • 6 CYL • 2WD • AUTOMATIC
Avatar
300ZXGODDESS
  • MEMBER
  • 7 POSTS
Power steering pump was going out still working but not like it should. Don't know if it affected my charging system causing a drag. My alternator went out and last Thursday I replaced my alternator and still my warning lights coming on letting me know charging system is not working like it should. I drove it to the auto parts store and had the alternator retested where it was in specs, but low end ( I thought alternator always need to be 14.5 when tested, it was at 13.32 that night). I just replaced power steering pump today and when I ordered it yesterday, I had the alternator tested again and it was 11.22 the guy said that it's voltage regulator is bad. So after putting on new pump today, I tested alternator and battery again and it is starting charging up battery and testing back of alternator, numbers started climbing up but still in the 12-13 range not 14.5. I going to replace the alternator once again tomorrow but wondering what else could be causing a drain. I cleaned the grounds, replaced connectors but with Volvo's just wondering if I am missing something else. I'm hoping that I just got a bum re-manufactured alternator (it happens) but anyone else has any suggestions for this DIY lady I would appreciate at it. Thanks my ride is 1988 Volvo 244GL automatic no turbo.
Nov 6, 2019 at 6:28 PM
Advertisement
Avatar
MASTERWRENCH
  • CERTIFIED EXPERT
  • 258 POSTS
The charging system on this vehicle is fairly basic and straight forward. The voltage regulator is internal to the alternator. It basically monitors system voltage and tries to maintain it somewhere between 13.5 and 14.5v (measured with engine speed at 3,000 rpm's). Since this issue occurred shortly after power steering pump replacement, there's a possibility the belt is not tight enough, allowing it to slip over the alternator pulley. To check belt tension, grab the belt midway between any two pulleys and pull up and down on it. The belt movement at this point should be less than 1/2 inch. If it's more, the belt is either loose or worn out. Try tightening it and see if it improves the condition.

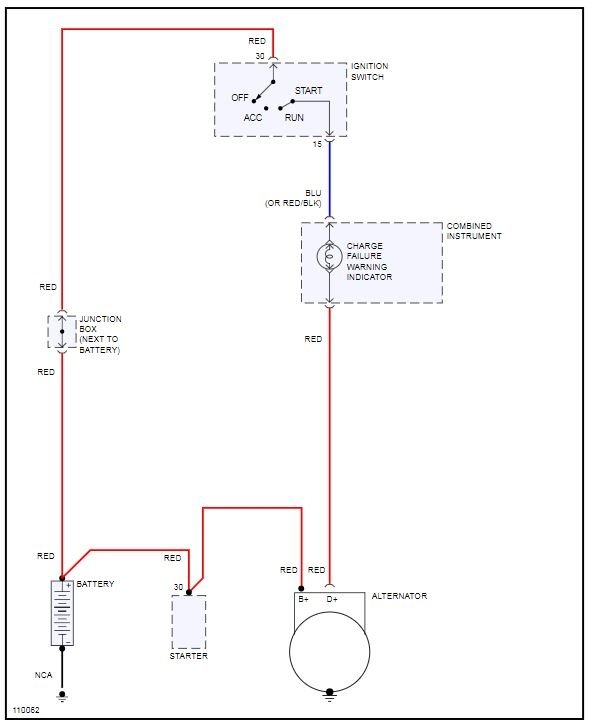
If the belt checks out okay, there's two more quick tests that need to be done before condemning the alternator. You'll need to perform a voltage drop test across the positive battery cable between the battery positive post and the B+ terminal on the alternator. You'll also need to measure voltage drop between the battery negative terminal and the alternator housing. See attachment for the detailed procedure. I've also included a wiring diagram of the charging system.

Let us know what you find!
Nov 6, 2019 at 8:58 PM
Avatar
300ZXGODDESS
  • MEMBER
  • 7 POSTS
Thanks for responding. Definitely will do the voltage drop test tomorrow. Thought it was strange when testing alternator it was going up in volts. Will let you know how it goes.
Nov 6, 2019 at 9:05 PM
Advertisement