Alternator installation

1994 CADILLAC DEVILLE
100,000 MILES • 4.6L • V8 • 2WD • AUTOMATIC
Avatar
DON WILCOX
  • MEMBER
  • 5 POSTS
Alternator has connectors for a heated windshield ..can I still use alternator if I don't have a heated windshield? Alternator plug has for pins but I only have 1 red wire which pin do I connect it to...
Feb 8, 2020 at 4:01 PM
Advertisement
Avatar
KASEKENNY
  • CERTIFIED EXPERT
  • 18,907 POSTS
Yes. You can still use it, you just won't have anything connected to the other end of those circuits.

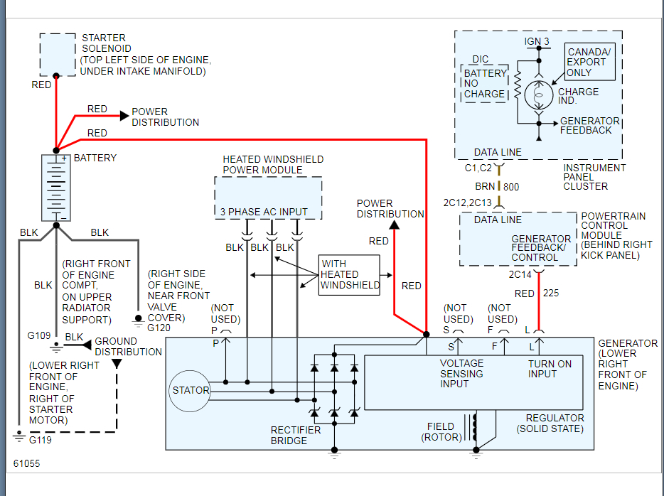
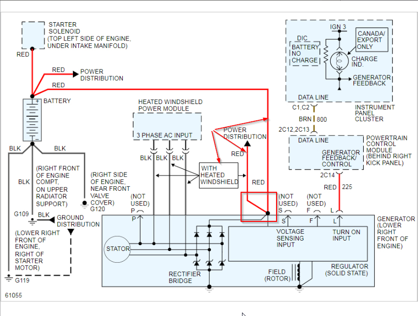
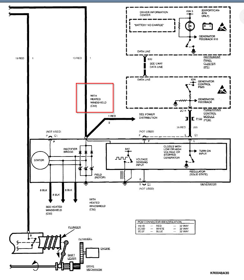
Here is the wiring diagram for it. Let me know if you have questions.
Feb 8, 2020 at 4:40 PM
Avatar
DON WILCOX
  • MEMBER
  • 5 POSTS
Thanks for the diagram. it shows the red wire is connected to the l pin, but it also shows another red wire to the battery? And doesn't show what pin it's connected to.
Feb 9, 2020 at 2:33 PM
Advertisement
Avatar
KASEKENNY
  • CERTIFIED EXPERT
  • 18,907 POSTS
Correct. The red wire from the battery is called the b+ wire. That is direct battery voltage so that the alternator has proper voltage. Then the other wire is the control wire.

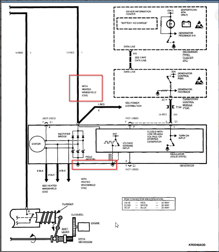
The one from the battery should be on a stud on the back of the alternator. The other red wire will be in the connector. Take a look at the attachments for more info.
Feb 9, 2020 at 5:59 PM
Avatar
DON WILCOX
  • MEMBER
  • 5 POSTS
Once again for your time, the alternator doesn't have a connection bolt to the battery only one for the negative..if you have any input I will appreciate it.
Feb 9, 2020 at 6:37 PM
Avatar
KASEKENNY
  • CERTIFIED EXPERT
  • 18,907 POSTS
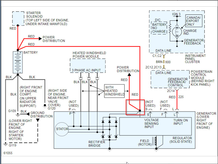
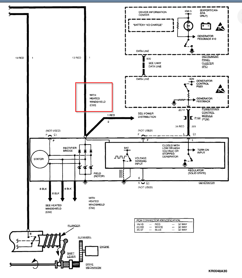
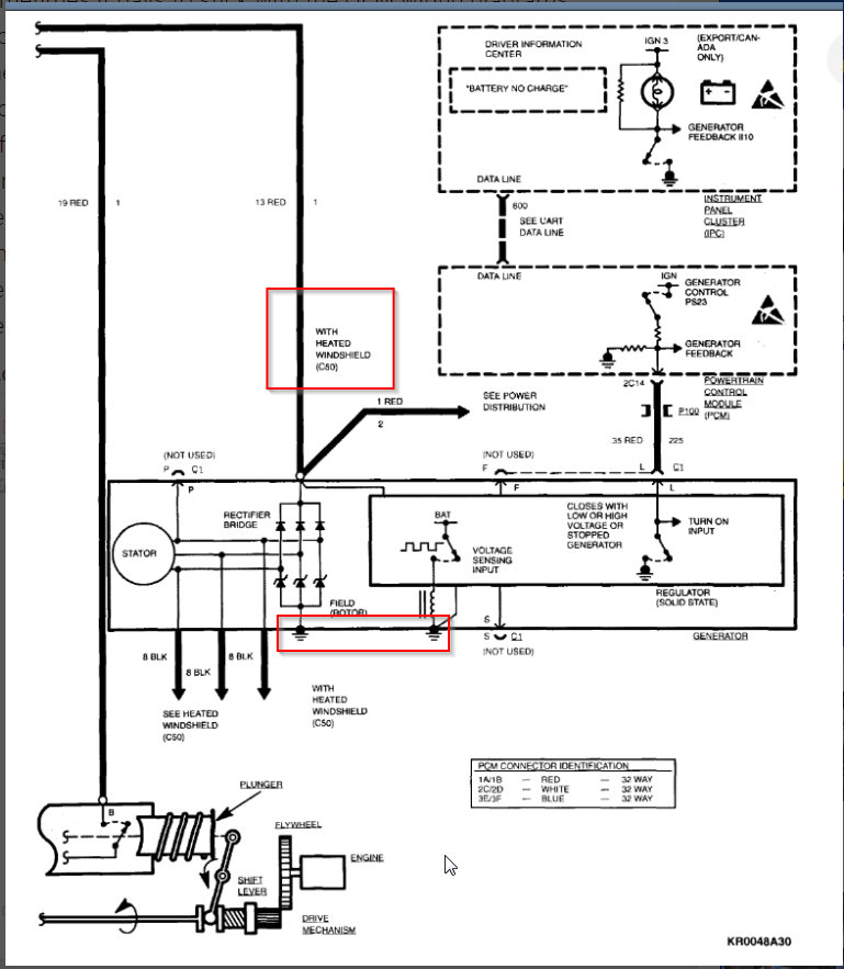
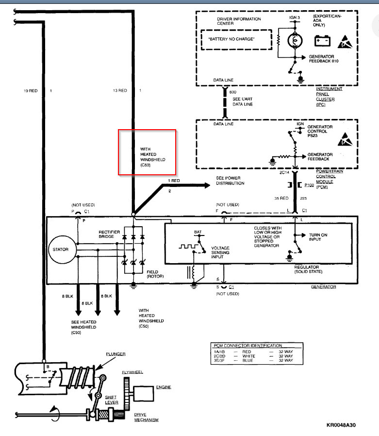
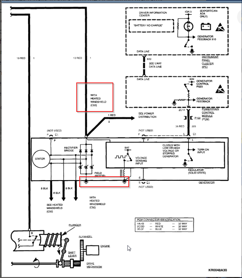
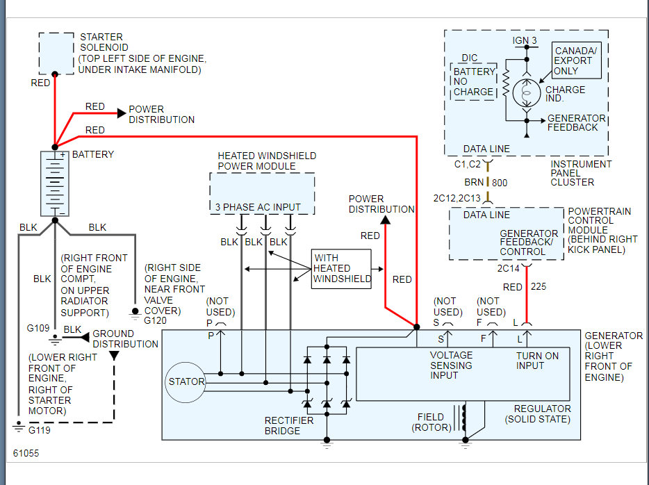
Sometimes it pays to stick with the OEM wiring diagrams because the aftermarket can be just a little off. If you look at where they say "with heated windshield" on the first diagram and then where it says on the second, they are just a little different but the second gives the impression that the red wire from the battery is there for all. The OEM diagram shows that the red wire from the battery is only there with heated windshield. Your vehicle does not have this so it will not have the wire. That means you should have the connector and then the ground as you stated.
Feb 9, 2020 at 7:22 PM
Avatar
DON WILCOX
  • MEMBER
  • 5 POSTS
Okay, so the only question I have left is beside the red wire to the L pin and the negative cable to the back of the alternator. how is it able to keep the battery charged if there isn't anything connected to the battery? Am I missing something ?
Feb 9, 2020 at 8:27 PM
Avatar
KASEKENNY
  • CERTIFIED EXPERT
  • 18,907 POSTS
Can you get a picture of the back of the alternator and this ground wire?

I don't have an answer for you because all the descriptions I am finding says your alternator has a wire to the battery positive and a wire to the L terminal. The ground should be direct to the case and not have a wire. If you look at the wiring diagram the ground symbols means there are no wires for the ground, it is direct to the engine block.

It didn't make much sense but I wasn't going to doubt what you are seeing on the vehicle because I assumed it had been hooked up this way the whole time.

Has this vehicle been running with that wire hooked to the negative terminal or have you been having issues?
Feb 10, 2020 at 6:39 PM
Avatar
DON WILCOX
  • MEMBER
  • 5 POSTS
Is it possible the the stud on the back is actually for the positive to the battery +...?
Feb 11, 2020 at 2:48 AM
Avatar
KASEKENNY
  • CERTIFIED EXPERT
  • 18,907 POSTS
That is what I am thinking. That’s kind of why I asked for a what this history was of this. Has this been an issue for a while or did you just buy this vehicle?
Feb 12, 2020 at 11:42 AM