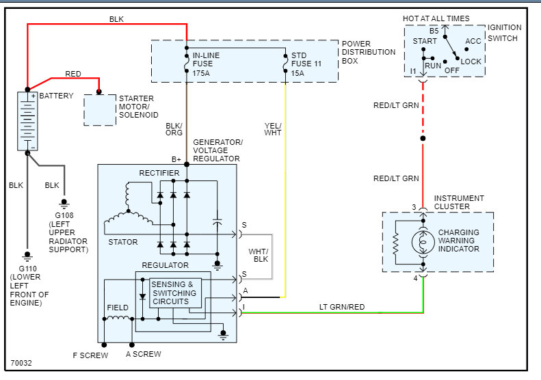
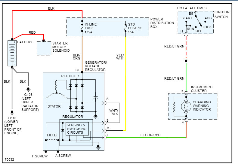
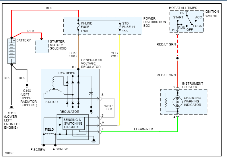
When the car is started and running in park/neutral the alternator output is 14.5-14.7 volts. However, after driving the car the output changes to 18+ volts. During this the battery begins boiling over. I am looking to resolve this issue. I have a DMM and other tools to help resolve the problem. Before this I had an issue with the charging system not operating properly resulting in the car dying/draining the battery. Doing some research, I found the mega fuse was blown. Before then the alternator was recently replaced. I then did research about the mega fuse. Upon replacing the mega fuse, the car began charging again, however I now have this issue of overcharging but it seems to only be under load or when driving.
Mar 14, 2023 at 4:34 PM


