I purchased this truck recently with this being the only issue.
It is a SLT model.
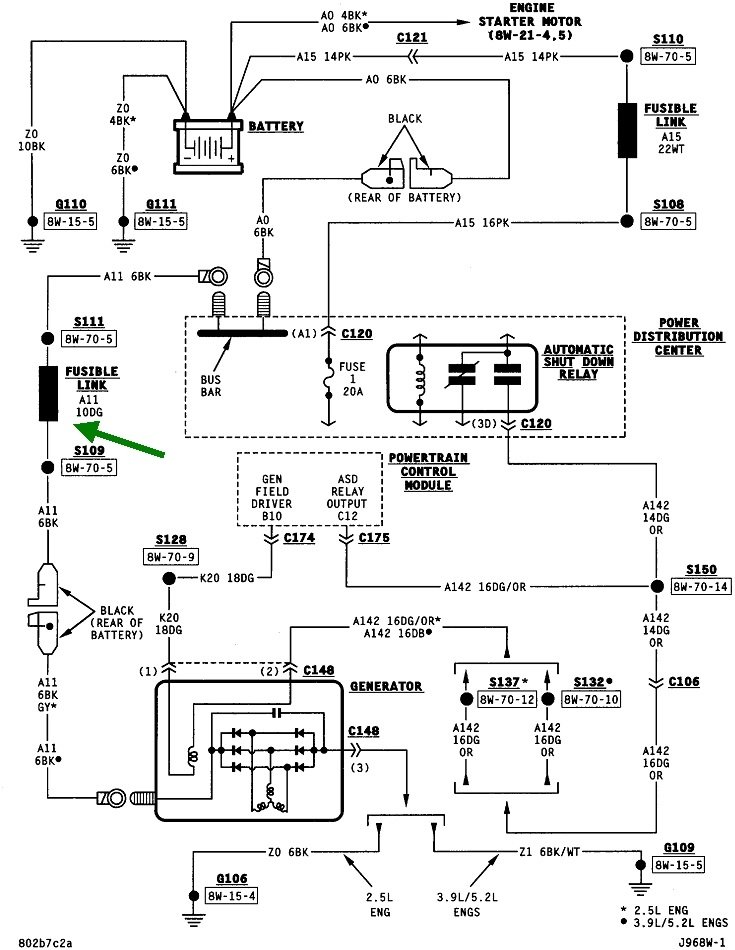
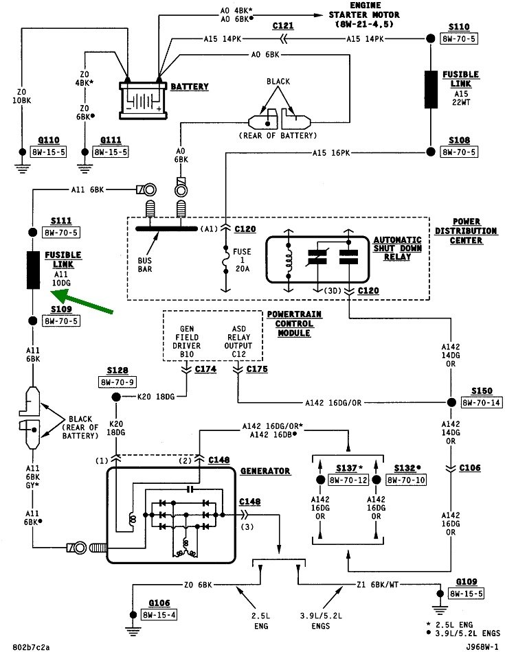
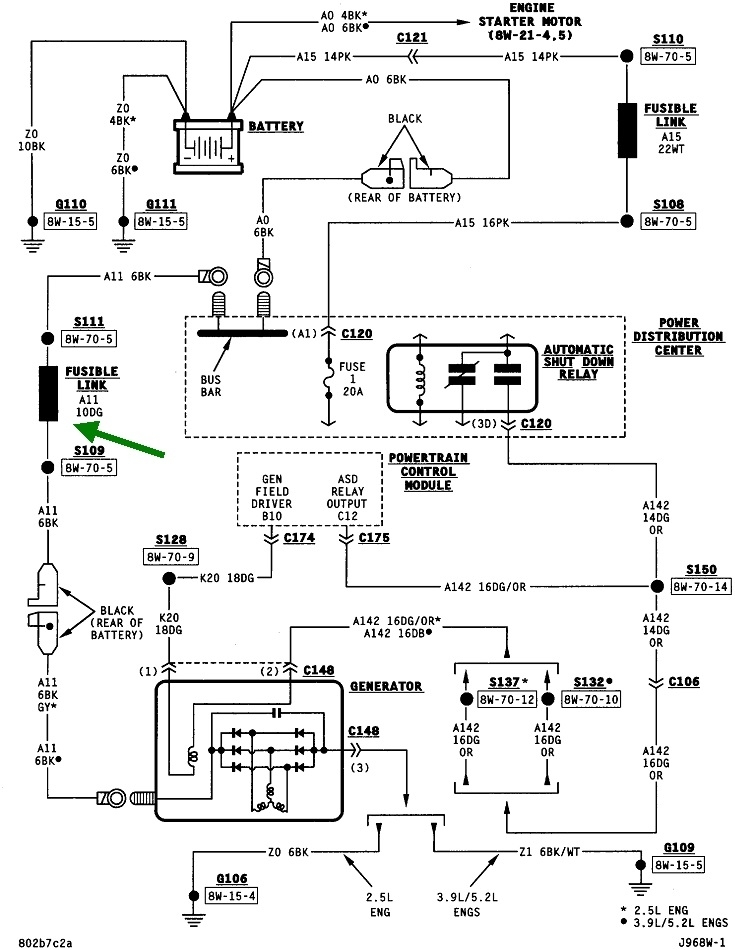
Previous owner mistakenly put the battery in backwards. It stopped charging after that and he replaced alternator, and starter motor. It won't hold the charge of the battery. It's barely pushing 11 v at the back of the little black regulator.
It's a new alternator that's been tested, the batteries are holding a charge from my wall charger. I've read a few things about PCM and tests but I'm pretty lost on what's going on.
The GEN light is on and has been the whole time. If I don't use any of the lights or anything it'll run fine and slowly drain. Please advise. Got a steal on it other than this issue, which I know has to be fixable.
It is a SLT model.
Previous owner mistakenly put the battery in backwards. It stopped charging after that and he replaced alternator, and starter motor. It won't hold the charge of the battery. It's barely pushing 11 v at the back of the little black regulator.
It's a new alternator that's been tested, the batteries are holding a charge from my wall charger. I've read a few things about PCM and tests but I'm pretty lost on what's going on.
The GEN light is on and has been the whole time. If I don't use any of the lights or anything it'll run fine and slowly drain. Please advise. Got a steal on it other than this issue, which I know has to be fixable.
Dec 30, 2020 at 2:08 PM









