Alternator not charging battery?

2006 FORD EXPLORER
130,000 MILES • 4.6L • V8 • 4WD • AUTOMATIC
Avatar
STREBBS
  • MEMBER
  • 1 POST
I have replaced the alternator and battery (both new), but found the alternator is still not charging the battery. Looking for advice on where to check next (possible fuses, fusible lines, grounding issues, etc. ). Or if there are any particular issues with that year/model. Electrical components on vehicles are not my strong suit.
Oct 6, 2018 at 2:51 PM
Advertisement
Avatar
JACOBANDNICKOLAS
  • CERTIFIED EXPERT
  • 110,175 POSTS
Hi and thanks for using 2CarPros.com.

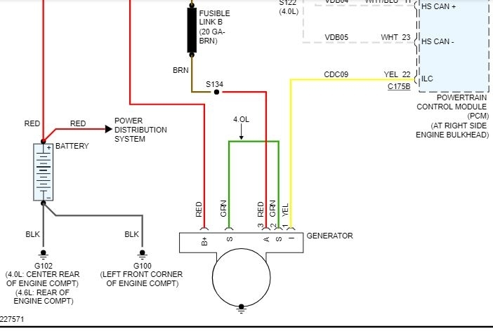
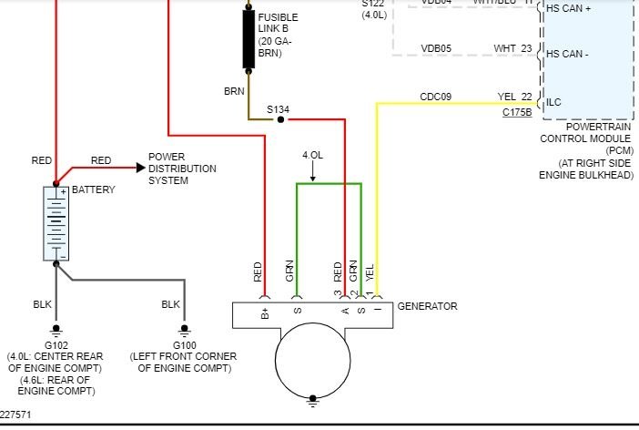
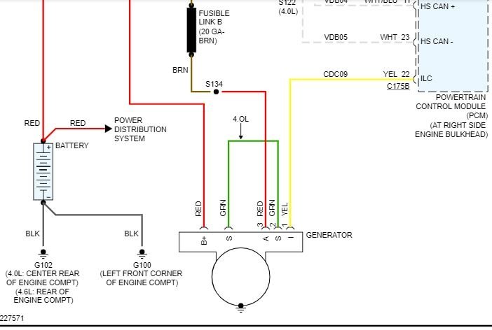
Chances are one of the two fusible links is bad. One is between the battery junction box and the alternator. The other comes off the alternator and back to the junction box. I have attached a schematic for you to see. I had to cut the picture in half to get everything copied. Thus, the second picture is a continuation of the first.

Check these links to see if one has blown.

Let me know what you find or if you have other questions.

Take care,
Joe
Oct 6, 2018 at 9:23 PM