Alternator not charging

2008 LINCOLN NAVIGATOR
180,000 MILES • 5.4L • V8 • 4WD • AUTOMATIC
Avatar
MILEHIGHJUNK
  • MEMBER
  • 1 POST
I replaced my battery and alternator, still not charging!
Mar 12, 2022 at 4:04 PM
Advertisement
Avatar
SQM
  • CERTIFIED EXPERT
  • 6,383 POSTS
Hello,

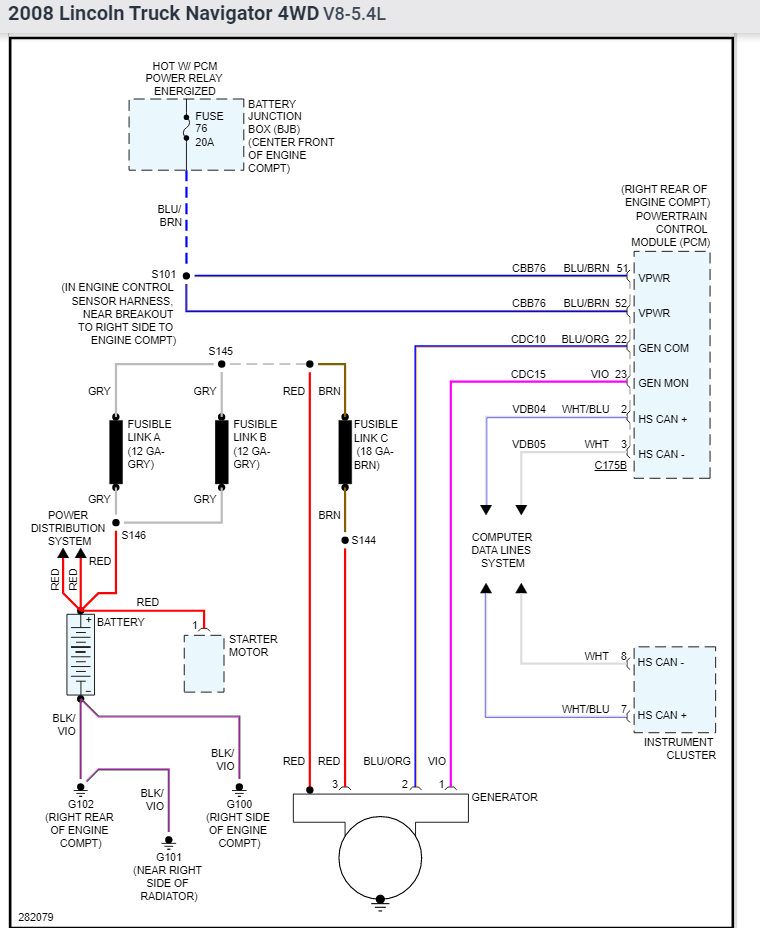
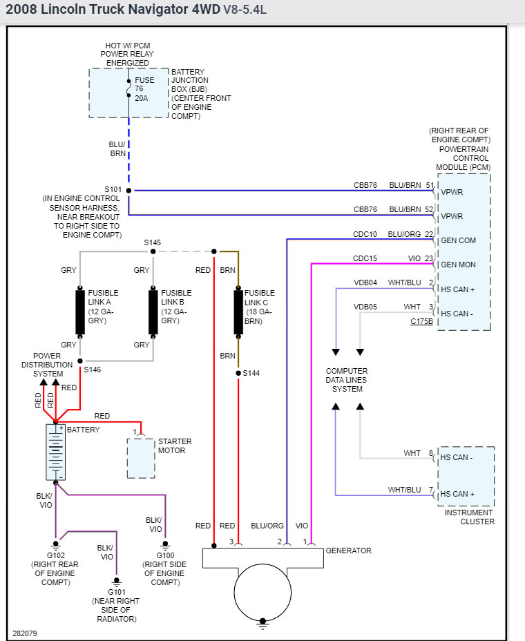
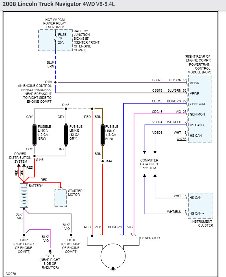
The issue could be bad fusible link for the alternator. This vehicle has few fusible links for the charging system. They are located under the hood on the right side of the engine compartment.

I have attached the wiring schematics below.

Please let me know of any questions.
Mar 12, 2022 at 9:48 PM