Alternator not charging

2005 FORD F-250
120,000 MILES • 6.0L • V8 • TURBO • 4WD • AUTOMATIC
Avatar
WESX
  • MEMBER
  • 2 POSTS
Runs the batteries down while running. With key off the orange wire on the three prong plug on the alternator is hot. With the key on the green wire is not hot but the orange wire is.
Jan 31, 2019 at 2:42 PM
Advertisement
Avatar
KENW1
  • CERTIFIED EXPERT
  • 213 POSTS
Thanks for visiting 2CarPros.

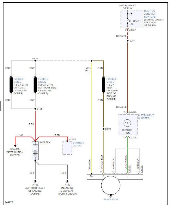
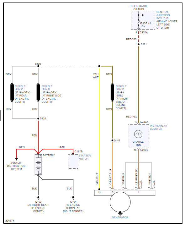
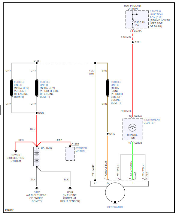
Please check fuse 45 in the fuse box on the left side of the dash. I'll post a link to the owners manual below that will have fuse locations in it. Check out the diagrams (Below). Please let us know what you find.
Feb 1, 2019 at 4:45 PM
Avatar
WESX
  • MEMBER
  • 2 POSTS
I liked the help, but the 45 fuse was good. Found the problem to be a service plug on the passenger side fender by the battery has the alternator looped in the connector and bad connection. Fixed and thanks for everyone trying to figure this out.
Feb 3, 2019 at 12:37 PM
Advertisement
Avatar
WESX
  • MEMBER
  • 2 POSTS
Figured it out by accident as I was cleaning the passenger side battery I looked down and on the fender by the bat was a connector with a green wire loop same color as the alt wire connector. Pulled it apart and cleaned up the pins plugged it back in and presto charging perfectly. This must be a service plug because it dead ends .
Feb 3, 2019 at 1:47 PM
Avatar
STRAILER
  • CERTIFIED EXPERT
  • 53,854 POSTS
Excellent addition to this thread! Please feel free to help out whenever you are on the site :)
Feb 6, 2019 at 1:49 PM
Avatar
BDPURSER
  • MEMBER
  • 1 POST
i have a f250 super duty 6.0 turbo diesel. i have recently changed both batteries and after only one week they are going dead. the batteries i replaced were only a year old. what could be causing the batteries to run down.
Jun 12, 2020 at 12:26 PM (Merged)
Avatar
RASMATAZ
  • CERTIFIED EXPERT
  • 75,992 POSTS
Could be a short circuit in the electrical system draining the battery overnite-perform a drain test.


https://www.2carpros.com/forum/automotive_pictures/12900_parastic_draw_1_44.jpg

Jun 12, 2020 at 12:26 PM (Merged)
Avatar
BETHPASHLEY
  • MEMBER
  • 1 POST
Truck does not hold a charge. Battery and fuses have been checked and are
good and I replaced alternator. Does this truck have a fuseable link? Maybe the ECM? Help!!
Jun 12, 2020 at 12:26 PM (Merged)
Avatar
DAVE H
  • CERTIFIED EXPERT
  • 13,384 POSTS
use a voltmeter over battery terminals with engine running you should be getting around 13 - 14 volts if you are, then nothing is wrong with the fusible links and you will have to detect what is draining the battery


https://www.2carpros.com/forum/automotive_pictures/266999_gen_2.jpg

Jun 12, 2020 at 12:26 PM (Merged)
Avatar
LONNIE DINGUS
  • MEMBER
  • 2 POSTS
After start up it will show charge voltage at both batterys. But it takes a few minutes before it will show a normal charge. Field circut fuse is good. orange/blk wire at alternator has 12.45 volts. Green/org wire has 0.21 volts, key off. key on voltage starts out at about 11.00 volts and gradually climbs to 12.20 volts.
Jun 12, 2020 at 12:26 PM (Merged)
Avatar
DR LOOT
  • CERTIFIED EXPERT
  • 2,311 POSTS
the alternator is no good very common problems on these ford diesel's considering the fact they have to charge 2 batteries and the alternator is not heavy-duty enough
Jun 12, 2020 at 12:26 PM (Merged)
Avatar
LONNIE DINGUS
  • MEMBER
  • 2 POSTS
The alternator is new . And has tested good! It charges good but should charge imedently upon starting vechile, but does not. It takes a few minutes then charges notmal.
Jun 12, 2020 at 12:26 PM (Merged)
Avatar
DR LOOT
  • CERTIFIED EXPERT
  • 2,311 POSTS
sometimes I have changed the alternators on these trucks three times if the battery cables are dirty or if you have one weak battery you will damage the internal regulator in the alternator. Due to the fact that it takes so much current to start that diesel it is not unusual for the alternator to get up to maximum charging levels within 10 seconds.
Jun 12, 2020 at 12:26 PM (Merged)
Avatar
MASTERDEP
  • MEMBER
  • 2 POSTS
Had a weak battery that I replaced several weeks ago. Then on way to work, truck died, not enough juice to re-start. Could jump start to start it again, but would not stay running. Replaced alternator and serpentine belt yesterday. Worked fine for a day. Today, same thing? HELP! Suggestions?
Jun 12, 2020 at 12:26 PM (Merged)
Avatar
BLUELIGHTNIN6
  • CERTIFIED EXPERT
  • 16,542 POSTS
Hello
Thanks for the donation.

Try cleaning the battery cables and terminals and ensure they are free of any corrosion at the battery as well as at the ground on body and the hot wire too.

Could also be an accessory that is staying running without your knowledge that is draining the battery. If you don't notice anything staying on such as interior lights, radio, etc.. then it may be a faulty ground somewhere. Has anything quit working on your vehicle that is power? If so, that is where you will need to start troubleshooting for a loose ground.

Hope this helps..
Thanks for using 2carpros.com !
Jun 12, 2020 at 12:26 PM (Merged)