Alternator not charging?

1994 MAZDA B3000
195,000 MILES • 3.0L • V6 • 4WD • MANUAL
Avatar
BLAZ85
  • MEMBER
  • 54 POSTS
I am helping my friend with above vehicle which he recently purchased. It is kind of a "beater" but meets his needs. When first purchased, the alternator was not charging. Thinking it was a bad alternator, he purchased a new one. The new one did not charge either. He had the new one bench tested and it performed just as it should. That leaves us with a wiring issue.

Looking in the engine compartment around the alternator, one can see several wiring changes. I think the previous owner "botched up" the wiring to alternator and that is reason it is not charging (probably also the reason he sold the vehicle).

Could you provide me a wiring diagram for the entire charging system on this vehicle? With the diagram we should be able to find and correct the problem.

Thank you in advance for your response
Apr 2, 2023 at 9:06 PM
Advertisement
Avatar
JACOBANDNICKOLAS
  • CERTIFIED EXPERT
  • 110,175 POSTS
Hi,

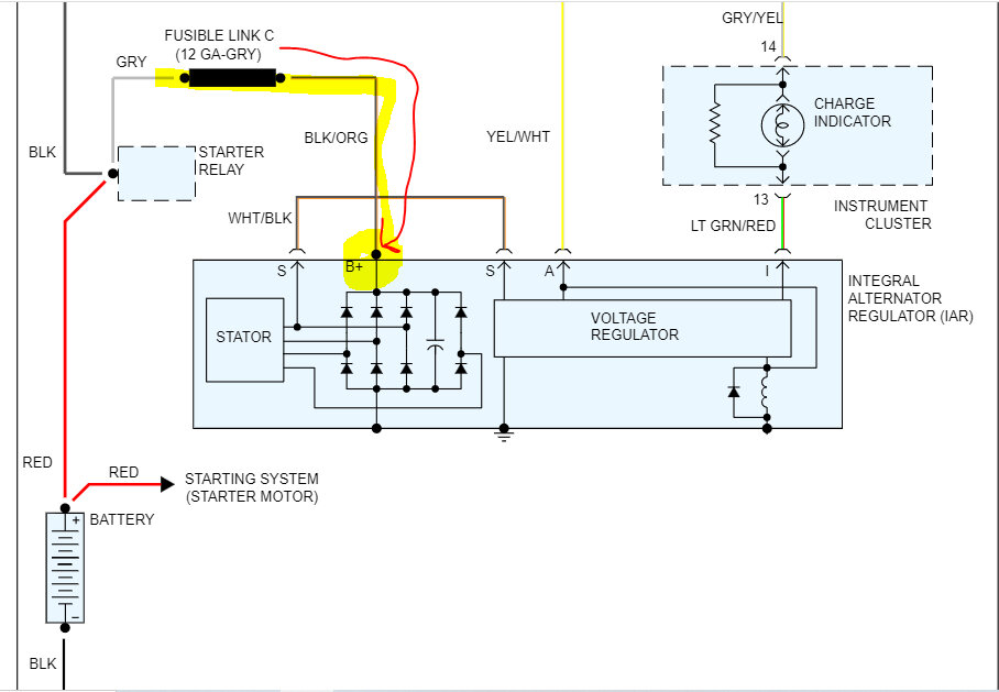
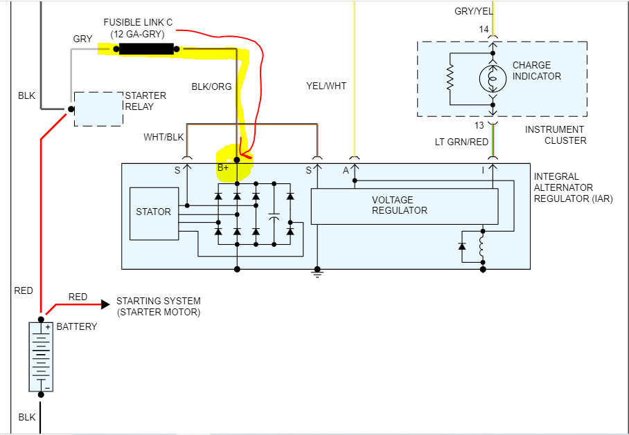
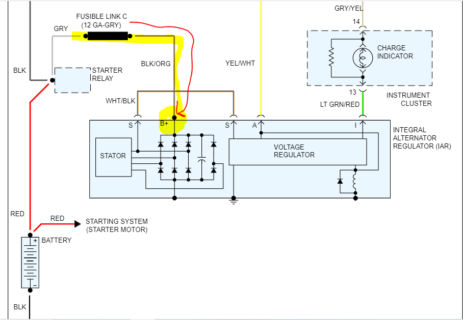
There is a black wire with an orange tracer at the alternator. It should have battery voltage at all times. Check for that first. That power wire comes from the starter and has a fusible link in it. If the link fails, you won't get power to the alternator, and it won't charge.

Let me know what you find. Also, I attached the wiring schematic below. I had to cut the pic in half to make it readable, but I did overlap it so you can follow from one to the next.

Take care and let me know if this helps.

Joe

See pics below.
Apr 2, 2023 at 10:25 PM
Avatar
BLAZ85
  • MEMBER
  • 54 POSTS
First, thank you for your quick response.

i looked at the vehicle Sunday. First, i checked the fusible link you mentioned, it was good. Next, i checked for the voltage provided through the ignition switch, it was good also. Lastly, i checked for the constant battery voltage on the yellow/white wire. None was present. I proceeded to check fuse 16 in the engine compartment fuse box. Low and behold, there was no fuse in that slot. I borrowed another fuse from the box and inserted it into slot 16. Guess what? 14.4v output. That had been the problem all along and most likely the alternator he replaced was ok. No one knows how long the fuse has been missing or what became of it. All ended well, he is riding and happy.

The wiring diagram and your suggestions made the repair quick and easy. Thank you so much.

As an additional comment, this is an excellent example of what you constantly stress, "test before you replace".

Thanks again!
Apr 10, 2023 at 5:12 PM
Advertisement
Avatar
JACOBANDNICKOLAS
  • CERTIFIED EXPERT
  • 110,175 POSTS
Hi,

First, you are very welcome, and thank you for the update. I'm glad to know you found the issue. It's odd that the fuse was missing. Also, your wisdom is well taken. LOL Always test first. I suspect that is going to help someone with the same type of issue.

Regardless, I'm glad it's fixed and charging again. Please feel free to come back anytime in the future. You are always welcome.

Take good care of yourself,

Joe
Apr 10, 2023 at 8:15 PM