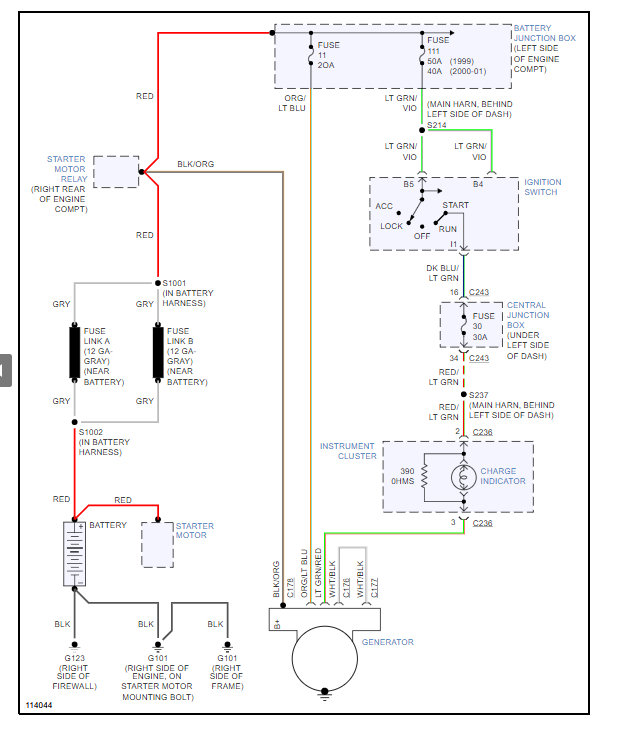
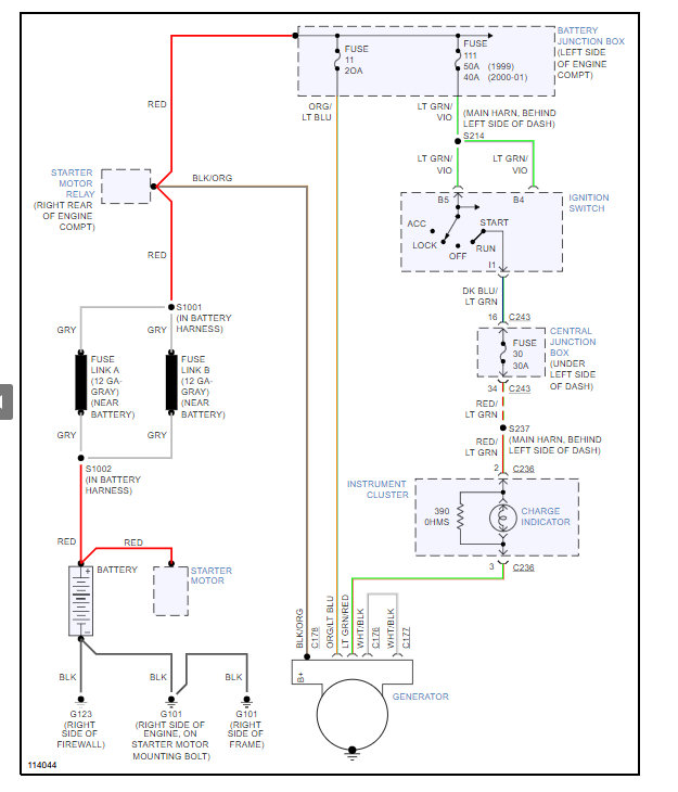
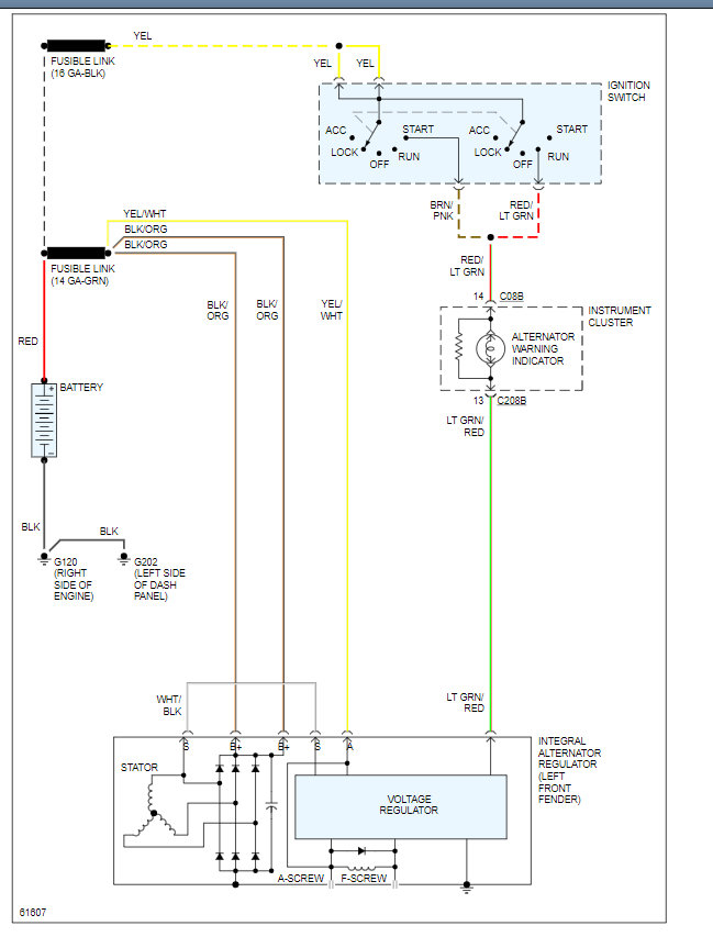
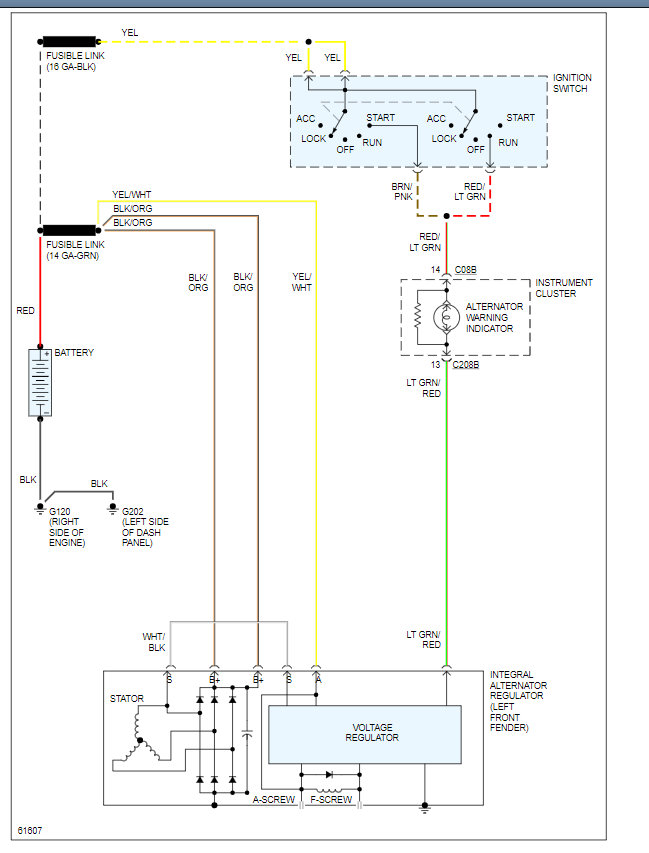
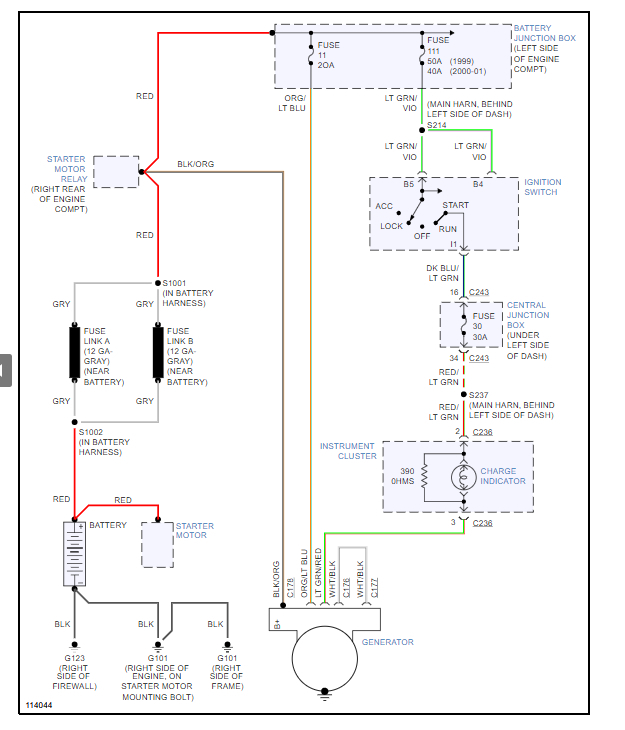
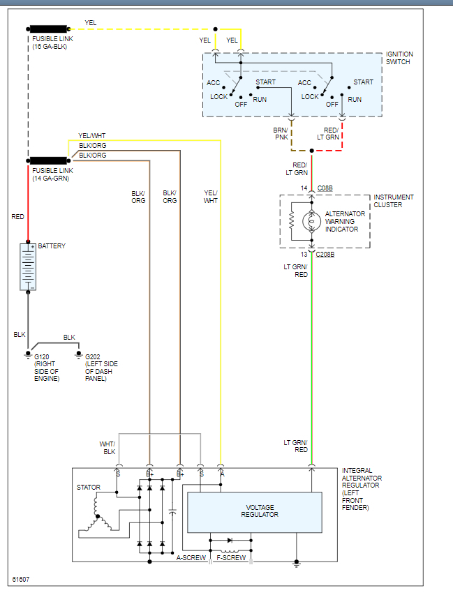
I got in my truck and the car charger for my phone was beeping, indicating the voltage was low. At that time it was 11.4 volts. I drove about five miles and the battery gauge dropped to zero. Wipers were barely moving. I started noticing resistance while driving. All of a sudden all of the gauges dropped to zero and the truck shut off. I looked under the under and the hot wire and rubber boot burned completely off the alternator. Truck is completely out. The nut on alternator is still tight. I checked voltage to battery and it is showing 10 volts. I need some serious help here.
Jun 9, 2018 at 2:43 PM








