Alternator hookup

2005 MERCEDES BENZ C230
1,000,000 MILES
Avatar
DWAYNE HARRINGTON
  • MEMBER
  • 1 POST
Trying to find out which terminal. does the starter wire hook to b- or b+ on alternator?
Jul 22, 2017 at 6:11 PM
Advertisement
Avatar
STEVE W.
  • CERTIFIED EXPERT
  • 15,113 POSTS
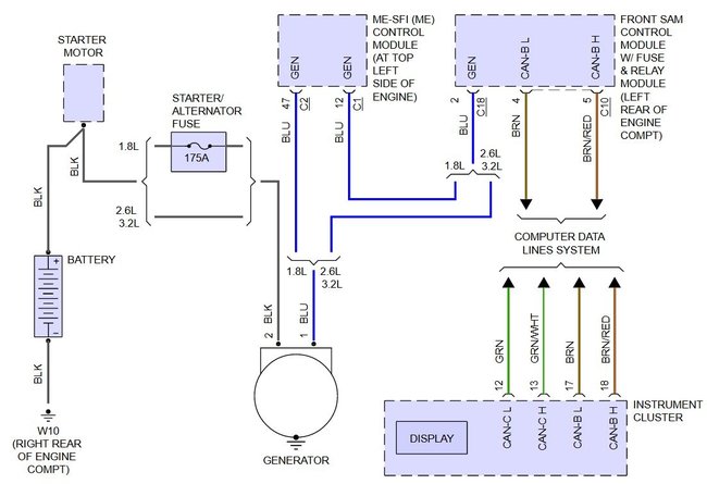
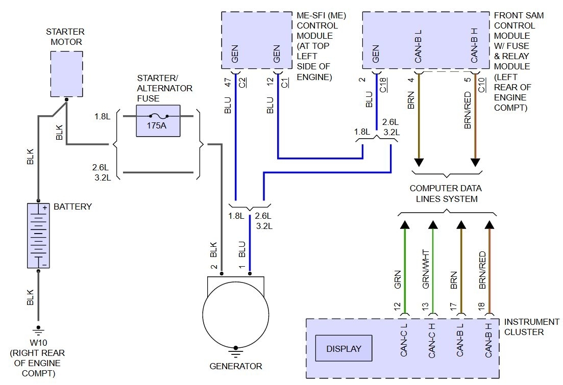
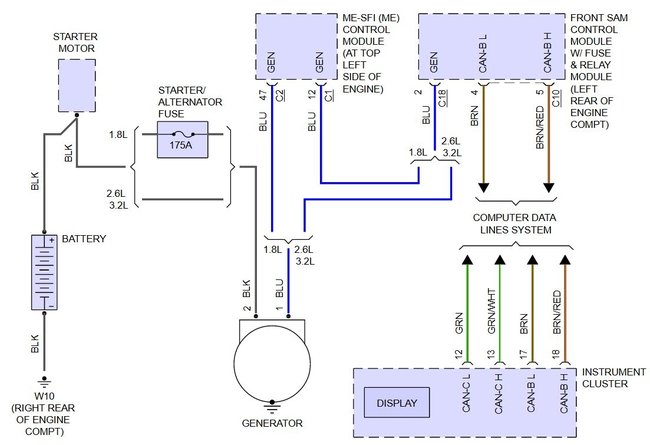
There should be a black wire that connects from the alternator to the battery terminal on the starter on terminal two. And a blue wire that connects to terminal one.
Jul 23, 2017 at 6:39 PM
Avatar
STEVE W.
  • CERTIFIED EXPERT
  • 15,113 POSTS
Image for above.
Jul 23, 2017 at 6:42 PM
Advertisement