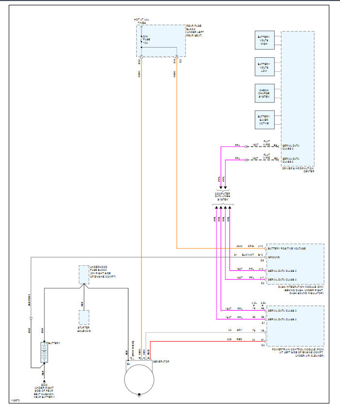
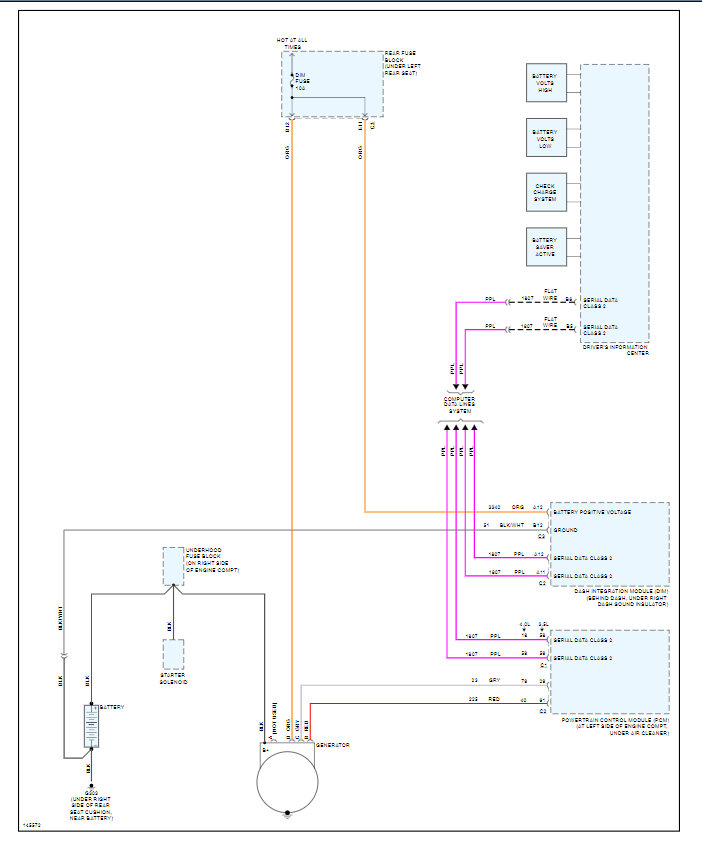
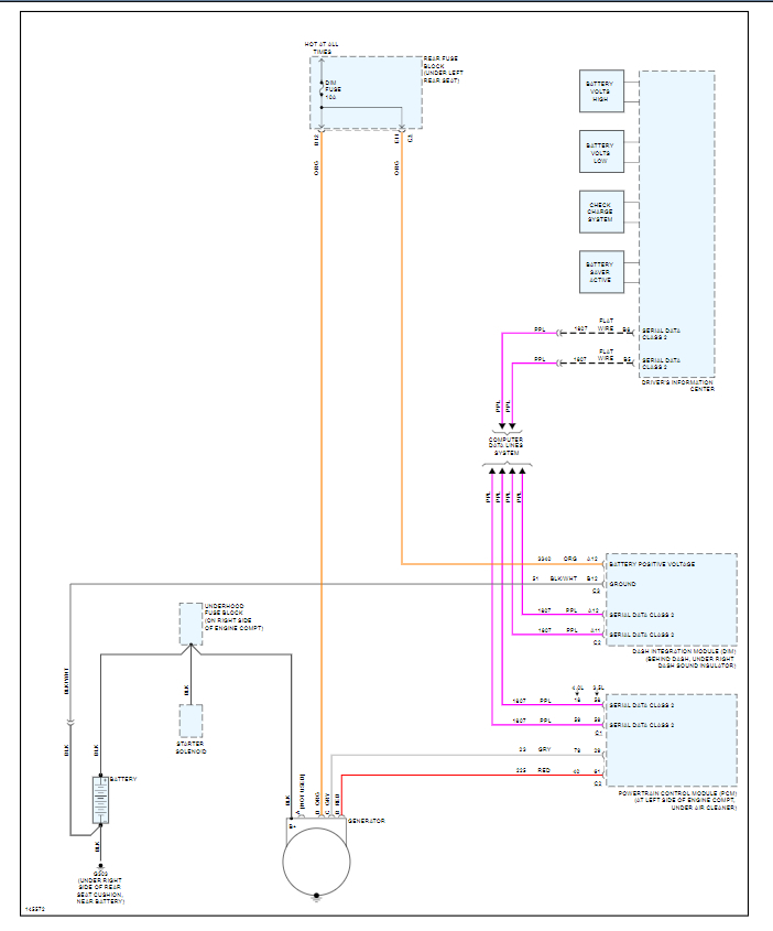
I got a new wiring harness for my alternator because the old connector was melted into my alternator. The problem is the new connector didn't come color coated. Not sure where to start.
Nov 2, 2020 at 1:24 PM


