Alternator charging light turns on?

2004 CHEVROLET SILVERADO
130,000 MILES • 5.3L • V8 • 2WD • AUTOMATIC
Avatar
JOSEPH19832
  • MEMBER
  • 1 POST
I have checked the alternator battery all the wiring and the grounds in the engine but the battery light in the cab turns on and off along with the message center telling me the battery is not charging turning on and off.
Sep 23, 2019 at 1:31 PM
Advertisement
Avatar
ASEMASTER6371
  • CERTIFIED EXPERT
  • 52,796 POSTS
Good evening.

Can you check the voltage at the battery with the engine running?

https://www.2carpros.com/articles/how-to-check-a-car-alternator

Roy
Sep 23, 2019 at 3:50 PM
Avatar
JOSEPH19832
  • MEMBER
  • 1 POST
Their is 14.6 at the battery and 14.7 at the alternator. also the battery is holding a 12.5-12.6v charge.
Sep 25, 2019 at 3:16 PM
Advertisement
Avatar
STRAILER
  • CERTIFIED EXPERT
  • 53,854 POSTS
If I can step in here. it sounds like the have a bad PCM that is what controls the alternator. To be sure here is a guide to check the wiring with the alternator wiring diagrams so you can see how the system works and the PCM replacement instructions as well:

https://www.2carpros.com/articles/how-to-check-wiring

Check out the diagrams (below). Please let us know what you find. We are interested to see what it is.
Sep 25, 2019 at 3:22 PM
Avatar
ROUNDMAN711
  • MEMBER
  • 1 POST
In my message center on the dash the red battery icon keeps coming on and off. I have duel batteries(camper package). Even when it is lit the volt meter still reads over 14 volts. The battery has not gone dead. Both batteries are original. Someone told me it might be a diode in my alternator.
Sep 3, 2020 at 6:25 PM (Merged)
Avatar
CB60
  • MEMBER
  • 7 POSTS
I have the same problem with my 2002 silverado . Did you ever get it fix and if so can you tell me what td do.
Thanks
Sep 3, 2020 at 6:25 PM (Merged)
Avatar
RASMATAZ
  • CERTIFIED EXPERT
  • 75,992 POSTS
TO: CB60

Sounds like you need to have the computer controlled of the alternator's field generation circuit -checked
Sep 3, 2020 at 6:25 PM (Merged)
Avatar
CB60
  • MEMBER
  • 7 POSTS
I put on a " new" alternator and belt today and the light went out. :) Hope this helps you.
Sep 3, 2020 at 6:25 PM (Merged)
Avatar
ANGEL LONG
  • MEMBER
  • 17 POSTS
The truck will start. It'll run. For a while. The AMP meter slowly drains. Eventually it starts to backfire and shut off. The speedometer is no longer working and neither is the radio. Also the windows are very slow to roll up/down. I looked at the fuse panel inside and the RAP relay is missing. I've had the battery checked. It's good. I had the alternator checked and I was told it was bad. My friend and I purchased another used alternator and changed them out. It's still running the same. Starts. Runs. Shuts off. I figure either the used alternator is bad, or there's something else going on. I wanted to get an outside opinion before purchasing a brand new alternator. All thoughts on the matter are welcome.
Sep 3, 2020 at 6:25 PM (Merged)
Avatar
JACOBANDNICKOLAS
  • CERTIFIED EXPERT
  • 110,175 POSTS
Hi,

If you see the alternator gauge dropping, chances are the alternator is the problem. Do me a favor. I want you to check the alternator output. It is very easy to do. All you need is a volt meter or a multi meter. Here is a link that explains how it is done:

https://www.2carpros.com/articles/how-to-check-a-car-alternator

I don't know if you need it, but here is a link you may find helpful:

https://www.2carpros.com/articles/how-to-use-a-voltmeter

If you find the alternator isn't producing and needs replaced, here is a link that shows in general how it is done:

https://www.2carpros.com/articles/how-to-replace-an-alternator
____________________________________

Here are the directions specific to your vehicle for replacement. The attached pics correlate with the directions.

2002 Chevy Truck K 1500 Truck 4WD V8-5.3L VIN T
Generator Replacement
Vehicle Starting and Charging Charging System Alternator Service and Repair Procedures Generator Replacement
GENERATOR REPLACEMENT
REMOVAL PROCEDURE

CAUTION: Refer to Battery Disconnect Caution in Service Precautions.


pic 1

1. Disconnect the negative battery cable.
2. Remove the accessory drive belt.
3. If necessary, remove the engine sight shield.


pic 2

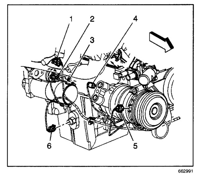
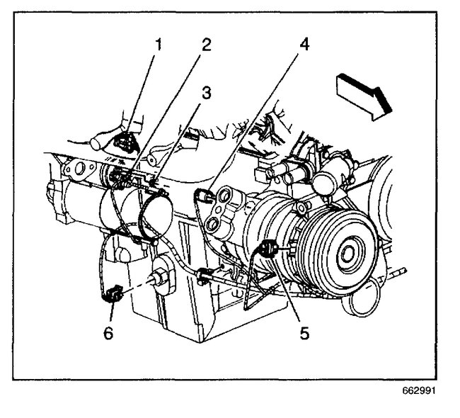
4. Disconnect the generator electrical connector (3).


pic 3

5. Remove the generator cable from the generator, perform the following:
5.1.Slide the boot down revealing the terminal stud.
5.2.Remove the generator cable nut from the terminal stud.
5.3.Remove the generator cable.

pic 4

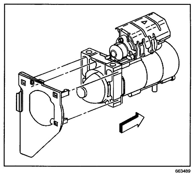
6. Remove the generator bolts.
7. Remove the generator.

INSTALLATION PROCEDURE


pic 5

1. Install the generator.

NOTE: Refer to Fastener Notice in Service Precautions.

2. Install the generator bolts.

Tighten
Tighten the generator bolts to 50 N.m (37 lb ft).


pic 6

3. Install the generator cable to the generator, perform the following:
3.1.Install the generator cable.
3.2.Install the generator cable nut to the terminal stud.

Tighten
Tighten the generator cable nut to 9 N.m (80 lb in).

3.3.Slide the boot over the terminal stud.


pic 7

4. Connect the generator electrical connector (3).
5. If necessary, install the engine sight shield.
6. Install the accessory drive belt.


pic 8

7. Connect the negative battery cable.

_________________________________________

Let me know the results you get when checking the alternator. Also, if you have other questions, let me know.

Take care,
joe
Sep 3, 2020 at 6:25 PM (Merged)
Avatar
ANGEL LONG
  • MEMBER
  • 17 POSTS
Okay, here's an update: I took the alternator off the truck and had it tested separate. Tests say it's good. I took a peek in the fuse box under the hood and low and behold there's two wires running directly from the box to the brake pedal.. we're thinking it has been rigged by the previous owner to work the trailer lights. Thoughts? Also the remote jumper terminal is melted and corroded. Definitely needs replacing.
Sep 3, 2020 at 6:25 PM (Merged)
Avatar
JACOBANDNICKOLAS
  • CERTIFIED EXPERT
  • 110,175 POSTS
Interesting about the wires. Are the connected to the brake pedal switch? Is it possible for you to upload a pic of what you found? I want to see how they are in the box. If possible, attach a pic of the remote jumper cable you mentioned.

Let me know.
Joe
Sep 3, 2020 at 6:25 PM (Merged)
Avatar
ANGEL LONG
  • MEMBER
  • 17 POSTS
The wires go to the brake switch. The last pic is of the fuse block on the inside.
Sep 3, 2020 at 6:25 PM (Merged)
Avatar
MIKE0555
  • MEMBER
  • 1 POST
Electrical problem
2002 Chevy Silverado V8 Four Wheel Drive Manual

battery light is flashing, battery is charging, alternator putting out 13-14 volts, battery 12 volts wihen not running
Sep 3, 2020 at 6:25 PM (Merged)
Avatar
RASMATAZ
  • CERTIFIED EXPERT
  • 75,992 POSTS
Get the computer controlled of the alternator field generation duty cycle signal circuit checked out and also check battery and alternator connections-
Sep 3, 2020 at 6:25 PM (Merged)
Avatar
JACOBANDNICKOLAS
  • CERTIFIED EXPERT
  • 110,175 POSTS
Since the jumper wires they attached are pushed in, disconnect them from power and see if the brake lights still work. If they do, I suspect those were for an electrical brake controller.

Also, pic 1 shows a lot of corrosion. Disconnect the battery, remove the nut (pic 1) and clean everything to confirm a good connection.

Let me know what you find.

Joe
Sep 3, 2020 at 6:25 PM (Merged)
Avatar
ANGEL LONG
  • MEMBER
  • 17 POSTS
We replaced the jumper. It's getting connection a lot better, but it still doesn't want to start after running a while. None of the gauges inside are working now...The wires do work the brake lights. Do you think that's wearing the battery down? Side question: as you can see in the third pic I posted, the RAP relay is missing, do you think that has anything to do with the problem? Also, my mechanic friend says the clutch fan needs replacing, would that run the battery down?
Sep 3, 2020 at 6:25 PM (Merged)
Avatar
JACOBANDNICKOLAS
  • CERTIFIED EXPERT
  • 110,175 POSTS
As far as the RAP, that is energized until you have the key removed and open the door. If the door isn't opened, it will power certain accessories until a predetermined amount of time passes. Since there isn't one, I have no idea if the prior owner is powering some things all the time. The RAP continues power to things such as the power windows, radio, Onstar and so on. Do any of those things remain powered after the key is in the off position and prior to opening any doors? Note there are two RAP relays. See pics 1 and 2 for locations.

As far as the loss of instrument panel gauges, did you check fuses where you were working? Also, have you ever been able to identify if spark or fuel is missing when it refuses to start?

Joe
Sep 3, 2020 at 6:25 PM (Merged)
Avatar
ANGEL LONG
  • MEMBER
  • 17 POSTS
Sorry I've been MIA. I've been doing research and today I got a friend to let me hook up their scanner. It popped up 4 error codes. 2 of them were the Knock sensors. 1 was an Evaporative Emissions sensor and the last was a Random Misfire error code. We're going to test the vacuum hose for leaks and of course I'm going to purchase and install the Knock sensors ASAP. However there are a few other things that are troubling me about the truck. 1. None of those codes explain the brake light problem we're having. As you know, the previous owner/my dealership rigged up a bypass to the brake switch by running two wires directly into the fuse box. Well we purchased another brake switch, installed it, rewired the brake switch from the fuse box to the appropriate wiring and nothing. We still have no brake lights. I'm not sure what the problem could be. Do you have any ideas?
Sep 3, 2020 at 6:25 PM (Merged)
Avatar
MYSOFTAIL98
  • MEMBER
  • 1 POST
I have a 2002 Silverado Z71 5.3L with 91K miles. My battery light comes on for a few seconds and then off again while driving. Also sometimes the votage jumps back and forth from 14.6 to 13.4 at idle. I have replaced the alternator with a new delco 130 amp. I also change the belt at the same time. The battery is about 7 months old and I have tested it just to make sure its good. Lastly I had a new PCM installed from the dealer. Where should I look next ? Thanks for any help.
Sep 3, 2020 at 6:25 PM (Merged)
Avatar
ZACKMAN
  • CERTIFIED EXPERT
  • 4,202 POSTS
Check your belt tensioner. Over time, the spring in the tensioner assembly gets weak/damaged and the belt gets loose and not properly tensioned. This will cause the light to turn on.

You may also wish to bring the vehicle to a parts store and have them check the entire electrical system, not just battery, but starter and alternator.
Sep 3, 2020 at 6:25 PM (Merged)
Avatar
JACOBANDNICKOLAS
  • CERTIFIED EXPERT
  • 110,175 POSTS
Hi,

Was there power to the new brake light switch from where you rewired?

Joe
Sep 3, 2020 at 6:25 PM (Merged)
Avatar
ZACKMAN
  • CERTIFIED EXPERT
  • 4,202 POSTS
[quote:274270e010]I took your advise and replace the tensioner and while I was at it I also replaced the idler pulley. Unfortunately this didn't fix my problem. I don't know where to go next and I can't keep throwing money at it. Hopefully you can lead me in another direction . You told me to have my electrical system checked at an auto parts store. Just to let you know that I have already replaced the starter and alternator.. Thanks for any help you can give me.[/quote:274270e010]

While I understand that you have replaced the alternator, you should check the entire system to make sure that the ENTIRE system is working properly. The diagnostic is meant for use with GM scan tool, but you can do some of them yourself. Start by checking if the new alternator is working properly. You may have an intermittent problem, that can be a result of poor connection from the alternator and the PCM. The best way to check the entire system is to bring the vehicle to an auto parts store and have them test the entire electrical system. If the test comes back good, and you still have the intermittent problem, you have poor/damage connection.
Sep 3, 2020 at 6:25 PM (Merged)
Avatar
ANGEL LONG
  • MEMBER
  • 17 POSTS
Hello again Joe,

We haven't checked that out just yet. We plan to install the knock sensors Sunday. I'll update after. Side note: I truly appreciate you taking the time to help with this. I realize I haven't been very gracious thus far, but sounding ideas off with you has helped matters exponentially. Thank you.
Sep 3, 2020 at 6:25 PM (Merged)
Avatar
JACOBANDNICKOLAS
  • CERTIFIED EXPERT
  • 110,175 POSTS
No problem whatsoever!!! And you are welcome. I just hope I can help. Let me know when you get the chance to check power to the switch.

Take care,

Joe
Sep 3, 2020 at 6:25 PM (Merged)
Avatar
ANGEL LONG
  • MEMBER
  • 17 POSTS
Howdy Joe,

I asked my mechanic friend how we could check to see if the brake light switch is getting power to it and he said I'd need a tester. I've ordered an AC/DC/Ohm reader. It should arrive by Friday. If you have any ideas on how I might figure this out in the meantime I'd sure appreciate your input as I don't believe my mechanic friend is tech/electrical savvy. Don't get me wrong. He's brilliant. That's just not his area of expertise.
Sep 3, 2020 at 6:25 PM (Merged)
Avatar
JACOBANDNICKOLAS
  • CERTIFIED EXPERT
  • 110,175 POSTS
You could use a simple test light to see if power is at the switch. Do you have one?

https://www.2carpros.com/articles/how-to-use-a-test-light-circuit-tester

Let me know.

Joe
Sep 3, 2020 at 6:25 PM (Merged)
Avatar
RWSCHLAF
  • MEMBER
  • 1 POST
The message center flashes a battery picture 2-3 times and then goes out. This happens about every 10 minutes while driving. Battery was replaced and the voltage after setting over night is 12.3-12.4. After start voltage goes up to about 14.4-14.6. Battery terminals are clean and I cleaned the large wire at the back of the alternator. Driving and starting all seem fine.

Thanks for the info. I don't have a scan tool but have ordered one. I also cleaned the connections at the red junction box and reseated the small 4 conductor connector on the alternator. I looked clean. I am monitoring the voltage wit a DVM plugged into the cigarette lighter and after the cleaning, it is working better. I noticed that when the light was blinking (after 2 hours of operation), the voltage dropped to 14.1. I happened to change from Auto 4WD to 2WD and the light went out and voltage came up. It has been working fine after. I will get the codes and let you know. Thanks for the help.

The final update is that all has been working fine for the last several days and no Battery light, voltages are fine and the truck operates fine. I did check for fault codes and none were found. Must have been coincidental with the problem clearing when I changed the 4WD controls. Thanks for your help.
Sep 3, 2020 at 6:25 PM (Merged)
Avatar
JACOBANDNICKOLAS
  • CERTIFIED EXPERT
  • 110,175 POSTS
It sounds like everything is good and working as it should. To diagnose this problem, you will need to drive the vehicle with an on board scanner that will identify why the light is coming on. It could be a faulty regulator.

Let me know if you have other questions.

Joe
Sep 3, 2020 at 6:25 PM (Merged)
Avatar
ANGEL LONG
  • MEMBER
  • 17 POSTS
Long time no speak Joe!

Sorry, I've not replied. I've been put back to work and now have far less time on my hands. I'm still working on the brake light situation. Haven't gotten any further with it thus far, however I did discover something today that blew me away...the EGR valve is gone in my truck! Gone. There is the connector for the O2 sensor and the bolt that holds the valve on, but no valve. I suppose that explains a lot of the original dysfunction that I posted about, huh? Any-who, I also have an issue with the cluster display. The lights only half work and the odometer and speedometer quit working. I changed the fuse and that temporarily fixed it, but the other day my mom was driving and the radio fell out. Ever since then they've not worked. I read that a problem with the cluster is common with these models. The fix that was offered up involved removing the cluster and re-soldering any weak/damaged diodes. I'm hoping that this isn't what my problem is. Although it looks fairly bleak at this point. Could you give me any alternative answers to this problem? As always, I thank you, and appreciate any input you have on the matter.
Sep 3, 2020 at 6:25 PM (Merged)
Avatar
JACOBANDNICKOLAS
  • CERTIFIED EXPERT
  • 110,175 POSTS
Hi,

Welcome back. LOL Are you saying the EGR is removed? That makes no sense. As far as the cluster, I hate to ask, but I need you to start a new thread. We are trying to keep the posts specific to one topic. I hope you understand.

Let me know about the EGR.

Joe
Sep 3, 2020 at 6:25 PM (Merged)
Avatar
ANGEL LONG
  • MEMBER
  • 17 POSTS
Okay. I'll start another thread about the cluster. It's no problem. I understand, lol. But yeah, the EGR has been removed...observe exhibit A (pic I uploaded). I'm guessing it was removed when the original owner cut the exhaust off at the cab...as you might imagine my truck is supremely loud. I plan to install an exhaust system as soon as I get the other bugs worked out.
Sep 3, 2020 at 6:25 PM (Merged)
Avatar
ANGEL LONG
  • MEMBER
  • 17 POSTS
Forgot to upload exhibit A...lol
Sep 3, 2020 at 6:25 PM (Merged)
Avatar
JACOBANDNICKOLAS
  • CERTIFIED EXPERT
  • 110,175 POSTS
Hi, Angel,

I'm not sure what I'm looking at in the pic. I see the top of the shock. I attached a pic (exhibit B) LOL of the EGR. Let me know if this is what you are referring to.

Joe
Sep 3, 2020 at 6:25 PM (Merged)
Avatar
ANGEL LONG
  • MEMBER
  • 17 POSTS
Hi Joe,

I'm sorry, I took the wrong pic. I'll upload an exhibit C later when I get the time.. I'm beginning to lose hope in my chances of fixing this truck. The worst part is that I still owe on it. Anyway, my mechanic friend installed fuel injectors, fan clutch and did a transmission fluid/filter change and when we started it up after it made a terrible clunking noise like something was trying to fly out of it or came off track and then after that it wouldn't turn over at all. Some of of the injectors weren't properly placed and were leaking fuel. Some of it got in the oil, but that wouldn't have caused it to not turn over right? I sure hope that the motor hasn't stuck. that'd be my luck though. We're thinking it's the starter though since we did have trouble getting it to start before. I sure hope that's the case anyway.
Sep 3, 2020 at 6:25 PM (Merged)
Avatar
JACOBANDNICKOLAS
  • CERTIFIED EXPERT
  • 110,175 POSTS
We'll get it running. Don't worry. Upload exhibit C when you get the chance. Also, the leaking fuel injectors won't cause the engine to lock up. However, how did it get into the oil? Where were they leaking from? Keep in mind, any fuel leak can be dangerous so be careful.

Let me know about the starter. I wish I could have heard what it was doing. I don't know if you need it, but here is a link that shows in general how to replace a starter:

https://www.2carpros.com/articles/how-to-replace-a-starter-motor

Here are the directions specific to your vehicle. The attached pics correlate with the directions.

____________________________

2002 Chevy Truck K 1500 Truck 4WD V8-5.3L VIN T
Starter Motor Replacement -2
Vehicle Starting and Charging Starting System Starter Motor Service and Repair Procedures Starter Motor Replacement -2
STARTER MOTOR REPLACEMENT -2
REMOVAL PROCEDURE

CAUTION: Refer to Battery Disconnect Caution In Service Precautions.


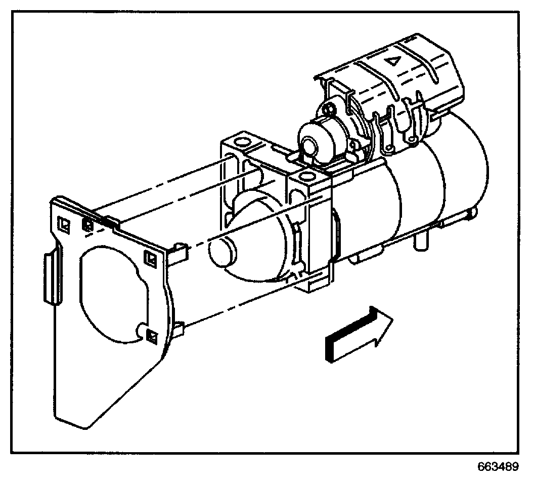
pic 1

1. Disconnect the negative battery cable.
2. Raise and suitably support the vehicle. Refer to Lifting and Jacking the Vehicle.


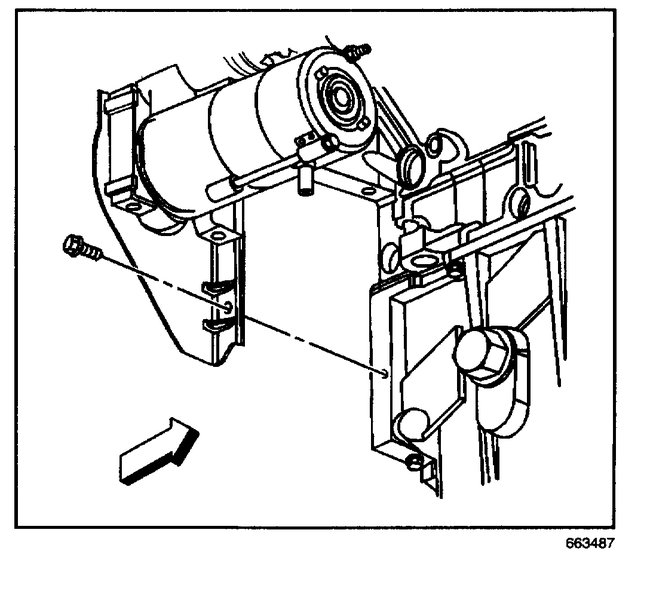
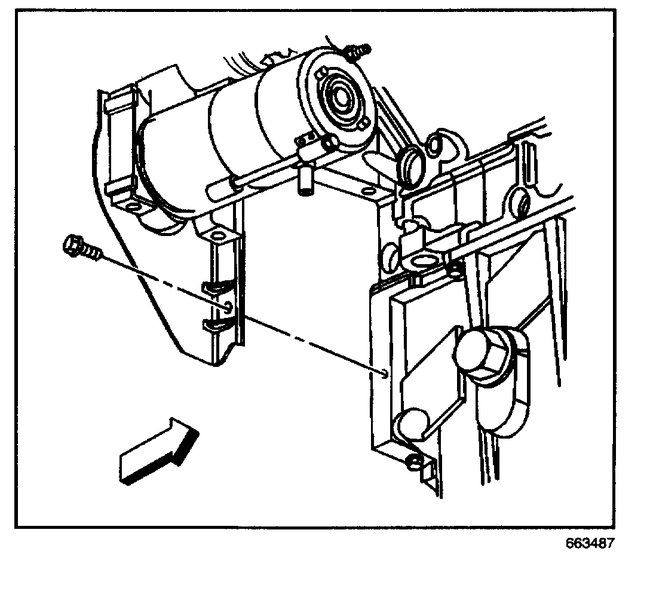
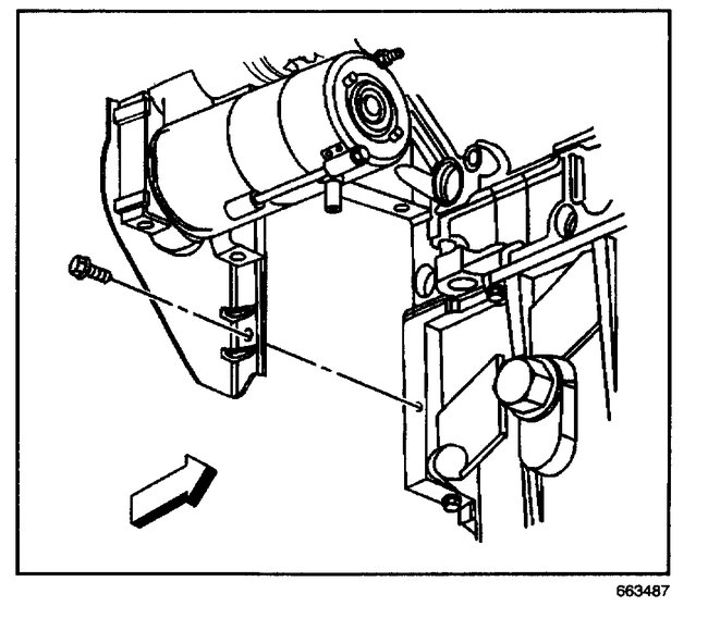
pic 2

3. Remove the right transmission cover bolt.


pic 3

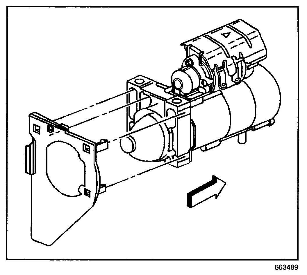
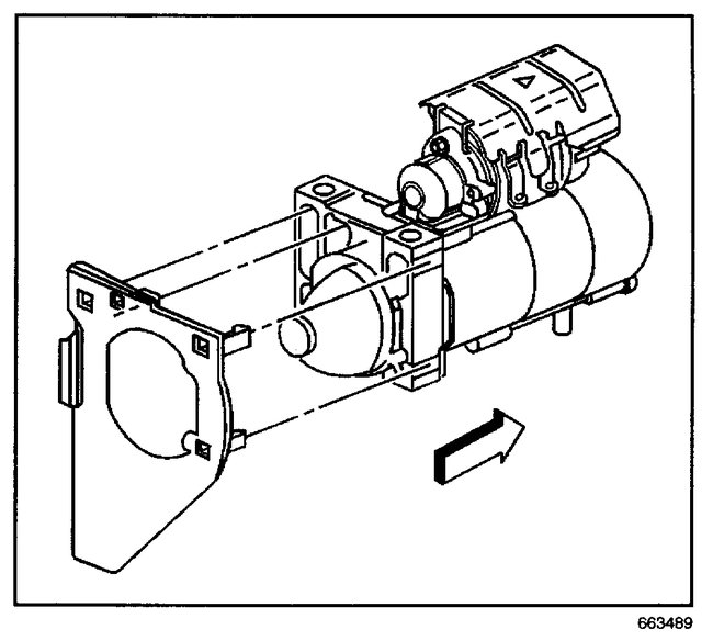
4. Remove the starter bolts.
5. Disconnect the oil level sensor electrical connector.
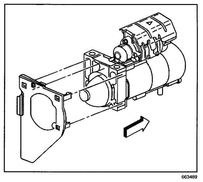
6. Slide the starter forward until the starter clears the transmission.


pic 4

7. Remove the starter solenoid nut (3).
8. Remove the starter lead (2) from the solenoid stud.


pic 5

9. Remove the starter lead nut.
10. Remove the positive cable from the starter stud.
11. Place the starter on a workbench.


pic 6

12. Unsnap the transmission cover from the starter.


pic 7

13. If necessary, remove the starter shield.

INSTALLATION PROCEDURE


pic 8

1. If necessary, install the starter shield.


pic 9

2. Snap the transmission cover to the starter.


pic 10

3. Install the positive cable to the starter stud.

NOTE: Refer to Fastener Notice in Service Precautions.

4. Install the starter lead nut.

Tighten
Tighten the starter lead nut to 9 N.m (80 lb in).


pic 11

5. Install the starter solenoid lead (2) to the solenoid stud.
6. Install the starter solenoid nut (3).

Tighten
Tighten the starter solenoid nut to 3.4 N.m (30 lb in).


pic 12

7. Snap the transmission cover onto the starter.
8. Slide the starter rearward.
9. Install the starter bolts.

Tighten
Tighten the starter bolts to 50 N.m (37 lb ft).

10. Connect the oil level sensor electrical connector.


pic 13

11. Install the right transmission cover bolt.

Tighten
Tighten the transmission cover bolt to 9 N.m (80 lb in).

12. Lower the vehicle.


pic 14

13. Connect the negative battery cable.

___________________

Keep in touch.

Take care,
Joe



Sep 3, 2020 at 6:25 PM (Merged)