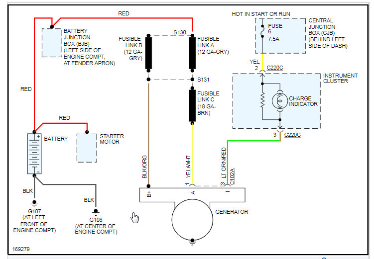
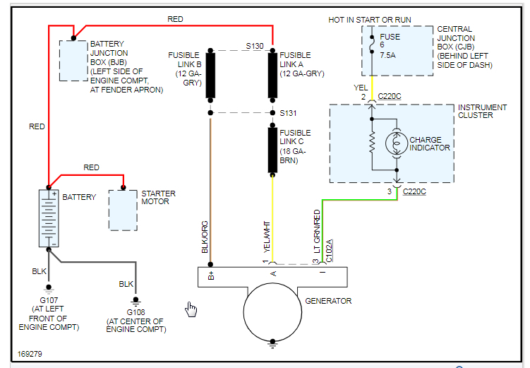
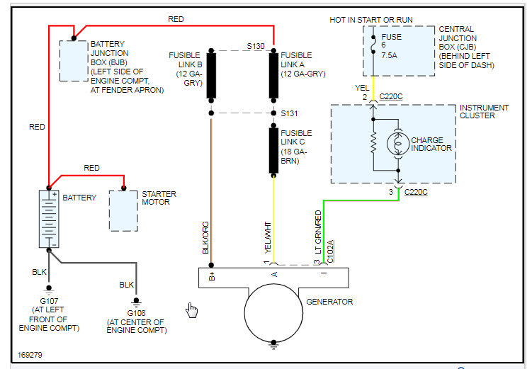
There are a number of things that can cause this. So we need to start with checking the voltage at each of the wires of the generator with the engine running.
https://www.2carpros.com/articles/how-to-check-wiring
Once we know what the voltage is on each of these wires we will have a better idea.
However, we may just have a wiring issue from the generator to the charge indicator. So let's make sure the voltage at the generator is correct.
Below is the wiring diagram that will help with this. Let us know if you have questions on this and we can go from there. Thanks
Jun 1, 2021 at 5:03 PM