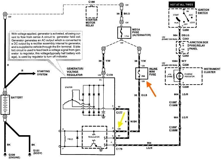
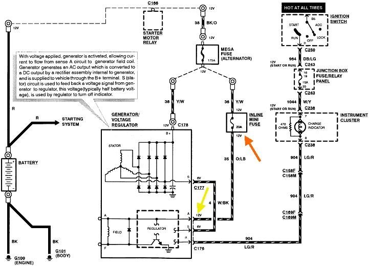
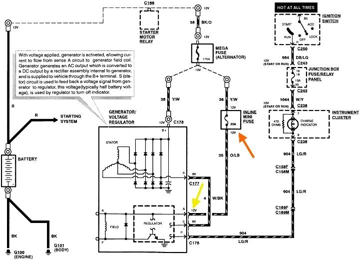
i was driving on the freeway one night and all of a sudden all gauges were red on my dash, the oil,water, and battery lights so i pull over and a friend helped me and we put water in the truck and then all the gauges were normal except for my battery light.the next day i notice it was still on and later that day the battery gauge went all the way down and my truck shut off.after that i took out the battery and put in a new one but my light was still on.the next day i replaced the alternator but the light was still on and i noticed that the gauge kept going down until my truck shut off again.so i went ahead and bought a brand new battery and put it in but the light was still on! then today while driving i noticed that the gauge started going down again til finally my truck shut off again! my uncle told me i need to replace alternator elec cn, I do not know what it is but it looks like a plug with three wires coming out of it white green and yellow wires. is that what i need to fix? i have no idea about cars.
May 22, 2019 at 3:37 AM



