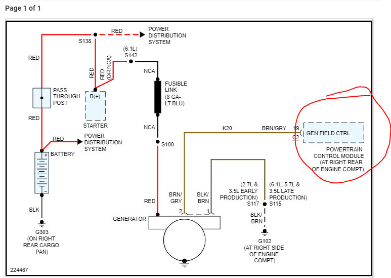
I had to change the starter, but it wasn't done correctly and needed to be redone then car overheated several times. The thermostat changed and then the alternator needed changed twice. Now the battery light came on while I was driving then it wouldn't go over 5 miles per hour then it shut off. This has been happening a lot since the starter wasn't done right and it almost caught on fire. I've been having trouble with the battery and alternator ever since. Please help.
Nov 27, 2022 at 11:43 AM
