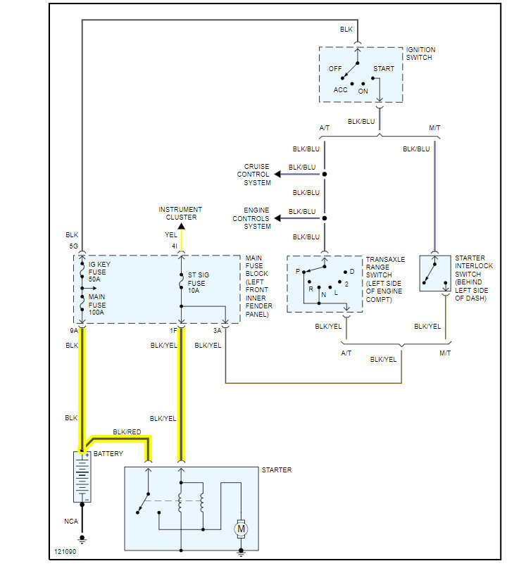
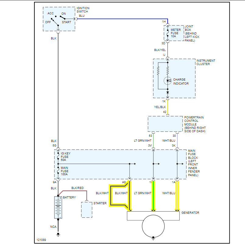
Hello,
Can someone help me figure out it how the alternator and starter wiring is?
I just did a head gasket and I'm putting everything back together.
Can someone help me figure out it how the alternator and starter wiring is?
I just did a head gasket and I'm putting everything back together.
Jun 9, 2021 at 12:07 AM



