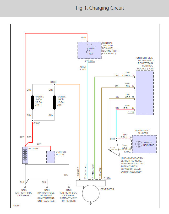
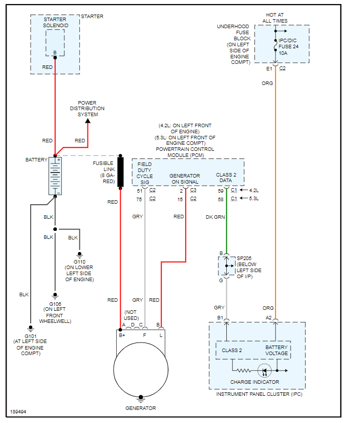
I bought this vehicle as is. No lights were on the dash, drove it for about thirty minutes and suddenly all dash lights started to flicker on and off like crazy, barely made it home. I tried to start it ten minutes later but the battery was almost dead, just heard clicks. I checked the alternator which was bad, producing less than 4 volts. I replaced it with a rebuilt alternator producing maximum 13.4 volts and it fixed the charging problem. I checked the battery and it was good. Although the charging system is working, producing 13.4 volts, Now my battery light stays on and message reads "Check Charging System". Could it be that the rebuilt alternator is not producing enough voltage or is it something else? I checked all cables, cleaned battery posts, tightened all contacts and connections but it did not help, battery light is still on. Also, I get a message to check ADVTRAC, but I have no idea what that means. Any suggestions would be greatly appreciated.
Oct 5, 2016 at 4:07 AM





