Can drive about a day then shuts off, battery keeps draining?

2015 NISSAN PATHFINDER
240,000 MILES • 3.5L • 6 CYL • 4WD • AUTOMATIC
Avatar
TRUCKERWEEKEND
  • MEMBER
  • 5 POSTS
Brand new starter, alternator, belt, cable ends and new plug on alternator. . Sometimes a week at a time then shuts off. Sometimes if it sits for a while will restart and run again.
Apr 20, 2024 at 10:19 AM
Advertisement
Avatar
JACOBANDNICKOLAS
  • CERTIFIED EXPERT
  • 110,175 POSTS
Hi,

I need clarification. When it stalls, is the battery weak or does the starter still engage and turns the engine and it fails to start?

If the battery isn't the issue, my first suspect is the crankshaft position sensor. When they begin to fail, heat can cause them to shut down the engine and once they cool, they can start working again. Do me a favor. Take a look through this link and let me know if anything mirrors what you experienced:

https://www.2carpros.com/articles/symptoms-of-a-bad-crankshaft-sensor

If it is the battery that fails, let me know that as well.

Take care.,

Joe

Apr 20, 2024 at 10:28 PM
Avatar
TRUCKERWEEKEND
  • MEMBER
  • 5 POSTS
not what i mean. Battery goes dead randomly. May last a day (even running with lights and heater on) or a week. Drove fine for a day and a half and when came to stop sign, stopped and went to take off no power and battery drained. Wrecker came about 45 minutes later and started right up. Got it home and I ran it for about an hour with everything turned on and did not stop running. shut off and on a couple of times and started right up.
Apr 21, 2024 at 6:18 AM
Advertisement
Avatar
JACOBANDNICKOLAS
  • CERTIFIED EXPERT
  • 110,175 POSTS
When the wrecker came, did the vehicle require a jump start? I'm trying to determine if it is a connection issue or if there is a problem with the charging system.

The alternator itself is easy to check to confirm if it is charging, but it sounds like the problem is intermittent.

Let me know.

Joe
Apr 21, 2024 at 5:59 PM
Avatar
TRUCKERWEEKEND
  • MEMBER
  • 5 POSTS
No it did not need jumped. Sometimes will run for a day then the battery goes dead or can run for a week. only had to jump once. This has been ongoing for about a month.
Apr 22, 2024 at 5:15 AM
Avatar
JACOBANDNICKOLAS
  • CERTIFIED EXPERT
  • 110,175 POSTS
Hi,

I thought the battery was draining. If this happens when the vehicle is at operating temperature and then after it cools a bit, it runs again, it sounds like the crankshaft position sensor is failing.

Here is what I need you to do. When it stalls and won't restart, see if it will start if you use starting fluid. If it does and then stalls, we know it is a fuel-related issue. If there is no change, I need you to check if there is an ignition spark at the spark plugs.
Here is a link that explains how to check:

https://www.2carpros.com/articles/how-to-check-for-ignition-spark

Let me know.

Joe
Apr 22, 2024 at 8:41 PM
Avatar
TRUCKERWEEKEND
  • MEMBER
  • 5 POSTS
battery goes dead. What does the crankshaft sensor have to do with it?
Apr 23, 2024 at 5:17 AM
Avatar
JACOBANDNICKOLAS
  • CERTIFIED EXPERT
  • 110,175 POSTS
You said it did not need jump started, so that tells me the battery wasn't dead. You have me confused.

"No, it did not need jumped. Sometimes will run for a day then the battery goes dead or can run for a week. Only had to jump once."

"Battery goes dead. What does the crankshaft sensor have to do with it?"

Let me know what is happening. For example, the car stalls but the battery is fine. Or the car stalls and the battery is drained.

Joe

Apr 23, 2024 at 5:55 PM
Avatar
TRUCKERWEEKEND
  • MEMBER
  • 5 POSTS
altenator stops charging. runs for a day then battery will go dead. Runs sometimes for a week. on the 3rd alt. Everything is new. Battery, cable ends, belt and new alt plug.
Apr 24, 2024 at 4:38 AM
Avatar
JACOBANDNICKOLAS
  • CERTIFIED EXPERT
  • 110,175 POSTS
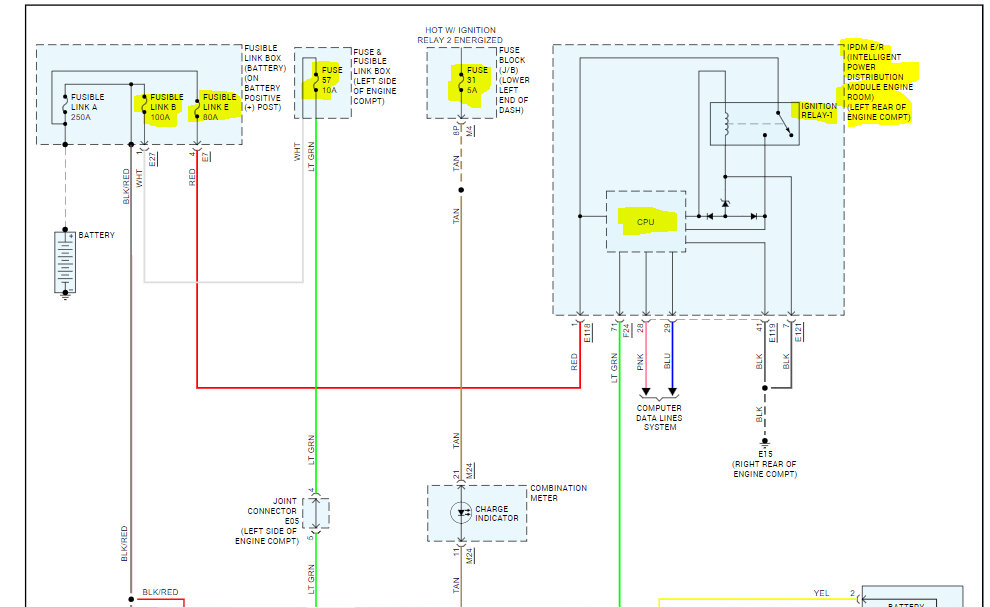
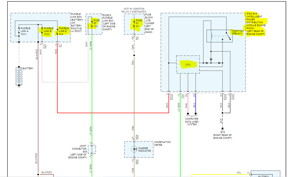
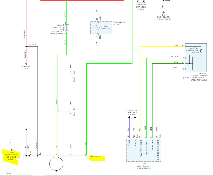
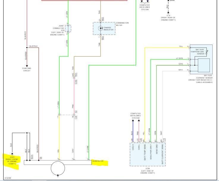
Hi,

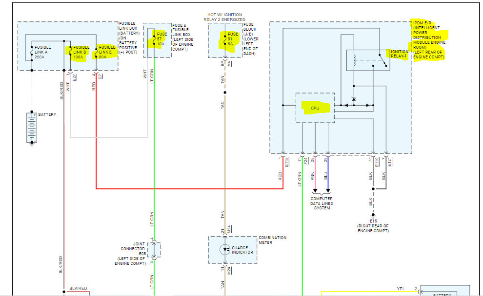
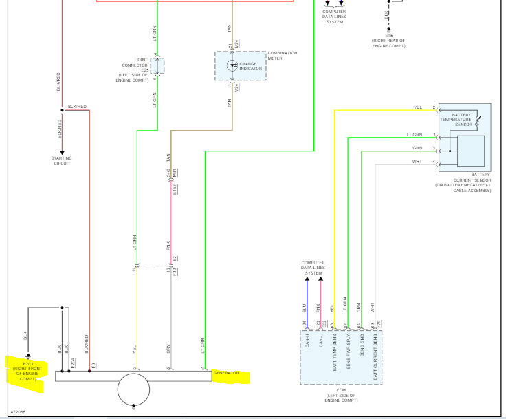
Okay, chances are it is the result of the computer processing unit (CPU) in the intelligent power distribution module. I attached the wiring schematic below so that you would have a reference.

The CPU isn't serviceable, so what I'm going to recommend is to scan the can-bus.

CAN stands for controller area network. Basically, the different modules in the vehicle communicate with each other via a few wires. This type of scan would retrieve codes regardless of the module storing them.

Here is a link that shows how it's done:

https://www.2carpros.com/articles/can-scan-controller-area-network-easy

Other than the CPU (which is my primary suspect based on what you have already done), the only thing left is a connection issue. Make sure none of the fuses are failing and making contact and then not. Also, recheck the ground (black wires) between the alternator and the right front of the engine compartment.

Let me know.

Joe

See pics below. Note: I cut the pic in half to make it readable for you. I did overlap the two so you can follow from one to the next.

Apr 25, 2024 at 6:49 PM