Battery not charging, battery light in dash is on

2006 JAGUAR XJ8
110,336 MILES • 4.2L • V8 • 2WD • AUTOMATIC
Avatar
KYLE KRAMER
  • MEMBER
  • 7 POSTS
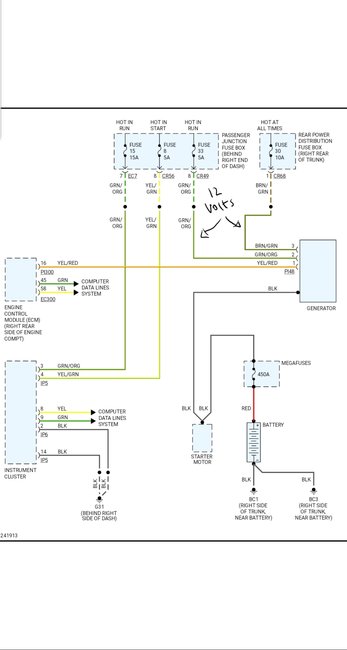
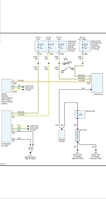
Battery is new and fully charged, alternator is rebuilt. I was not present when bench tested but have never had any problems with that shop before, installed the alternator and not charging. pulled the plug off the back and have 12.5 volts to all 3 pins with key on. I was wondering if that is right or if I need to check the wires for a short?
Aug 26, 2019 at 1:40 PM
Advertisement
Avatar
JIS001
  • CERTIFIED EXPERT
  • 3,412 POSTS
Pins #2 and #3 are suppose to have voltage to them. Pin#1 may have the 12 volts because you have it disconnected. If there is a fault with the charging system the PCM will set a fault code if it is something the computer sees as an issue. If there are fault codes for charging system faults post them on here to get an idea as to what is going.

What I would recommend you do first is a voltage drop test across the battery cables to check for high resistance. Using a digital volt meter take the positive lead and touch the positive cable terminal (note the battery post). The ground lead touch it at the alternator battery cable terminal. A good cable will measure under 1 volt.

Next take the positive lead and touch the battery ground cable terminal. The ground lead touch a good ground point like the alternator housing (the metal part) or any where in the body that has metal. A good cable will measure under 1 volt. So for example you measure the positive cable a value of 0.02 volts that is good. And on the ground cable you measure 2.4 volts then the ground cable has high resistance. Dirty terminals can do this. Sometimes the other end of the ground cable could have corrosion on the block side.

If both cables read under a volt and there is no fault codes then I recommend you buy a new alternator vs. Having the same unit rebuilt. They are not cheap but the new alternator will come with the voltage regulator built into. Some parts store brands are no good either so buy a premium brand like Remy, Delco or OE. Hope the info helps and let us know on the readings or if the premium brand alternator worked.
Aug 28, 2019 at 10:35 PM
Avatar
KYLE KRAMER
  • MEMBER
  • 7 POSTS
Had the alternator retested and it had a wire come loose on the regulator. I haven't had a chance to get it back on the car yet but your reply and diagram will be very helpful and I appreciate it! Thank you
Sep 6, 2019 at 12:33 AM
Advertisement
Avatar
JIS001
  • CERTIFIED EXPERT
  • 3,412 POSTS
Thank you for the reply back. Let us know if that was the issue.
Sep 6, 2019 at 12:42 AM
Avatar
KYLE KRAMER
  • MEMBER
  • 7 POSTS
Got the alternator back on and it seems to be working fine but now I have a low coolant message and it is full and no air lock I think the sensor is reading wrong since it was dry and disconnected for about 2 weeks .
Sep 13, 2019 at 4:19 AM
Avatar
STRAILER
  • CERTIFIED EXPERT
  • 53,854 POSTS
Nice work, we are here to help, please use 2CarPros anytime. Please post your new question here, you must be logged in.

https://www.2carpros.com/questions/new

Cheers, Ken
Sep 16, 2019 at 10:56 AM