Is my alternator considered to be a two wire or three wire alternator?

1992 NISSAN HARDBODY
999,999 MILES • 2.4L • 4 CYL • 2WD • MANUAL
Avatar
CADE BROWN
  • MEMBER
  • 2 POSTS
Which wire is the exciter wire, and which is the voltage sensing?
Aug 2, 2023 at 9:35 PM
Advertisement
Avatar
STRAILER
  • CERTIFIED EXPERT
  • 53,854 POSTS
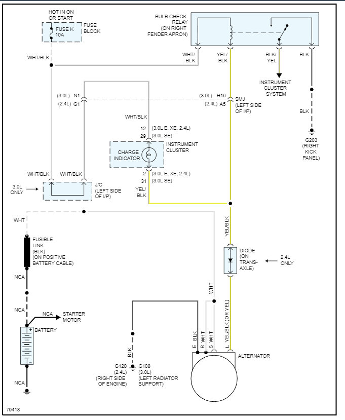
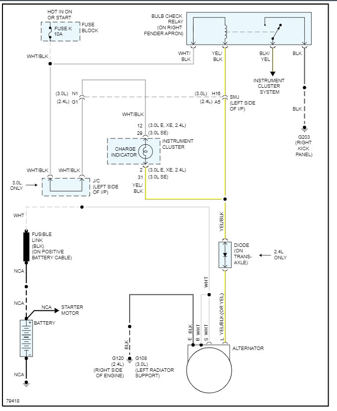
The yel/blk wire is the sensing wire here is the alternator wiring diagrams so you can see how the system works. Yours is a three wire sensor. Check out the images (below). Please let us know what happens.
Aug 3, 2023 at 12:16 PM
Avatar
CADE BROWN
  • MEMBER
  • 2 POSTS
This isn't how my alternator is set up, mine has the wire that goes to the battery and a plug with two wires ran out of it. I need to know what each wire that comes from the plug are one is the sensing and the other is the exciter on the diagram shown the exciter is the ground wire.
Aug 3, 2023 at 12:24 PM
Advertisement
Avatar
STRAILER
  • CERTIFIED EXPERT
  • 53,854 POSTS
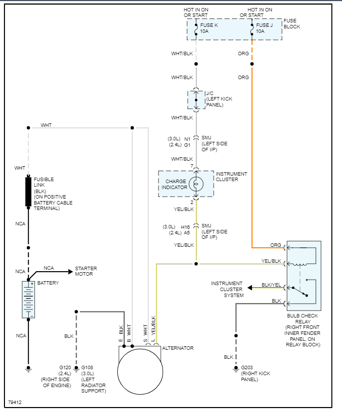
I found this wiring diagrams it might be better. there is the sensing wire is the charge indicator wire.
Aug 4, 2023 at 10:13 AM
Avatar
STRAILER
  • CERTIFIED EXPERT
  • 53,854 POSTS
anything?
May 6, 2024 at 12:01 PM